h1_key

TI(德州仪器) ISO1410
德州仪器 (TI) 全系列产品在线购买
  • TI(德州仪器) ISO1410
  • TI(德州仪器) ISO1410
  • TI(德州仪器) ISO1410
  • TI(德州仪器) ISO1410
  • TI(德州仪器) ISO1410
  • TI(德州仪器) ISO1410
立即查看
您当前的位置: 首页 > 隔离 > 隔离式接口 IC > 隔离式 RS-485 收发器 > ISO1410
ISO1410

ISO1410

正在供货

具有 EMC 保护功能的 500Kbps、半双工、5kVrms 隔离式 RS-485 和 RS-422 收发器

产品详情
  • 说明
  • 特性
  • 参数
  • 封装 | 引脚 | 尺寸

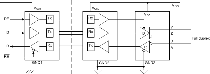
ISO14xx 器件是适用于 TIA/EIA RS-485 和 RS-422 应用的电隔离差分线路收发器。这些抗噪声收发器设计用于恶劣的工业环境。这些器件的总线引脚可承受高级别的 IEC 静电放电 (ESD) 和 IEC 电子快速瞬变 (EFT) 事件,无需在总线上使用额外组件进行系统级保护。这些器件提供有基础型和增强型隔离可供选择(请参阅 增强型和基础型隔离选项)。

这些器件用于长距离通信。隔离会破坏通信节点之间的接地回路,从而获得更大的共模电压范围。经测试,每个器件的对称隔离栅可在总线收发器和逻辑电平接口之间按照 UL 1577 标准提供为时 1 分钟的 5000V RMS 隔离。

ISO14xx 器件可由 1 侧的 1.71V 至 5.5V 电压供电运行,此电压范围使器件能够与低压 FPGA 和 ASIC 连接。2 侧上具有 3V 至 5.5V 的宽电源电压范围,因此无需在隔离侧提供稳压电源。这些器件支持 -40°C 至 +125°C 的宽工作环境温度范围。

  • 符合 TIA/EIA-485-A 标准
  • 在 5V 总线侧电源下与 PROFIBUS 兼容
  • 总线 I/O 保护
    • ±30kV HBM
    • ±16kV IEC 61000-4-2 接触放电
    • ±4kV IEC 61000-4-4 电气快速瞬变
  • 低 EMI 500kbps、12Mbps 和 50Mbps 数据速率
  • 1.71V 至 5.5V 逻辑侧电源 (VCC1),3V 至 5.5V 总线侧电源 (VCC2)
  • 失效防护接收器(总线开路、短路和空闲)
  • 1/8 单位负载:多达 256 个总线节点
  • 100kV/µs(典型值)高共模瞬态抗扰度
  • 扩展温度范围为 -40°C 至 +125°C
  • 适用于热插拔功能的无干扰加电和断电
  • 宽体 SOIC-16 封装
  • 引脚兼容大多数隔离式 RS-485 收发器
  • 安全相关认证:
    • 符合 DIN VDE V 0884-11:2017-01 标准的 7071VPK VIOTM 和 1500VPK VIORM(增强型和基本型选项)
    • UL 1577 标准下,长达 1 分钟的 5000VRMS 隔离
    • IEC 60950-1、IEC 62368-1、IEC 60601-1 和 IEC 61010-1 认证
    • CQC、TUV 和 CSA 认证
    • VDE(增强型)、UL、CQC 和 TUV 认证完成;VDE(基本型)和 CSA 审批正在处理中
RatingCatalog
Integrated isolated powerNo
Isolation ratingBasic, Reinforced
DuplexHalf
Data rate (max) (Mbps)0.5
Working isolation voltage (VIOWM) (Vrms)1060
Surge isolation voltage (VIOSM) (VPK)6000, 10000
Transient isolation voltage (VIOTM) (VPK)7071
Withstand isolation voltage (VISO) (Vrms)5000
ESD HBM (kV)30
VCC1 (min) (V)1.71
VCC1 (max) (V)5.5
VCC2 (min) (V)3
VCC2 (max) (V)5.5
Fail safeIdle, Open, Short
CMTI (min) (kV/µs)85
Operating temperature range (°C)-40 to 125
Creepage (min) (mm)8
Clearance (min) (mm)8
SOIC (DW)16106.09 mm² 10.3 x 10.3
产品购买
  • 商品型号
  • 封装
  • 工作温度
  • 包装
  • 价格
  • 现货库存
  • 操作
10s
温馨提示:
订单商品问题请移至我的售后服务提交售后申请,其他需投诉问题可移至我的投诉提交,我们将在第一时间给您答复
返回顶部