h1_key

TI(德州仪器) ISO1042
德州仪器 (TI) 全系列产品在线购买
  • TI(德州仪器) ISO1042
  • TI(德州仪器) ISO1042
  • TI(德州仪器) ISO1042
  • TI(德州仪器) ISO1042
  • TI(德州仪器) ISO1042
  • TI(德州仪器) ISO1042
立即查看
您当前的位置: 首页 > 隔离 > 隔离式接口 IC > 隔离式 CAN 收发器 > ISO1042
ISO1042

ISO1042

正在供货

具有 70V 总线故障保护功能和灵活数据速率的隔离式 CAN 收发器

产品详情
  • 说明
  • 特性
  • 参数
  • 封装 | 引脚 | 尺寸

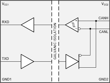
ISO1042 器件是一款符合 ISO11898-2 (2016) 标准规格的电隔离控制器局域网 (CAN) 收发器。ISO1042 器件提供 ±70V 直流总线故障保护功能和 ±30V 共模电压范围。该器件在 CAN FD 模式下最高支持 5Mbps 数据速率,与经典 CAN 相比可实现更为快速的载荷传输。该器件采用二氧化硅 (SiO2) 绝缘隔栅,可承受 5000VRMS 的电压和 1060VRMS 的工作电压。电磁兼容性得到了显著增强,可实现系统级 ESD、EFT 和浪涌并符合辐射标准。与隔离式电源一起使用,此器件可抵御高电压冲击,并防止总线的噪声电流进入本地接地。ISO1042 器件可用于基础型和增强型隔离(请参阅 增强型和基础型隔离选项)。ISO1042 器件支持 –40°C 至 +125°C 的宽环境温度范围。该器件可采用 SOIC-16 (DW) 和更为小巧的 SOIC-8 (DWV) 封装。

  • 符合 ISO 11898-2:2016 和 ISO 11898-5:2007 物理层标准
  • 支持经典的最高 1Mbps CAN 和最高 5Mbps FD(灵活数据速率)
  • 低环路延迟:152ns
  • 保护 功能
    • 直流总线故障保护电压:±70V
    • 总线引脚的 HBM ESD 容差:±16kV
    • 驱动器显性超时 (TXD DTO)
    • VCC1 和 VCC2 欠压保护
  • 共模电压范围:±30V
  • 未上电时的理想无源、高阻抗总线终端
  • 高 CMTI:100kV/µs
  • VCC1 电压范围:1.71V 至 5.5V
    • 支持连接到 CAN 控制器的 1.8V、2.5V、3.3V 和 5.0V 逻辑接口
  • VCC2 电压范围:4.5V 至 5.5V
  • 优异的电磁兼容性 (EMC)
    • 系统级 ESD、EFT 和浪涌抗扰性
    • 低辐射
  • 环境温度范围:–40°C 至 +125°C
  • 16-SOIC 和 8-SOIC 封装选项
  • 可用的汽车版本:ISO1042-Q1
  • 安全相关认证:
    • 符合 DIN VDE V 0884-11:2017-01 标准的 7071VPK VIOTM 和 1500VPK VIORM(增强型和基本型选项)
    • UL 1577 标准下,长达 1 分钟的 5000VRMS 隔离
    • IEC 60950-1、IEC 60601-1 和 EN 61010-1 认证
    • CQC、TUV 和 CSA 认证
RatingCatalog
Isolation ratingBasic, Reinforced
Data rate (max) (Mbps)5
Working isolation voltage (VIOWM) (Vrms)1060
Surge isolation voltage (VIOSM) (VPK)6000, 10000
Transient isolation voltage (VIOTM) (VPK)7071
Withstand isolation voltage (VISO) (Vrms)5000
CMTI (min) (kV/µs)85
Supply voltage (V)1.71 to 5.5, 4.5 to 5.5
Bus fault voltage (V)-70 to 70
Common-mode voltage (V)-30 to 30
ESD HBM (kV)16
Creepage (min) (mm)8, 8.5
Clearance (min) (mm)8, 8.5
Operating temperature range (°C)-40 to 125
SOIC (DW)16106.09 mm² 10.3 x 10.3
SOIC (DWV)867.275 mm² 5.85 x 11.5
产品购买
  • 商品型号
  • 封装
  • 工作温度
  • 包装
  • 价格
  • 现货库存
  • 操作
10s
温馨提示:
订单商品问题请移至我的售后服务提交售后申请,其他需投诉问题可移至我的投诉提交,我们将在第一时间给您答复
返回顶部