h1_key

TI(德州仪器) DS90UB962-Q1
德州仪器 (TI) 全系列产品在线购买
  • TI(德州仪器) DS90UB962-Q1
  • TI(德州仪器) DS90UB962-Q1
  • TI(德州仪器) DS90UB962-Q1
  • TI(德州仪器) DS90UB962-Q1
  • TI(德州仪器) DS90UB962-Q1
  • TI(德州仪器) DS90UB962-Q1
立即查看
您当前的位置: 首页 > 接口 > 高速串行器/解串器 > FPD-Link 串行器/解串器 > DS90UB962-Q1
DS90UB962-Q1

DS90UB962-Q1

正在供货

具有单个 CSI-2 输出的四路 3Gbps FPD-Link III 解串器集线器

产品详情
  • 说明
  • 特性
  • 参数
  • 封装 | 引脚 | 尺寸

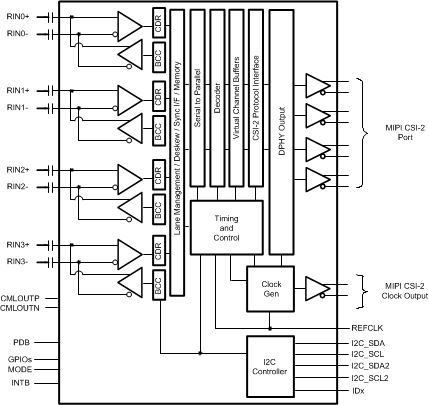
DS90UB962-Q1 是一款多功能传感器集线器,可通过 FPD-Link III 接口收集从 4 个独立视频数据流接收到的串行传感器数据。 与 DS90UB935A-Q1、DS90UB953-Q1、DS90UB913A-Q1 或 DS90UB933-Q1 串行器搭配使用时,DS90UB962-Q1 可接收来自一百万像素图像传感器(可在 30Hz 或 60Hz 帧速率下支持 720p/800p/960p/1MP 分辨率)的数据。接收的数据将聚合至符合 MIPI CSI-2 标准并与下游处理器互连的输出端。

DS90UB962-Q1 包括 4 个 FPD-Link III 解串器,每个均支持通过具有成本效益的 50Ω 单端同轴或 100Ω 差分 STP 电缆进行连接。接收均衡器会自动适应以补偿电缆损耗特性,包括随时间推移而出现的劣化。

每个 FPD-Link III 接口还包括一个单独的低延迟双向控制通道,该通道可连续传送 I2C、GPIO 和其他控制信息。通用 I/O 信号,如摄像头同步和诊断特性所需的,也可利用该双向控制通道。

DS90UB962-Q1 符合面向汽车应用的 AEC-Q100 标准,采用具有成本效益且节省空间的 64 引脚 VQFN 封装。

  • 符合面向汽车应用的 AEC-Q100 标准:
    • 器件温度等级 2:-40℃ 至 +105℃ 环境工作温度范围
  • 四路 3Gbps 解串器集线器同时从最多 4 个传感器聚合数据
  • 支持 100 万像素传感器,可在 30Hz 或 60Hz 帧速率下支持高清 720p/800p/960p/1MP 分辨率
  • 精确多摄像头同步
  • 符合 MIPI D-PHY 版本 1.2/CSI-2 版本 1.3 标准
    • 1 个 CSI-2 MIPI 输出端口
    • 支持 1、2、3、4 个数据通道
    • CSI-2 数据速率可扩展:每个数据通道支持 400Mbps/800Mbps/ 1.2Gbps/ 1.5Gbps/1.6Gbps
  • 功能安全型
    • 有助于进行 ISO 26262 系统设计的文档

  • 超低数据和控制路径延迟
  • 支持单端同轴(包括电缆供电 (PoC))或屏蔽双绞线 (STP) 电缆
  • 自适应接收均衡
  • 具有快速模式增强版(高达 1Mbps)的双 I2C 端口
  • 用于传感器同步和诊断的灵活 GPIO
  • 与 DS90UB935-Q1、DS90UB953-Q1、DS90UB913A-Q1 和 DS90UB933-Q1 串行器兼容
  • 内部可编程精密帧同步发生器
  • 线路故障检测和高级诊断
FunctionDeserializer
Color depth (bps)12
Input compatibilityFPD-Link III LVDS
Output compatibilityMIPI CSI-2
FeaturesLow-EMI Point-to-Point Communication
Signal conditioningAdaptive Equalizer
EMI reductionBIST
DiagnosticsBIST
RatingAutomotive
Operating temperature range (°C)-40 to 105
TI functional safety categoryFunctional Safety-Capable
VQFNP (RTD)6481 mm² 9 x 9
产品购买
  • 商品型号
  • 封装
  • 工作温度
  • 包装
  • 价格
  • 现货库存
  • 操作
10s
温馨提示:
订单商品问题请移至我的售后服务提交售后申请,其他需投诉问题可移至我的投诉提交,我们将在第一时间给您答复
返回顶部