h1_key

TI(德州仪器) DS90UB960-Q1
德州仪器 (TI) 全系列产品在线购买
  • TI(德州仪器) DS90UB960-Q1
  • TI(德州仪器) DS90UB960-Q1
  • TI(德州仪器) DS90UB960-Q1
  • TI(德州仪器) DS90UB960-Q1
  • TI(德州仪器) DS90UB960-Q1
  • TI(德州仪器) DS90UB960-Q1
立即查看
您当前的位置: 首页 > 接口 > 高速串行器/解串器 > FPD-Link 串行器/解串器 > DS90UB960-Q1
DS90UB960-Q1

DS90UB960-Q1

正在供货

配备双路 CSI-2 输出端口的四路 2MP 摄像头集线器 FPD-Link III 解串器

产品详情
  • 说明
  • 特性
  • 参数
  • 封装 | 引脚 | 尺寸

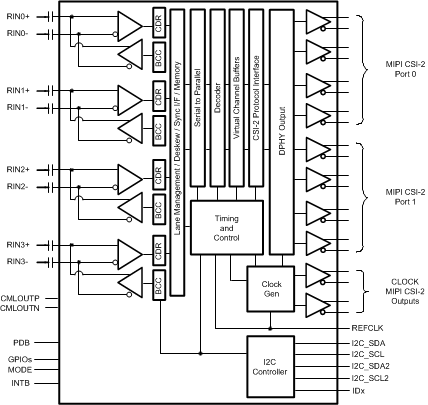
DS90UB960-Q1 是一款多功能传感器集线器,可通过 FPD-Link III 接口收集从 4 个独立视频数据流接收到的串行传感器数据。 与 DS90UB953-Q1 串行器配对时,DS90UB960-Q1 可接收来自传感器(例如可在 60Hz 帧速率下支持全高清 1080p/2MP 分辨率的成像器)的数据。接收的数据将聚合至符合 MIPI CSI-2 标准并与下游处理器互连的输出端。 该器件还配有第二个 MIPI CSI-2 输出端口,可提供额外带宽或提供第二个复制输出以便进行数据记录和并行处理。

DS90UB960-Q1 包括 4 个 FPD-Link III 解串器,每个均支持通过具有成本效益的 50Ω 单端同轴或 100Ω 差分 STP 电缆进行连接。接收均衡器会自动适应以补偿电缆损耗特性,包括随时间推移而出现的劣化。

每个 FPD-Link III 接口还包括一个单独的低延迟双向控制通道,该通道可连续传送 I2C、GPIO 和其他控制信息。通用 I/O 信号,如摄像头同步和诊断特性所需的,也可利用该双向控制通道。

DS90UB960-Q1 符合面向汽车应用的 AEC-Q100 标准,采用具有成本效益且节省空间的 64 引脚 VQFN 封装。

  • 符合面向汽车应用的 AEC-Q100 标准:
    • 器件温度等级 2:-40℃ 至 +105℃ 环境工作温度范围
  • 四路 4.16Gbps 解串器集线器同时从最多 4 个传感器聚合数据
  • 支持 200 万像素传感器,可在 60Hz 帧速率下支持全高清 1080p 分辨率
  • 精确多摄像头同步
  • 符合 MIPI D-PHY 版本 1.2/CSI-2 版本 1.3 标准
    • 2 个 MIPI CSI-2 输出端口
    • 每个 CSI-2 端口支持 1、2、3、4 个数据通道
    • CSI-2 数据速率可扩展:每个数据通道支持 400Mbps/800Mbps/ 1.2Gbps/ 1.5Gbps/1.6Gbps
    • 端口复制模式
  • 功能安全型
    • 有助于进行 ISO 26262 系统设计的文档

  • 超低数据和控制路径延迟
  • 支持单端同轴(包括电缆供电 (PoC))或屏蔽双绞线 (STP) 电缆
  • 自适应接收均衡
  • 具有快速模式增强版(高达 1Mbps)的双 I2C 端口
  • 用于传感器同步和诊断的灵活 GPIO
  • 与 DS90UB953-Q1、DS90UB935-Q1、 DS90UB933-Q1 、DS90UB913A-Q1 串行器兼容
  • 内部可编程精密帧同步发生器
  • 线路故障检测和高级诊断
FunctionDeserializer
Color depth (bps)12
Input compatibilityFPD-Link III LVDS
Output compatibilityMIPI CSI-2
FeaturesLow-EMI Point-to-Point Communication
Signal conditioningAdaptive Equalizer
EMI reductionBIST
DiagnosticsBIST
RatingAutomotive
Operating temperature range (°C)-40 to 105
TI functional safety categoryFunctional Safety-Capable
VQFNP (RTD)6481 mm² 9 x 9
产品购买
  • 商品型号
  • 封装
  • 工作温度
  • 包装
  • 价格
  • 现货库存
  • 操作
10s
温馨提示:
订单商品问题请移至我的售后服务提交售后申请,其他需投诉问题可移至我的投诉提交,我们将在第一时间给您答复
返回顶部