h1_key

TI(德州仪器) OPA4170-Q1
德州仪器 (TI) 全系列产品在线购买
  • TI(德州仪器) OPA4170-Q1
  • TI(德州仪器) OPA4170-Q1
  • TI(德州仪器) OPA4170-Q1
  • TI(德州仪器) OPA4170-Q1
  • TI(德州仪器) OPA4170-Q1
  • TI(德州仪器) OPA4170-Q1
立即查看
您当前的位置: 首页 > 放大器 > 运算放大器 (op amps) > 通用运算放大器 > OPA4170-Q1
OPA4170-Q1

OPA4170-Q1

正在供货

汽车级、四路、36V、1.2MHz、低功耗运算放大器

产品详情
  • 说明
  • 特性
  • 参数
  • 封装 | 引脚 | 尺寸

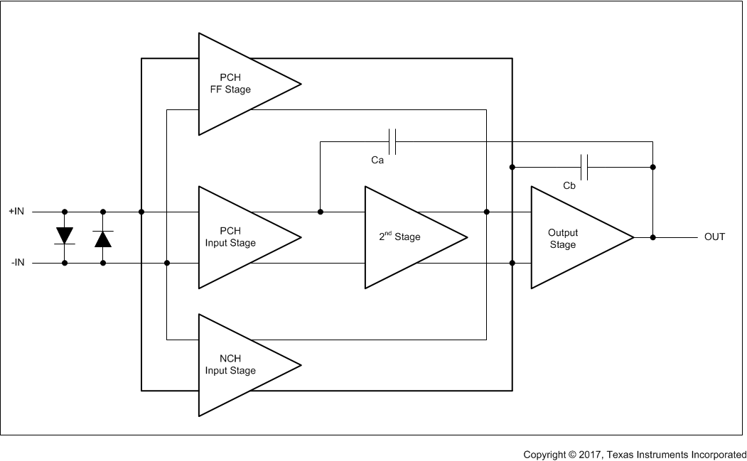
OPA170-Q1、OPA2170-Q1 和 OPA4170-Q1 器件 (OPAx170-Q1) 属于 36V、单电源、低噪声运算放大器系列。该器件系列采用微型封装,可由电压介于 2.7V (±1.35V) 至 36V (±18V) 之间的电源供电运行。此类器件在确保静态电流较低的情况下提供良好的偏移、漂移和带宽。

多数运算放大器仅有一个指定的电源电压,OPAx170-Q1 系列运算放大器则有所不同,其可在 2.7V 至 36V 电压范围内额定运行。超过电源轨的输入信号不会导致反相。OPAx170-Q1 系列在容性负载高达 300pF 时可保持稳定。输入可在负电源轨以下 100mV 以及正电源轨 2V 之内正常运行。请注意,这些器件可在正电源轨之上 100mV 的满轨到轨输入上运行,但是在正电源轨 2V 内运行时,性能会受到影响。OPAx170-Q1 运算放大器的额定工作温度范围为 -40°C 至 +125°C。

  • 符合汽车应用 要求
  • 具有符合 AEC-Q100 标准的下列结果:
    • 器件温度等级 1:环境工作温度范围为 –40°C 至 +125°C
    • 器件 HBM ESD 分类等级 3A
    • 带电器件模型 (CDM) ESD 分类等级 C5
  • 电源电压范围:2.7V 至 36V,±1.35V 至 ±18V
  • 低噪声:19 nV/√Hz
  • 已过滤的射频干扰 (RFI) 输入
  • 输入范围包括负电源
  • 输入范围运行至正电源
  • 轨到轨输出
  • 增益带宽:1.2MHz
  • 低静态电流:每个放大器 110µA
  • 高共模抑制:120dB
  • 低偏置电流:15pA(最大值)
  • 通道数量:
    • OPA170-Q1 - 1 条
    • OPA2170-Q1 - 2 条
    • OPA4170-Q1 - 4 条
  • 行业标准封装
Number of channels4
Total supply voltage (+5 V = 5, ±5 V = 10) (max) (V)36
Total supply voltage (+5 V = 5, ±5 V = 10) (min) (V)2.7
Rail-to-railIn to V-, Out
GBW (typ) (MHz)1.2
Slew rate (typ) (V/µs)0.4
Vos (offset voltage at 25°C) (max) (mV)1.8
Iq per channel (typ) (mA)0.1
Vn at 1 kHz (typ) (nV√Hz)19
RatingAutomotive
Operating temperature range (°C)-40 to 125
Offset drift (typ) (µV/°C)0.3
FeaturesEMI Hardened
Input bias current (max) (pA)15
CMRR (typ) (dB)120
Iout (typ) (A)0.017
ArchitectureCMOS
Input common mode headroom (to negative supply) (typ) (V)-0.1
Input common mode headroom (to positive supply) (typ) (V)-2
Output swing headroom (to negative supply) (typ) (V)0.008
Output swing headroom (to positive supply) (typ) (V)-0.15
TSSOP (PW)1432 mm² 5 x 6.4
产品购买
  • 商品型号
  • 封装
  • 工作温度
  • 包装
  • 价格
  • 现货库存
  • 操作
10s
温馨提示:
订单商品问题请移至我的售后服务提交售后申请,其他需投诉问题可移至我的投诉提交,我们将在第一时间给您答复
返回顶部