h1_key

TI(德州仪器) TPD6S300A
德州仪器 (TI) 全系列产品在线购买
  • TI(德州仪器) TPD6S300A
  • TI(德州仪器) TPD6S300A
  • TI(德州仪器) TPD6S300A
  • TI(德州仪器) TPD6S300A
  • TI(德州仪器) TPD6S300A
  • TI(德州仪器) TPD6S300A
立即查看
您当前的位置: 首页 > 接口 > 应用特定端口保护 IC > TPD6S300A
TPD6S300A

TPD6S300A

正在供货

USB Type-C™ 端口保护器:VBUS 短路过压和 6 通道 ESD 保护,带改进的过压保护

产品详情
  • 说明
  • 特性
  • 参数
  • 封装 | 引脚 | 尺寸

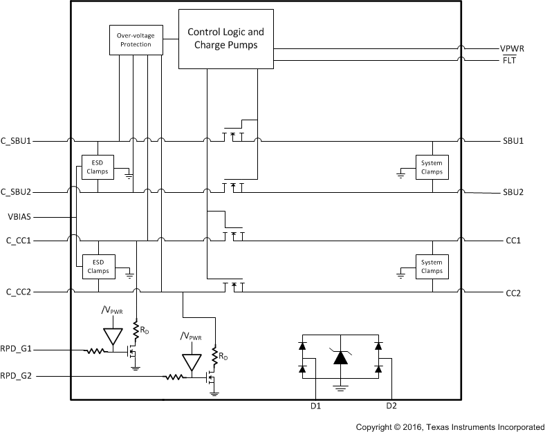
TPD6S300A 是一种单芯片 USB Type-C 端口保护器件,可提供 20V VBUS 短路过压保护和 IEC ESD 保护。

自从 USB Type-C 连接器发布以来,市场上已经发布了很多不符合 USB Type-C 规格的 USB Type-C 产品和配件。其中的一个示例就是仅在 VBUS 线路上布设 20V 电压的 USB Type-C 电力输送适配器。USB Type-C 的另一个问题是,由于此小型连接器中的各引脚极为靠近,因此连接器的机械扭转和滑动可能使引脚短路。这可能导致 20V VBUS 与 CC 和 SBU 引脚短路。此外,由于 Type-C 连接器中的各引脚极为靠近,所以存在碎屑和水气导致 20V VBUS 引脚与 CC 和 SBU 引脚短路的严重问题。

这些非理想的设备和机械事件使得 CC 和 SBU 引脚必须能够承受 20V 的电压,即使这些引脚仅在 5V 或更低电压下工作。通过在 CC 和 SBU 引脚上提供过压保护,TPD6S300A 可以使 CC 和 SBU 引脚耐受 20V 的电压,同时不会干扰正常工作。该器件将高压 FET 串联放置在 SBU 和 CC 线路上。当在这些线路上检测到高于 OVP 阈值的电压时,高压开关被打开,并且将系统的其余部分与连接器上存在的高压状态隔离。

最后,大多数系统都需要为其外部引脚应用 IEC 61000-4-2 系统级 ESD 保护。TPD6S300A 为 CC1、CC2、SBU1、SBU2、DP 和 DM 引脚集成了 IEC 61000-4-2 ESD 保护,无需再在连接器上(外部)放置高电压 TVS 二极管。

  • 4 通道 VBUS 短路过压保护(CC1、CC2、SBU1、SBU2 或
    CC1、CC2、DP、DM):耐受 24V 直流电
  • 6 通道 IEC 61000-4-2 ESD 保护(CC1、CC2、SBU1、SBU2、DP、DM)
  • CC1 和 CC2 过压保护 FET 可处理最高 600mA 的电流,因此可支持 VCONN 电源电流通过
  • 集成 CC 死电池电阻器,可用于处理移动设备中的死电池用例
  • 相较 TPD6S300 所具有的优势
    • 更高的死电池性能
    • USB Type-C 端口在 IEC 61000-4-2 ESD 冲击期间保持连接
  • 3mm × 3mm WQFN 封装
Number of switches4
IO capacitance (typ) (pF)1.5
IEC 61000-4-2 contact (±V)8000
IEC 61000-4-2 air-gap (±V)15000
FeaturesCC dead battery resistors, Overvoltage protection, Short-to-VBUS
Bi-/uni-directionalUnidirectional
RatingCatalog
Operating temperature range (°C)-40 to 85
Clamping voltage (V)8
Interface typeUSB Type-C
WQFN (RUK)209 mm² 3 x 3
产品购买
  • 商品型号
  • 封装
  • 工作温度
  • 包装
  • 价格
  • 现货库存
  • 操作
10s
温馨提示:
订单商品问题请移至我的售后服务提交售后申请,其他需投诉问题可移至我的投诉提交,我们将在第一时间给您答复
返回顶部