h1_key

TI(德州仪器) TPS25821
德州仪器 (TI) 全系列产品在线购买
  • TI(德州仪器) TPS25821
  • TI(德州仪器) TPS25821
  • TI(德州仪器) TPS25821
  • TI(德州仪器) TPS25821
  • TI(德州仪器) TPS25821
  • TI(德州仪器) TPS25821
立即查看
您当前的位置: 首页 > 接口 > USB IC > USB Type-C 和 USB 电力传输 IC > TPS25821
TPS25821

TPS25821

正在供货

USB Type-C™ 电源控制器和 1.5A 电源开关

产品详情
  • 说明
  • 特性
  • 参数
  • 封装 | 引脚 | 尺寸

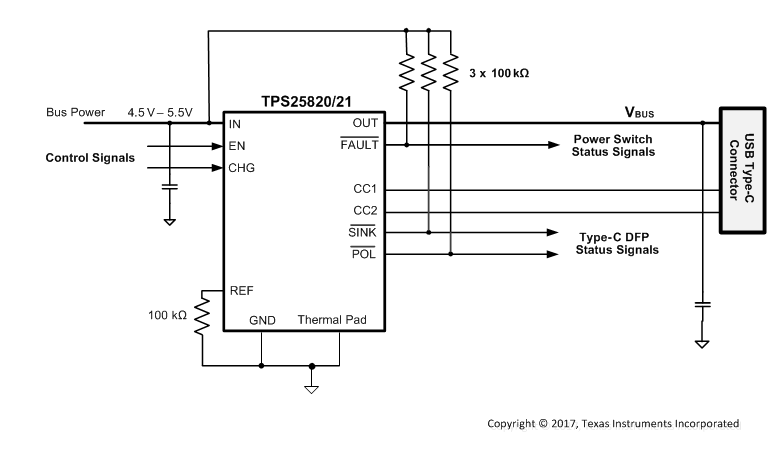
TPS25820/21 是一款 USB Type-C 电源控制器,集成了一个额定电流为 1.5A 的 USB 电源开关。TPS25820/21 通过监测 Type-C 配置通道 (CC) 线路来确定 USB 接收装置是否连接。如果连接了接收装置,TPS25820/21 会向 VBUS 供电,并将可选的 VBUS 拉电流能力通过直通 CC 线路传达给接收器。如果使用电子标记电缆连接了接收装置,TPS25820 还会将 VCONN 电源施加于电缆 VCONN 引脚。TPS25821 不会施加 VCONN 电源,并在 USB 2.0 以及实施无数据充电等不需要 VCONN 的情况下发挥作用。

在不附加任何器件时,TPS25820/21 消耗的电流为 1.0µA(典型值)。FAULT 输出在开关处于过流和过热条件时发出信号。SINK 输出在连接了接收装置时发出信号,POL 输出将以信号形式发出电缆超速线路的极性。

  • USB Type-CTM Rel. 1.3 兼容源控制器
  • CC 线路上 STD/1.5A 电流通告性能
  • 连接器连接/断开的检测
  • 超高速极性确定
  • VBUS 和 VCONN (TPS25820) 应用以及用内部固定电流限制放电
  • Type-C 连接器不附加任何器件时的工作电流为 1.0µA(典型值)
  • 64mΩ(典型值)高侧输出 MOSFET
  • 满足 USB 限流要求
    • 输出电流限制为 1.7A,精度为 ±7%
    • 快速过流响应 - 1.5µs(典型值)
  • CC1 和 CC2 ±8kV 接触放电以及 ± 15kV 空气放电 ESD 额定值 (IEC-61000-4-2)
  • IEC/UL 证书
    • US-33101-UL: IEC 60950-1:2005;
      AMD1:2009, AMD2:2013
    • US-33102-UL: IEC 62368-1:2014
FunctionType-C
TypeCC controller
Power roleSource
Alternate modeNo
External power-path controlNo
Data roleDFP
Internal power path5 V 1.5 A
RatingCatalog
Dead battery supportNo
Operating temperature range (°C)-40 to 125
WSON (DSS)126 mm² 3 x 2
产品购买
  • 商品型号
  • 封装
  • 工作温度
  • 包装
  • 价格
  • 现货库存
  • 操作
10s
温馨提示:
订单商品问题请移至我的售后服务提交售后申请,其他需投诉问题可移至我的投诉提交,我们将在第一时间给您答复
返回顶部