h1_key

TI(德州仪器) TIC12400
德州仪器 (TI) 全系列产品在线购买
  • TI(德州仪器) TIC12400
  • TI(德州仪器) TIC12400
  • TI(德州仪器) TIC12400
  • TI(德州仪器) TIC12400
  • TI(德州仪器) TIC12400
  • TI(德州仪器) TIC12400
立即查看
您当前的位置: 首页 > 接口 > 多开关检测接口 (MSDI) IC > TIC12400
TIC12400

TIC12400

正在供货

具有集成式 1:1 (SPST)、10 通道 ADC 和 SPI 的 24 输入传感器监控器

产品详情
  • 说明
  • 特性
  • 参数
  • 封装 | 引脚 | 尺寸

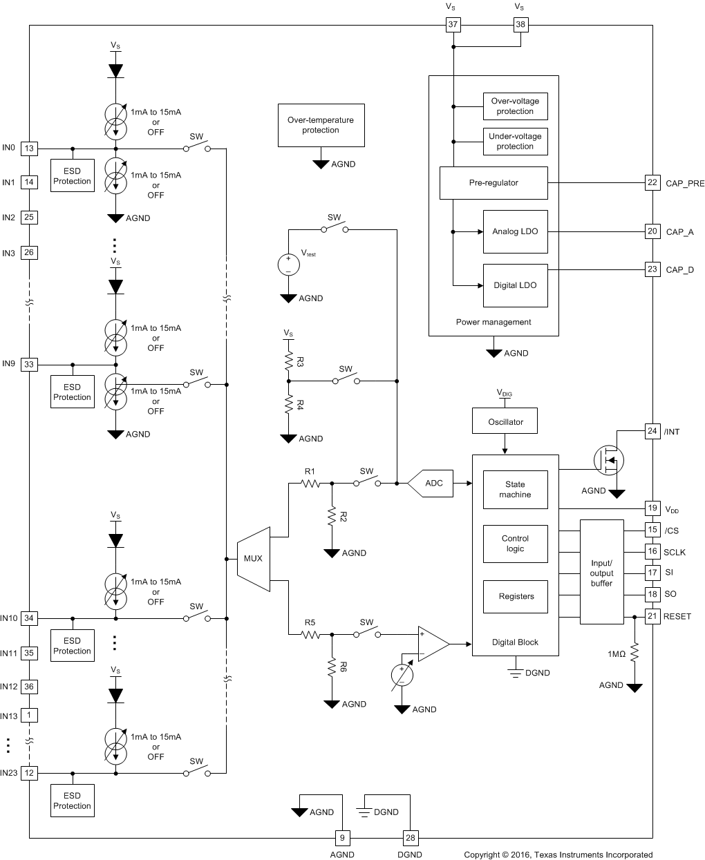
TIC12400 是一款先进的多开关检测接口 (MSDI) 器件,用于检测外部开关状态。TIC12400 支持 24 路直接输入,并可配置其中 10 路输入以监控数字 I/O 开关。可为每路输入设定 6 种湿性电流设置,从而支持不同的应用场景。TIC12400 采用了 集成的 10 位 ADC 对多位模拟开关进行监控,并采用比较器来独立于 MCU 对数字开关进行监控。该器件支持所有开关输入的唤醒操作,因此无需持续使 MCU 保持活动状态,进而可降低系统功耗。TIC12400 支持 2 种工作模式:连续模式和轮询模式。连续模式下将连续提供湿性电流。轮询模式下将根据可编程计时器来定期接通湿性电流以对输入状态进行采样,从而显著降低系统功耗。TIC12400 还提供各种故障检测和诊断 特性 以提高系统稳健性。

  • 工作电源电压 (VS) 范围为 6.5V 至 35V,具有过压和欠压警告
  • 监控多达 24 路直接开关输入,并可配置其中 10 路输入以监控接地或连接到电源的开关
  • 开关输入可接受 40V 电压和低至 -24V 的反向供电条件
  • 6 种可配置的湿性电流设置:
    (0mA、1mA、2mA、5mA、10mA 和 15mA)
  • 适用于多位模拟开关监控的 10 位集成 ADC
  • 适用于输入监控并具有 4 个可编程阈值的集成比较器
  • 在轮询模式下具有超低工作电流:
    典型值为 68µA(tPOLL = 64ms,tPOLL_ACT = 128µs,
    全部 24 路输入均处于活动状态,比较器模式,所有开关均打开)
  • 使用 3.3V/5V 串行外设接口 (SPI) 协议直接与 MCU 连接
  • 可产生中断来支持所有输入的唤醒操作
  • 集成电源和温度传感
  • 采用适当的外部组件根据 IEC 61000-4-2 在输入引脚上实现 ±8kV 接触放电 ESD 保护
  • 38 引脚 TSSOP 封装
Number of input channels24
Operating voltage (min) (V)6.5
Operating voltage (max) (V)24
Input/output voltage (max) (V)40
Input/output voltage (min) (V)-24
IO current (mA)1, 2, 5, 10, 15
Operating temperature range (°C)-40 to 105
Interface typeSPI
FeaturesConfigurable wetting current, Integrated 10-bit ADC, Interrupt wake-up operation, Overvoltage warning, Polling mode, SPI, Undervoltage warning, Withstands load dump condition and reverse polarity condition
DiagnosticsADC self-diagnostic, Wetting current diagnostic
Logic voltage (min) (V)3
Logic voltage (max) (V)5.5
RatingCatalog
HTSSOP (DCP)3862.08 mm² 9.7 x 6.4
产品购买
  • 商品型号
  • 封装
  • 工作温度
  • 包装
  • 价格
  • 现货库存
  • 操作
10s
温馨提示:
订单商品问题请移至我的售后服务提交售后申请,其他需投诉问题可移至我的投诉提交,我们将在第一时间给您答复
返回顶部