h1_key

TI(德州仪器) TIC10024-Q1
德州仪器 (TI) 全系列产品在线购买
  • TI(德州仪器) TIC10024-Q1
  • TI(德州仪器) TIC10024-Q1
  • TI(德州仪器) TIC10024-Q1
  • TI(德州仪器) TIC10024-Q1
  • TI(德州仪器) TIC10024-Q1
  • TI(德州仪器) TIC10024-Q1
立即查看
您当前的位置: 首页 > 接口 > 多开关检测接口 (MSDI) IC > TIC10024-Q1
TIC10024-Q1

TIC10024-Q1

正在供货

具有 SPI 的汽车类 35V 多开关检测接口 (MSDI)

产品详情
  • 说明
  • 特性
  • 参数
  • 封装 | 引脚 | 尺寸

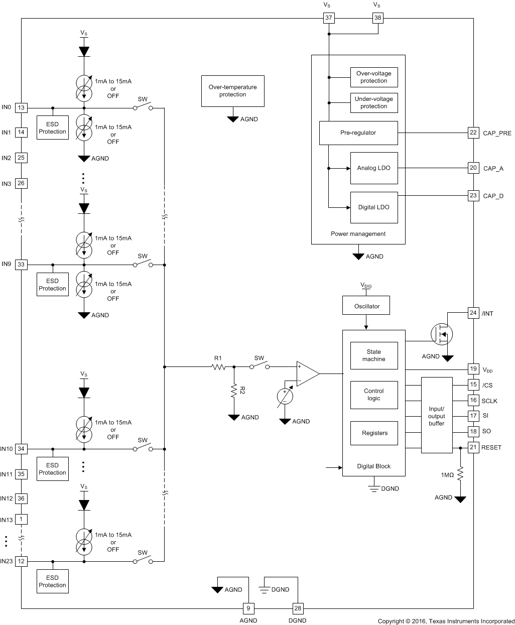
TIC10024-Q1 是一款先进的多开关检测接口 (MSDI) 器件,用于检测 12V 汽车系统中的外部开关状态。TIC10024-Q1 配有可调阈值的比较器,可以独立于 MCU 的方式监控数字开关。该器件监控多达 24 路直接开关输入,并可配置其中 10 路输入以监控接地或连接到电池的开关。可为每路输入设定 6 种独特的湿性电流设置,从而支持不同的应用场景。该器件支持所有开关输入的唤醒操作,因此无需持续使 MCU 保持活动状态,进而可降低系统功耗。TIC10024-Q1 还提供集成故障检测和 ESD 保护功能,从而提高系统稳健性。TIC10024-Q1 支持 2 种工作模式:连续模式和轮询模式。连续模式下将连续提供湿性电流。轮询模式下将根据可编程计时器来定期接通湿性电流以对输入状态进行采样,从而显著降低系统功耗。

  • 符合汽车应用要求
  • 具有符合 AEC-Q100 标准的下列特性:
    • 器件温度等级 1:–40°C 至 125°C 的工作环境温度范围
    • 器件 HBM ESD 分类等级 H2
    • 器件 CDM ESD 分类等级 C4B
  • 提供功能安全
    • 有助于进行功能安全系统设计的文档
  • 旨在支持 12V 汽车系统,并提供过压和欠压警告
  • 监控多达 24 路直接开关输入,并可配置其中 10 路输入以监控接地或连接到电池的开关
  • 开关输入可承受高达 40V 的电压(负载突降条件)和低至 -24V 的电压(反极性条件)
  • 6 种可配置的湿性电流设置: (0mA、1mA、2mA、5mA、10mA 和 15mA)
  • 适用于数字开关监控并具有 4 个可编程阈值的集成比较器
  • 轮询模式下的超低工作电流: 68µA 典型值(tPOLL = 64ms,tPOLL_ACT = 128µs, 全部 24 路输入均有效,比较器模式,所有开关均打开)
  • 使用 3.3V/5V 串行外设接口 (SPI) 协议直接与 MCU 对接
  • 可产生中断来支持所有输入的唤醒操作
  • 采用适当的外部组件根据 ISO-10605 在输入引脚上实现 ±8kV 接触放电 ESD 保护
  • 38 引脚 TSSOP 封装
Number of input channels24
Operating voltage (min) (V)4.5
Operating voltage (max) (V)35
Input/output voltage (max) (V)40
Input/output voltage (min) (V)-24
IO current (mA)1, 2, 5, 10, 15
Operating temperature range (°C)-40 to 125
TI functional safety categoryFunctional Safety-Capable
Interface typeSPI
FeaturesConfigurable wetting current, Interrupt wake-up operation, Overvoltage warning, Polling mode, SPI, Undervoltage warning, Withstands load dump condition and reverse polarity condition
Logic voltage (min) (V)3
Logic voltage (max) (V)5.5
RatingAutomotive
HTSSOP (DCP)3862.08 mm² 9.7 x 6.4
产品购买
  • 商品型号
  • 封装
  • 工作温度
  • 包装
  • 价格
  • 现货库存
  • 操作
10s
温馨提示:
订单商品问题请移至我的售后服务提交售后申请,其他需投诉问题可移至我的投诉提交,我们将在第一时间给您答复
返回顶部