h1_key

TI(德州仪器) DS90UB954-Q1
德州仪器 (TI) 全系列产品在线购买
  • TI(德州仪器) DS90UB954-Q1
  • TI(德州仪器) DS90UB954-Q1
  • TI(德州仪器) DS90UB954-Q1
  • TI(德州仪器) DS90UB954-Q1
  • TI(德州仪器) DS90UB954-Q1
  • TI(德州仪器) DS90UB954-Q1
立即查看
您当前的位置: 首页 > 接口 > 高速串行器/解串器 > FPD-Link 串行器/解串器 > DS90UB954-Q1
DS90UB954-Q1

DS90UB954-Q1

正在供货

适用于 2MP/60fps 摄像机和雷达、具有 CSI-2 输出的双路 200 万像素 FPD-Link III 解串器

产品详情
  • 说明
  • 特性
  • 参数
  • 封装 | 引脚 | 尺寸

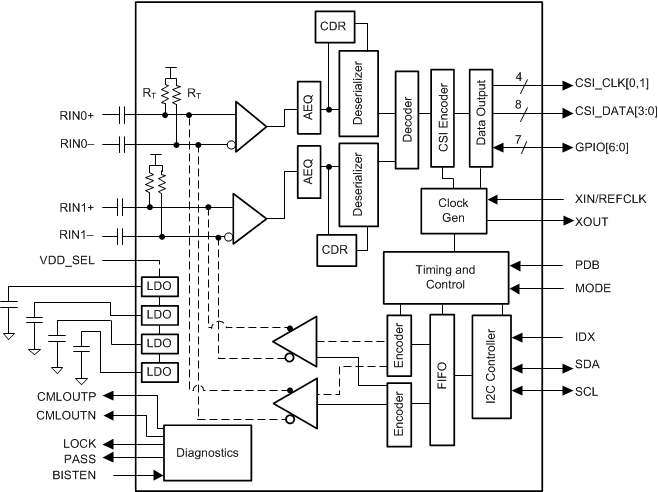
DS90UB954-Q1是一款多功能 双路解串器 集线器,可通过 FPD-Link III 接口从 一个或两个 独立源 接收串行传感器数据。与 DS90UB953-Q1 串行器配合使用时, DS90UB954-Q1 从成像仪接收数据,支持 2MP/60fps 和 4MP/30fps 摄像头以及卫星雷达和其他传感器(如 ToF 和激光雷达)。接收的数据将聚合至符合 MIPI CSI-2 标准并与下游处理器互连的输出端。 对于配备了 DS90UB933-Q1 和 DS90UB913A-Q1 串行器的传感器, DS90UB954-Q1 从一个或两个传感器(包括全高清 1080p 2MP 60/fps 成像仪传感器)接收并聚合数据。为 2 通道运行配置 CSI-2 接口时,会提供一个完全相同的 MIPI CSI-2 时钟通道,以提供复制输出。复制模式可创建两个 聚合视频流副本,用于数据记录和并行处理。

DS90UB954-Q1 和配套的 DS90UB953-Q1 芯片组符合 AEC-Q100 标准,旨在通过 50Ω 单端同轴电缆或 100Ω 差分 STP 电缆接收数据。解串器集线器非常适合同轴电缆供电应用,接收均衡器会自动适应以补偿电缆损耗特性(无需额外的编程),包括随时间推移而出现的电缆老化。

每个 FPD-Link III 接口包括一个单独的低延迟双向控制通道 (BCC),该通道可连续传送 I2C、GPIO 和其他控制信息。用于传感器同步和诊断功能的 GPIO 信号也使用 BCC。

  • 符合面向汽车应用的 AEC-Q100 标准
    • 器件温度等级 2:-40℃ 至 +105℃ 环境工作温度范围
  • 双路解串器集线器可以通过 FPD-Link III 接口聚合一个或两个有源传感器
  • 同轴电缆供电 (PoC) 兼容收发器
  • 符合 MIPI DPHY 版本 1.2/CSI-2 版本 1 .3 标准
    • CSI-2 输出端口
    • 支持 1、2、 3、4 个数据通道
    • CSI-2 数据速率可扩展:每个数据通道支持 400Mbps/800Mbps/ 1.5Gbps/1.6Gbps
    • 可编程数据类型
    • 四个虚拟通道
    • ECC 和 CRC 生成
  • 2x2 输出复制模式
  • 超低数据和控制路径延迟
  • 支持单端同轴或屏蔽双绞线 (STP) 电缆
  • 自适应接收均衡
  • 具有快速模式增强版(高达 1Mbps)的 I2C
  • 用于摄像头 同步和诊断的灵活 GPIO
  • 与 DS90UB935-Q1、DS90UB953-Q1、 DS90UB933-Q1 和 DS90UB913A-Q1 串行器兼容
  • 线路故障检测和高级诊断
  • 符合 ISO 10605 和 IEC 61000-4-2 ESD 标准
FunctionDeserializer
Color depth (bps)12
Input compatibilityFPD-Link III LVDS
Output compatibilityMIPI CSI-2
FeaturesLow-EMI Point-to-Point Communication
Signal conditioningAdaptive Equalizer
EMI reductionLVDS
DiagnosticsBIST
RatingAutomotive
Operating temperature range (°C)-40 to 105
VQFN (RGZ)4849 mm² 7 x 7
产品购买
  • 商品型号
  • 封装
  • 工作温度
  • 包装
  • 价格
  • 现货库存
  • 操作
10s
温馨提示:
订单商品问题请移至我的售后服务提交售后申请,其他需投诉问题可移至我的投诉提交,我们将在第一时间给您答复
返回顶部