h1_key

TI(德州仪器) TCA9803
德州仪器 (TI) 全系列产品在线购买
  • TI(德州仪器) TCA9803
  • TI(德州仪器) TCA9803
  • TI(德州仪器) TCA9803
  • TI(德州仪器) TCA9803
  • TI(德州仪器) TCA9803
  • TI(德州仪器) TCA9803
立即查看
您当前的位置: 首页 > 接口 > I2C IC > I2C 电平转换器、缓冲器和集线器 > TCA9803
TCA9803

TCA9803

正在供货

具有内部 3mA 拉电流的 2 位电平转换 400kHz I2C/SMBus 缓冲器/中继器

产品详情
  • 说明
  • 特性
  • 参数
  • 封装 | 引脚 | 尺寸

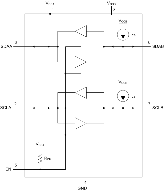
TCA9803 是一款适用于 I2C 总线和 SMBus/PMBus 系统的双通道双向缓冲器。它在低电压(低至 0.8V)和较高电压(1.65V 至 3.6V)之间提供双向电平转换。TCA9803 在器件 B 侧 具有 一个内部电流源,因而 B 侧不需要外部上拉电阻器。该电流源还提供改进的上升时间和超低功耗。

TCA9803 能够在不使用静态电压偏移或增量偏移的情况下提供真正的缓冲(而不是 pass-FET 解决方案)。这意味着 TCA9803 的 A 侧和 B 侧上的 VOL 极低(约为 0.2V),有助于消除由于固定的 VIL 阈值导致的通信问题。TCA9803 的另一个重要特性是没有电源定序要求或电源依赖性。VCCA 可以大于、小于或等于 VCCB。这使得系统设计人员可以灵活地使用 TCA9803。

TCA9803 是由四种器件组成的产品系列中的一部分,每种器件有不同的电流源强度(请参见器件比较表)。

  • 双通道双向缓冲器
  • 在 B 侧集成了电流源,不需要外部 B 侧电阻器
  • 超低功耗
  • 无静态电压偏移,低 VOL
  • 与 I2C 总线和 SMBus 兼容
  • 在 A 侧上,工作电源电压范围为 0.8V 至 3.6V
  • 在 B 侧上,工作电源电压范围为 1.65V 至 3.6V
  • 高电平有效中继器使能输入
  • A 侧断电高阻抗 I2C 总线引脚
  • 断电反射功率保护 I2C 总线引脚
  • 支持时钟拉伸和多主仲裁
  • 0.5mA 至 3mA 的电流源选项系列
FeaturesBuffer, Enable pin
ProtocolsI2C
Frequency (max) (MHz)0.4
VCCA (min) (V)0.8
VCCA (max) (V)3.6
VCCB (min) (V)1.65
VCCB (max) (V)3.6
Supply restrictionsNo rule
RatingCatalog
Operating temperature range (°C)-40 to 125
VSSOP (DGK)814.7 mm² 3 x 4.9
产品购买
  • 商品型号
  • 封装
  • 工作温度
  • 包装
  • 价格
  • 现货库存
  • 操作
10s
温馨提示:
订单商品问题请移至我的售后服务提交售后申请,其他需投诉问题可移至我的投诉提交,我们将在第一时间给您答复
返回顶部