h1_key

TI(德州仪器) SN75LVPE802
德州仪器 (TI) 全系列产品在线购买
  • TI(德州仪器) SN75LVPE802
  • TI(德州仪器) SN75LVPE802
  • TI(德州仪器) SN75LVPE802
  • TI(德州仪器) SN75LVPE802
  • TI(德州仪器) SN75LVPE802
  • TI(德州仪器) SN75LVPE802
立即查看
您当前的位置: 首页 > 接口 > PCIe、SAS 和 SATA IC > SN75LVPE802
SN75LVPE802

SN75LVPE802

正在供货

双通道 8.0Gbps SATA Express 转接驱动器

产品详情
  • 说明
  • 特性
  • 参数
  • 封装 | 引脚 | 尺寸

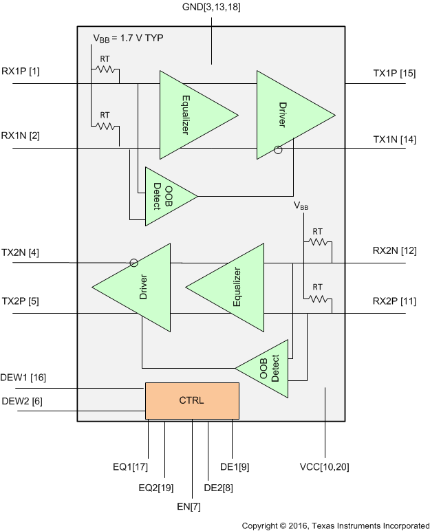
SN75LVPE802 是一款通用型双通道 SATA Express 信号调节器,最高可支持 8Gbps 的数据速率。此器件支持 SATA Gen 1、2 和 3 规范以及 PCIe 1、2 和 3。SN75LVPE802 由 3.3V 单电源供电运行,并且配有带自偏置特性的 100Ω 线路端接电阻,适用于交流耦合。输入端包含一个带外 (OOB) 检测器,可在输入差分电压低于阈值时自动抑制输出端噪声,同时保持一个稳定的共模电压。此外,该器件还被设计成依据 SATA 标准处理扩频时钟 (SSC) 传输。

SN75LVPE802 通过可选均衡设置来处理其输入端的互连损耗,能够通过编程来匹配通道中的损耗。对于 3Gbps 及以下的数据速率,SN75LVPE802 可为最大规格达 50 英寸的 FR4 电路板材料提供信号均衡。对于 8Gbps 的数据速率,该器件可为最大规格达 40 英寸的 FR4 材料提供补偿。均衡级别通过设置信号控制引脚 EQ 来控制。

发送侧有两个去加重级别可供选择,用于为输出端提供 0 或 1.2dB 的附加高频损耗补偿。

该器件支持热插拔功能(要求在差分输入和输出使用交流耦合电容),能够防止器件在热插入(例如,异步信号插/拔、不带电插/拔、带电插/拔或意外插/拔)情况下遭到损坏。

  • SATA Express 支持
  • 可选均衡和去加重功能
  • 支持热插拔功能
  • 接收器检测与带外 (OOB) 支持
  • 集成输出静噪
  • 多速率运行
    • SATA:1.5Gbps、3Gbps、6Gbps
    • PCIe:2.5Gbps、5Gbps、8Gbps
  • 出色的抖动和损耗补偿功能,支持长达 24 英寸 (61cm) 以上的 FR4 走线
  • 低功耗
    • < 220mW(典型值)
    • < 50mW(在自动低功耗模式下)
    • < 5mW(在待机模式下)
  • 20 引脚 4mm x 4mm 四方扁平无引线 (QFN) 封装
  • 较高水平的静电放电 (ESD) 瞬态保护
    • 人体模型 (HBM):10,000V
    • 组件充电模式 (CDM):1500V
    • 机器放电模式 (MM):200V
  • 扩展商业级温度范围为 0°C 至 85°C
TypeRedriver
ProtocolsPCIe1, PCIe2, PCIe3, SAS1, SAS2, SAS3, SATA1, SATA2, SATA3
ApplicationsPCIe, SATA Express
Number of channels2
Speed (max) (Gbps)8
Supply voltage (V)3.3
RatingCatalog
Operating temperature range (°C)0 to 85
WQFN (RTJ)2016 mm² 4 x 4
产品购买
  • 商品型号
  • 封装
  • 工作温度
  • 包装
  • 价格
  • 现货库存
  • 操作
10s
温馨提示:
订单商品问题请移至我的售后服务提交售后申请,其他需投诉问题可移至我的投诉提交,我们将在第一时间给您答复
返回顶部