h1_key

TI(德州仪器) TUSB322I
德州仪器 (TI) 全系列产品在线购买
  • TI(德州仪器) TUSB322I
  • TI(德州仪器) TUSB322I
  • TI(德州仪器) TUSB322I
  • TI(德州仪器) TUSB322I
  • TI(德州仪器) TUSB322I
  • TI(德州仪器) TUSB322I
立即查看
您当前的位置: 首页 > 接口 > USB IC > USB 集线器和控制器 > TUSB322I
TUSB322I

TUSB322I

正在供货

支持 VCONN 的 USB Type-C 配置通道逻辑和端口控制

产品详情
  • 说明
  • 特性
  • 参数
  • 封装 | 引脚 | 尺寸

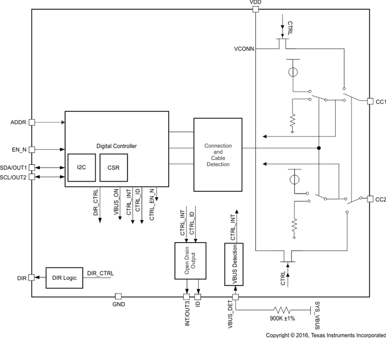
TUSB322I 器件可在 USB Type-C 端口上实现 Type-C 生态系统所需的配置通道 (CC) 逻辑。TUSB322I 器件使用 CC 引脚来确定端口的连接状态和电缆方向,以及进行角色检测和 Type-C 电流模式控制。TUSB322I 器件可配置为下行端口 (DFP)、上行端口 (UFP) 或双角色端口 (DRP),因此成为任何应用的理想选择。

根据 Type-C 规范,TUSB322I 器件会交替配置为 DFP 或 UFP。CC 逻辑块通过监视 CC1 和 CC2 引脚上的上拉或下拉电阻,以确定何时连接了 USB 端口、电缆的方向以及检测到的角色。CC 逻辑根据检测到的角色来确定 Type-C 电流模式为默认、中等还是高。该逻辑通过实施 VBUS 检测来确定端口在 UFP 和 DRP 模式下是否连接成功。当检测到有源电缆时,TUSB322I 将为 VCONN 供电。

该器件能够在宽电源范围内工作,并且具有较低功耗。TUSB322I 器件可在工业级温度范围内工作。

  • USB Type-C™规范 1.1
  • 向后兼容 USB Type-C 规范 1.0
  • 支持高达 3A 的电流通告和检测
  • 模式配置
    • 仅主机 - 下行端口 (DFP)/源设备(仅限 I2C 模式)
    • 仅器件 – 上行端口 (UFP)/接收设备(仅限 I2C 模式)
    • 双角色端口 – DRP
  • 通道配置 (CC)
    • USB 端口连接检测
    • 电缆方向检测
    • 角色检测
    • Type-C 电流模式(默认、中等和高)+u
  • VBUS 检测
  • I2C 或 GPIO 控制
  • 针对有源电缆提供 VCONN 支持
  • 外部开关电缆检测与
    方向控制
  • 通过 I2C 实现角色配置控制
  • 电源电压:4.5V 至 5.5V
  • 低电流消耗
  • 工业温度范围:–40°C 至 85°C
FunctionType-C
USB speed (MBits)10000
TypeCC controller
Supply voltage (V)4.5, 5.5
RatingCatalog
Operating temperature range (°C)-40 to 85
X2QFN (RWB)122.56 mm² 1.6 x 1.6
产品购买
  • 商品型号
  • 封装
  • 工作温度
  • 包装
  • 价格
  • 现货库存
  • 操作
10s
温馨提示:
订单商品问题请移至我的售后服务提交售后申请,其他需投诉问题可移至我的投诉提交,我们将在第一时间给您答复
返回顶部