h1_key

TI(德州仪器) SN65HVD63
德州仪器 (TI) 全系列产品在线购买
  • TI(德州仪器) SN65HVD63
  • TI(德州仪器) SN65HVD63
  • TI(德州仪器) SN65HVD63
  • TI(德州仪器) SN65HVD63
  • TI(德州仪器) SN65HVD63
  • TI(德州仪器) SN65HVD63
立即查看
您当前的位置: 首页 > 接口 > 其他接口 > SN65HVD63
SN65HVD63

SN65HVD63

正在供货

AISG® 3.0 开关键控同轴调制解调器收发器

产品详情
  • 说明
  • 特性
  • 参数
  • 封装 | 引脚 | 尺寸

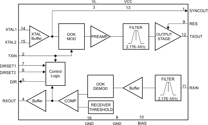
SN65HVD63 收发器对逻辑(基带)接口和适用于长同轴介质的频率之间的信号进行调制和解调,以便无线设备之间进行有线数据传输。

SN65HVD63 器件是一款集成 AISG 收发器,旨在满足即将推行的“天线接口标准组织 v3.0 规范”的要求。

SN65HVD63 接收器集成了一个有源带通滤波器,这样即使存在寄生频率组件仍然能够解调信号。 该滤波器的中心频率为 2.176MHz。

发送器支持在 +0dBm 至 6dBm 的范围内调节为 50Ω 同轴电缆提供的输出功率。 SN65HVD63 发送器符合 AISG 标准针对发射频谱的要求。

该器件提供的方向控制输出使得对 RS-485 接口的总线仲裁更加便捷。 该器件为晶振集成了一个振荡器输入,并且接受到振荡器的标准时钟输入。

  • 3V 至 5.5V 电源范围
  • 1.6V 至 5.5V 独立逻辑电源
  • –15dBm 至 +5dBm 接收器
    宽输入动态范围
  • 可在 0dBm 至 6dBm 范围内调节
    驱动器为同轴电缆提供的功率
  • AISG 符合 V2.0 的输出辐射配置文件
    同时符合即将推行的 AISG V3.0 规范
  • 低功耗待机模式
  • 针对 RS-485 总线仲裁的
    方向控制输出
  • 支持最高达 115kbps 的信号传输速率
  • 集成有源带通滤波器的中心频率
    为 2.176MHz
  • 16 引脚 3mm × 3mm 超薄型四方扁平无引线 (VQFN) 封装

应用

  • AISG - 针对天线线路器件的接口
  • 塔顶放大器 (TMA)
  • 普通调制解调器 (Modem) 接口

All trademarks are the property of their respective owners.

ProtocolsRS485 to AISG 2.0
RatingCatalog
Operating temperature range (°C)-40 to 105
VQFN (RGT)169 mm² 3 x 3
产品购买
  • 商品型号
  • 封装
  • 工作温度
  • 包装
  • 价格
  • 现货库存
  • 操作
10s
温馨提示:
订单商品问题请移至我的售后服务提交售后申请,其他需投诉问题可移至我的投诉提交,我们将在第一时间给您答复
返回顶部