h1_key

TI(德州仪器) ONET1130EC
德州仪器 (TI) 全系列产品在线购买
  • TI(德州仪器) ONET1130EC
  • TI(德州仪器) ONET1130EC
  • TI(德州仪器) ONET1130EC
  • TI(德州仪器) ONET1130EC
  • TI(德州仪器) ONET1130EC
  • TI(德州仪器) ONET1130EC
立即查看
您当前的位置: 首页 > 接口 > 光纤网络 IC > ONET1130EC
ONET1130EC

ONET1130EC

正在供货

具有双 CDR 和集成式调制器驱动器的 11.7Gbps 收发器

产品详情
  • 说明
  • 特性
  • 参数
  • 封装 | 引脚 | 尺寸

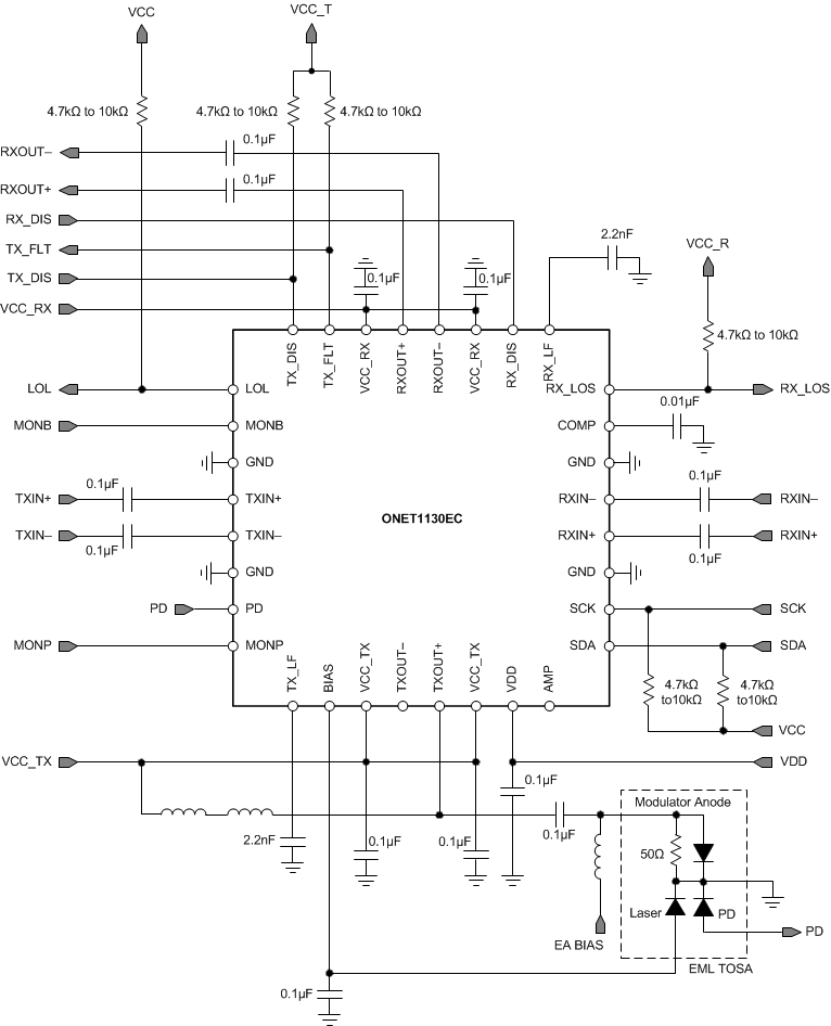
ONET1130EC 是一款具有收发时钟和数据恢复 (CDR) 功能的 2.5V 集成调制器驱动器和限幅放大器,无需参考时钟即可以 9.80Gbps 至 11.7Gbps 范围内的速率运行。 该器件包含光学和电气环回。 在 CDR 旁路模式下,器件可以较低的数据速率运行。器件可利用两线制串行接口进行数字控制。

发送路径包含 1 个可调节输入均衡器(用于均衡长达 300mm
(12 英寸)的 FR4 印刷电路板的微带传输线或带状传输线)、1 个多速率 CDR 和 1 个输出调制器驱动器。 该器件以交叉点调节和去加重的形式提供输出波形控制,从而增加光学眼图波罩余量。 该器件提供激光二极管偏置电流,并且包含集成自动功率控制 (APC) 回路,用于对平均光学功率随电压、温度和时间的变化进行补偿。

接收路径包含 1 个具有可编程均衡和阈值调节功能的限幅放大器、1 个多速率 CDR 和输出去加重功能(用于对器件输出端所连接的连接器、微带传输线或带状传输线上与频率相关的损耗进行补偿)。接收器输出幅值和信号损失有效电平都是可以调节的。

All trademarks are the property of their respective owners.

ONET1130EC 内置模数转换器和数模转换器,可对收发器进行管理并且消除了对专用微控制器的需求。

收发器的额定工作温度范围为 –40°C 至 100°C(外壳温度),并且采用符合 RoHS 标准的小型 4mm × 4mm 32 引脚超薄型四方扁平无引线 (VQFN) 封装。

  • 双时钟和数据恢复 (CDR) 功能,支持 9.80-11.7Gbps 无参考运行
  • 两线制数字接口搭配集成的数模转换器 (DAC) 和模数转换器 (ADC) 进行控制和诊断管理
  • TX 和 RX 输出极性选择
  • 可编程的抖动传输带宽
  • 电气和光学环回
  • CDR 旁路模式,支持以低数据速率运行
  • 集成调制器驱动器,输出幅值最高可达 2 VPP(单端),偏置电流最高可达 150mA(拉电流)。
  • 具有可选监视器光电二极管 (PD) 范围的自动功率控制 (APC) 回路
  • 可编程的 TX 输入均衡器
  • TX 交叉点调节和去加重功能
  • 包括激光安全特性
  • 具有可编程信号损耗 (LOS) 阈值的集成限幅放大器
  • 可调节的 RX 均衡和输入阈值
  • 可编程的 RX 输出电压和去加重功能
  • 电源监视器和温度传感器
  • 2.5V 单电源
  • 工作温度范围:-40°C 至 100°C
  • 表面贴装 4mm x 4mm 32 引脚四方扁平无引线 (QFN) 封装(间距为 0.4mm)

应用

  • XFP 和 SFP+ 10Gbps SONET OC-192 光学收发器
  • XFP 和 SFP+ 10 GBASE-ER/ZR 光学收发器

All trademarks are the property of their respective owners.

TypeCDR and transceiver
Data rate (max) (Mbps)11700
Features2-wire digital interface control, APC loop, CDR bypass modes, Optical and electrcial loopback modes, Pin compatible to the ONET1130EP, RX LOS, TX and RX CDRs, TX and Rx de-emphasis and cross-point control, TX input equalizer
Supply current (typ) (µA)225000
Imod (A)0.15
Supply current (max) (µA)266000
Deterministic jitter (typ) (ps)4
Operating temperature range (°C)-40 to 100
VQFN (RSM)3216 mm² 4 x 4
产品购买
  • 商品型号
  • 封装
  • 工作温度
  • 包装
  • 价格
  • 现货库存
  • 操作
10s
温馨提示:
订单商品问题请移至我的售后服务提交售后申请,其他需投诉问题可移至我的投诉提交,我们将在第一时间给您答复
返回顶部