h1_key

TI(德州仪器) DS80PCI810
德州仪器 (TI) 全系列产品在线购买
  • TI(德州仪器) DS80PCI810
  • TI(德州仪器) DS80PCI810
  • TI(德州仪器) DS80PCI810
  • TI(德州仪器) DS80PCI810
  • TI(德州仪器) DS80PCI810
  • TI(德州仪器) DS80PCI810
立即查看
您当前的位置: 首页 > 接口 > PCIe、SAS 和 SATA IC > DS80PCI810
DS80PCI810

DS80PCI810

正在供货

具有均衡功能的 2.5/5.0/8.0Gbps 8 通道线性转接驱动器

产品详情
  • 说明
  • 特性
  • 参数
  • 封装 | 引脚 | 尺寸

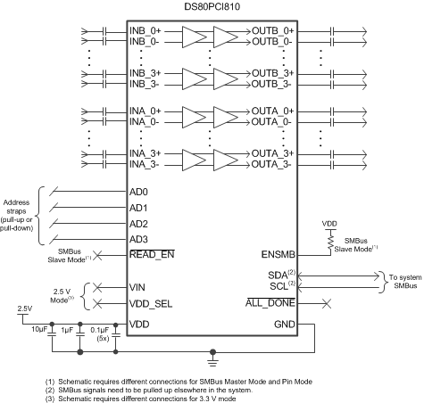
DS80PCI810 是一款超低功耗高性能中继器/转接驱动器,专用于支持高速接口速率高达 8Gbps 的八个通道,例如 PCIe 1 代、2 代和 3 代。接收器的连续时间线性均衡器 (CTLE) 后接一个线性输出驱动器,可在 4GHz (8Gbps) 时提供 2.7dB 至 9.5dB 的可编程高频增强功能。 CTLE 接收器能够打开一个因码间干扰 (ISI)(由电路板迹线或铜质同轴电缆等互连介质引起)而完全关闭的输入眼型状态。 可编程的均衡能够可在互连通道内的实体布局方面实现最大限度的灵活性并提高通道的总体性能。

当在 PCIe 应用中运行时,DS80PCI810 保留发射信号特性,从而使得主机控制器和端点能够协商发射均衡器系数。 这个链路协商协议的透明管理有助于实现系统级互用性并最大限度缩短延迟。

可通过引脚控制、软件(SMBus 或 I2C)来轻松应用相关可编程设置,或者通过外部 EEPROM 直接加载设置。 在 EEPROM 模式下,配置信息在加电时自动加载,这样就免除了对于外部微控制器或软件驱动程序的需要。

  • 每通道 70mW(典型值)的低功耗,可选择关闭不使用的通道
  • 支持无缝链路协商
  • 高级可配置信号调节 I/O
    • 4GHz 时,接收高达约 10dB 的连续时间线性均衡器 (CTLE)
    • 线性输出驱动器
    • 可变输出电压范围高达 1200mVp-p
  • 自动接收器检测(热插拔)
  • 输入至输出超低延迟:80ps(典型值)
  • 可通过引脚选择 EEPROM 或 SMBus 接口进行编程
  • 单电源电压:2.5V 或 3.3V
  • 4kV 人体模型 (HBM) 静电放电 (ESD) 额定电压
  • -40°C 至 85°C 工作温度范围
  • 10mm x 5.5mm 54 引脚超薄型四方扁平无引线 (WQFN) 封装内的直通引脚分配
  • 与 DS80PCI800 引脚兼容

应用

  • PCI Express 1 代、2 代和 3 代
  • 其它速率高达 8Gbps 的专有高速接口

All trademarks are the property of their respective owners.

TypeRedriver
ProtocolsPCIe1, PCIe2, PCIe3
ApplicationsPCIe, SAS, SATA
Number of channels8
Speed (max) (Gbps)8
Supply voltage (V)2.5, 3.3
RatingCatalog
Operating temperature range (°C)-40 to 85
WQFN (NJY)5455 mm² 10 x 5.5
产品购买
  • 商品型号
  • 封装
  • 工作温度
  • 包装
  • 价格
  • 现货库存
  • 操作
10s
温馨提示:
订单商品问题请移至我的售后服务提交售后申请,其他需投诉问题可移至我的投诉提交,我们将在第一时间给您答复
返回顶部