h1_key

TI(德州仪器) ONET1151L
德州仪器 (TI) 全系列产品在线购买
  • TI(德州仪器) ONET1151L
  • TI(德州仪器) ONET1151L
  • TI(德州仪器) ONET1151L
  • TI(德州仪器) ONET1151L
  • TI(德州仪器) ONET1151L
  • TI(德州仪器) ONET1151L
立即查看
您当前的位置: 首页 > 接口 > 光纤网络 IC > ONET1151L
ONET1151L

ONET1151L

正在供货

11.3Gbps 低功耗激光二极管驱动器

产品详情
  • 说明
  • 特性
  • 参数
  • 封装 | 引脚 | 尺寸

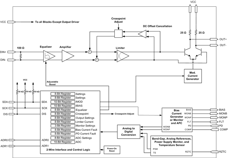
ONET1151L 器件是一款 3.3V 激光驱动器,此驱动器被设计用于直接调制一个数据速率在 1 至 11.3Gbps 之间的激光。

此器件提供一个两线制串行接口,此接口可实现对调制和偏置电流的数字控制,从而免除了对外部组件的需要。 提供形式为交叉点调整、去加重和输出端接电阻的输出波形控制来改进光眼图模板容限。 一个可选输入均衡器可被用于 FR4 印刷电路板上长达 150mm(6 英寸)的微带线或带状线传输线路的均衡。 此器件包含内部 ADC 和 DAC,以免除对于特殊用途微控制器的需要。

ONET1151L 器件包括一个集成自动功率控制 (APC) 环路,此环路对电压和温度及电路上激光平均功率变化进行补偿,以支持激光安全和收发器管理系统。

此激光驱动器可在 -40°C 至 +100°C 的环境温度范围内额定运行,并且采用小封装尺寸 4mm × 4mm,24 引脚,符合 RoHS 环保标准的 QFN 封装,此封装与 ONET1101L 器件引脚兼容。

  • 高达 85mApp 的数字可选调制电流(10Ω 负载)
  • 高达 100mA 源电流或灌电流的数字可选偏置电流
  • 用于控制和诊断管理的带有集成数模转换器 (DAC) 和模数转换器 (ADC) 的两线制数字接口
  • 自动功率控制 (APC) 环路
  • 可调输出电阻和去加重
  • 可编程输入均衡器
  • 交叉点控制
  • 可选监控器 PD 电流范围和极性
  • 包括激光安全特性
  • +3.3V 单电源
  • 温度 -40°C 至 100°C
  • 表面贴装 4mm × 4mm,24 引脚,符合 RoHS 环保标准的四方扁平无引线 (QFN) 封装
  • 与 ONET1101L 器件引脚兼容

应用范围

  • 10G 以太网光发射器
  • 8× 和 10× 光纤通道光发射器
  • 同步光网络 (SONET) OC-192 和同步数字体系 (SDH) STM-64 光发射器
  • 6G 和 10G 通用公共无线接口 (CPRI) 和开放基站架构协议 (OBSAI)
  • SFP+ 和 XFP 收发器模块

TypeLaser driver
Data rate (max) (Mbps)11300
Features2-wire digital interface control, 2.85-V VCC operation, APC loop, Adjustable ouput resistance and de-emphasis, Cross-point control, Input equalizer
Supply current (typ) (µA)120000
Imod (A)0.085
Supply current (max) (µA)135000
Deterministic jitter (typ) (ps)5
Operating temperature range (°C)-40 to 100
VQFN (RGE)2416 mm² 4 x 4
产品购买
  • 商品型号
  • 封装
  • 工作温度
  • 包装
  • 价格
  • 现货库存
  • 操作
10s
温馨提示:
订单商品问题请移至我的售后服务提交售后申请,其他需投诉问题可移至我的投诉提交,我们将在第一时间给您答复
返回顶部