h1_key

TI(德州仪器) TSS521
德州仪器 (TI) 全系列产品在线购买
  • TI(德州仪器) TSS521
  • TI(德州仪器) TSS521
  • TI(德州仪器) TSS521
  • TI(德州仪器) TSS521
  • TI(德州仪器) TSS521
  • TI(德州仪器) TSS521
立即查看
您当前的位置: 首页 > 接口 > 其他接口 > TSS521
TSS521

TSS521

正在供货

单芯片仪表总线收发器

产品详情
  • 说明
  • 特性
  • 参数
  • 封装 | 引脚 | 尺寸

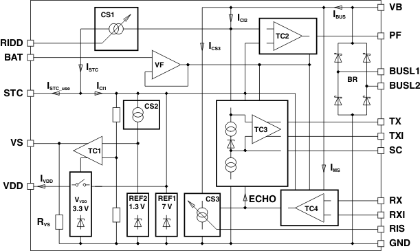
The TSS521 is a single-chip transceiver developed for Meter-Bus standard (EN1434-3) applications.

The TSS521 interface circuit adjusts the different potentials between a slave system and the Meter-Bus master. The connection to the bus is polarity independent and supports full galvanic slave isolation with optocouplers.

The circuit is supplied by the master through the bus. Therefore, this circuit offers no additional load for the slave battery. A power-fail function is integrated.

The receiver has dynamic level recognition, and the transmitter has a programmable current sink.

A 3.3-V voltage regulator with power reserve for a delayed switch off at bus fault is integrated.

  • Meter-Bus Transceiver (for Slave) Meets Standard EN1434-3
  • Receiver Logic With Dynamic Level Recognition
  • Constant-Current Sink Adjustable By Resistor
  • Polarity Independent
  • Power-Fail Function
  • Module Supply Voltage Switch
  • 3.3-V Constant Voltage Source
  • Up to 9600 Baud in Half Duplex for UART Protocol
  • Slave Power Support
    • Supply From Meter-Bus by Output VDD
    • Supply From Meter-Bus by Output VDD or From Backup Battery
    • Supply From Battery – Meter-Bus Active for Data Transmission Only
RatingCatalog
Operating temperature range (°C)-25 to 85
SOIC (D)1659.4 mm² 9.9 x 6
产品购买
  • 商品型号
  • 封装
  • 工作温度
  • 包装
  • 价格
  • 现货库存
  • 操作
10s
温馨提示:
订单商品问题请移至我的售后服务提交售后申请,其他需投诉问题可移至我的投诉提交,我们将在第一时间给您答复
返回顶部