h1_key

TI(德州仪器) DS90UA102-Q1
德州仪器 (TI) 全系列产品在线购买
  • TI(德州仪器) DS90UA102-Q1
  • TI(德州仪器) DS90UA102-Q1
  • TI(德州仪器) DS90UA102-Q1
  • TI(德州仪器) DS90UA102-Q1
  • TI(德州仪器) DS90UA102-Q1
  • TI(德州仪器) DS90UA102-Q1
立即查看
您当前的位置: 首页 > 接口 > 高速串行器/解串器 > FPD-Link 串行器/解串器 > DS90UA102-Q1
DS90UA102-Q1

DS90UA102-Q1

正在供货

多通道数字音频解串器

产品详情
  • 说明
  • 特性
  • 参数
  • 封装 | 引脚 | 尺寸

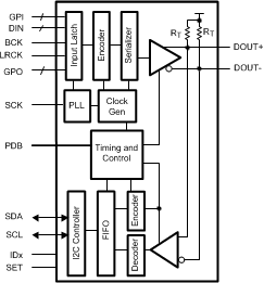
此 DS90UA102-Q1 解串器,与 DS90UA101-Q1 串行器一同使用,为多通道音频系统中数字音频分配提供了一个解决方案。 它在一个单条屏蔽双绞线或同轴电缆上借助一个嵌入式时钟用高速已串化接口接收数据。 这个串行总线系统配置在链路上支持高速数据正向传输和低速双向控制通道。 数字音频、通用 IO 和一个单差分对上控制信号的联合使用减少了互连尺寸和重量,同时也减少了与偏斜和系统延迟相关的设计问题。

此DS90UA102-Q1 解串器提取时钟,并将来自高速低压差分信令的信号电平位移至单端 LVCMOS。 此器件输出多达 8 个数字音频数据通道、字/帧同步、位时钟和系统时钟。

四个专用的通用输入引脚和四个通用输出引脚可灵活地实现与远程器件之间的控制和中断信号传输。

串行输入数据流的自适应均衡为线缆的传输介质损耗提供补偿,并减少了介质引入的确定性抖动。

  • 数字音频解串器
  • 灵活的数字音频输出,支持 I2S(立体声)和时分复用 (TMD) (多通道)格式
  • 同轴或单个差分对互连
  • 高速串行输入接口
  • 极低延迟 (< 15µs)
  • 具有 I2C 兼容串行控制总线的双向控制接口通道
  • 支持多达 8 个立体声 I2S 或 TDM 音频输出
  • 支持 10MHz 至 50MHz 的音频系统时钟
  • 单个 1.8V 电源
  • 1.8V 或 3.3V I/O 接口
  • 4/4 个专用通用输入/输出
  • 长达 15m 的交流耦合屏蔽双绞线 (STP) 或同轴电缆
  • 具有嵌入式时钟的直流均衡 & 扰频数据
  • 自适应电缆均衡
  • 全速链路内置自检 (BIST) 模式和锁定 (LOCK) 状态引脚
  • 汽车应用级产品:符合 AEC-Q100 2 级要求
  • 温度范围:-40°C 至 105°C
  • 符合 ISO 10605 以及 IEC 61000-4-2 静电放电 (ESD) 标准

应用范围

  • 汽车信息娱乐系统
  • 主动噪声消除系统
  • 分布式多通道音频系统

FunctionDeserializer
Color depth (bps)8
Input compatibilityFPD-Link III LVDS
Output compatibilityLVCMOS
FeaturesLow-EMI Point-to-Point Communication
EMI reductionLVDS
DiagnosticsBIST
RatingAutomotive
Operating temperature range (°C)-40 to 105
WQFN (RHS)4849 mm² 7 x 7
产品购买
  • 商品型号
  • 封装
  • 工作温度
  • 包装
  • 价格
  • 现货库存
  • 操作
10s
温馨提示:
订单商品问题请移至我的售后服务提交售后申请,其他需投诉问题可移至我的投诉提交,我们将在第一时间给您答复
返回顶部