h1_key

TI(德州仪器) ONET1151M
德州仪器 (TI) 全系列产品在线购买
  • TI(德州仪器) ONET1151M
  • TI(德州仪器) ONET1151M
  • TI(德州仪器) ONET1151M
  • TI(德州仪器) ONET1151M
  • TI(德州仪器) ONET1151M
  • TI(德州仪器) ONET1151M
立即查看
您当前的位置: 首页 > 接口 > 光纤网络 IC > ONET1151M
ONET1151M

ONET1151M

正在供货

具有输出波形整形的 11.35Gbps 差分调制器驱动器

产品详情
  • 说明
  • 特性
  • 参数
  • 封装 | 引脚 | 尺寸

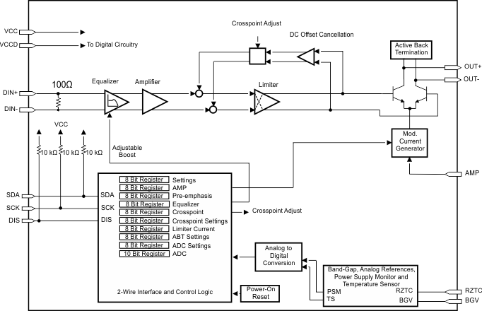
ONET1151M 是一款高速,3.3V 调制器驱动器,此驱动器设计用来调制一个数据速率介于 1Gbps 到最高 11.35Gbps 的差分驱动马赫-曾德尔 (Mach Zehnder) 调制器。

可使用一个外部施加的电压来控制输出摆幅。 一个 2 线制接口可实现对均衡器、输出预加重、眼图交叉点、上升和下降时间以及摆幅的数字控制,从而免除了对于外部组件的需要。 提供以预加重、交叉点调整以及上升和下降时间调整的形式进行输出波形控制来改进光眼图模板容限。

一个 5GHz 时具有 10dB 提升的可选输入均衡器可被用于实现FR4 印刷电路板上微带线和带状线传输线路的高达 300mm(12 英寸)的均衡。

此调制器驱动器可在外壳温度介于 -40°C 至 100°C 时运行并采用一个小型封装 3mm x 3mm 16 引脚并与 RoHS 环保标准兼容的 QFN 封装。

  • 1.5VPP单端输出电压进入一个 50Ω 负载
  • 可编程输入均衡器
  • 输出预加重
  • 可调上升和下降时间
  • 交叉点控制
  • 输出极性选择
  • 2 线制数字接口
  • 3.3V 单电源
  • -40°C 至 100°C 运行
  • 表明贴装 3mm x 3mm 16 引脚符合 RoHS 环保标准的四方扁平无引线 (QFN) 封装
TypeLaser driver
Data rate (max) (Mbps)11350
Features2-wire digital interface control, Adjustable rise and fall times, Cross-point control, Input equalizer, Output polarity select
Supply current (typ) (µA)100000
Imod (A)1.5Vpp SE
Supply current (max) (µA)100000
Deterministic jitter (typ) (ps)5
Operating temperature range (°C)-40 to 100
VQFN (RGT)169 mm² 3 x 3
产品购买
  • 商品型号
  • 封装
  • 工作温度
  • 包装
  • 价格
  • 现货库存
  • 操作
10s
温馨提示:
订单商品问题请移至我的售后服务提交售后申请,其他需投诉问题可移至我的投诉提交,我们将在第一时间给您答复
返回顶部