h1_key

TI(德州仪器) DS80PCI102
德州仪器 (TI) 全系列产品在线购买
  • TI(德州仪器) DS80PCI102
  • TI(德州仪器) DS80PCI102
  • TI(德州仪器) DS80PCI102
  • TI(德州仪器) DS80PCI102
  • TI(德州仪器) DS80PCI102
  • TI(德州仪器) DS80PCI102
立即查看
您当前的位置: 首页 > 接口 > PCIe、SAS 和 SATA IC > DS80PCI102
DS80PCI102

DS80PCI102

正在供货

具有均衡和去加重功能的 2.5/5.0/8.0Gbps 1 通道 PCI Express 转接驱动器

产品详情
  • 说明
  • 特性
  • 参数
  • 封装 | 引脚 | 尺寸

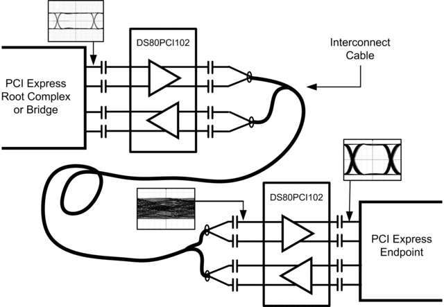
The DS80PCI102 is a low-power, 1-lane repeater with 4-stage input equalization, and an output de-emphasis driver to enhance the reach of PCI-Express serial links in board-to-board or cable interconnects. The device is ideal for x1 PCI-Express configuration, and it automatically detects and adapts to Gen-1, Gen-2, and Gen-3 data rates for easy system upgrade.

DS80PCI102 offers programmable transmit de-emphasis (up to 12 dB), transmit VOD (up to 1300 mVp-p), and receive equalization (up to 36 dB) to enable longer distance transmission in lossy copper cables (10 meters or more), or backplanes (40 inches or more) with multiple connectors. The receiver can open an input eye that is completely closed due to inter-symbol interference (ISI) introduced by the interconnect medium.

The programmable settings can be applied easily through pins or software (SMBus/I2C), or can be loaded through an external EEPROM. When operating in the EEPROM mode, the configuration information is automatically loaded on power up, which eliminates the need for an external microprocessor or software driver.

  • Comprehensive Family, Proven System
    Interoperability
    • DS80PCI102: x1 PCIe
      Gen-1, Gen-2, and Gen-3
    • DS80PCI402: x4 PCIe
      Gen-1, Gen-2, and Gen-3
    • DS80PCI800: x8/x16 PCIe
      Gen-1, Gen-2, and Gen-3
  • Automatic Rate-Detect and Adaptation to
    Gen-1, Gen-2, and Gen-3 Speeds
  • Seamless Support for Gen-3 Transmit FIR
    Handshake
  • Receiver EQ (up to 36 dB), Transmit De-
    Emphasis (up to –12 dB)
  • Adjustable Transmit VOD: 0.7 to 1.3 Vp-p (Pin
    Mode)
  • 0.2 UI of Residual Deterministic Jitter at 8 Gbps
    After 40 Inches of FR4 or 10 m 30-awg PCIe
    Cable
  • Low Power Dissipation With Ability to Turn Off
    Unused Channels: 65 mW/Channel
  • Automatic Receiver Detect (Hot-Plug)
  • Multiple Configuration Modes: Pins/SMBus/Direct-
    EEPROM Load
  • Flow-Thru Pinout in 4-mm × 4-mm 24-Pin
    Leadless WQFN Package
  • Single Supply Voltage: 2.5 V or 3.3 V (Selectable)
  • ±5-kV HBM ESD Rating
  • −40°C to 85°C Operating Temperature Range
TypeRedriver
ProtocolsGeneral purpose, PCIe1, PCIe2, PCIe3, sRIO
ApplicationsPCIe, SAS, SATA
Number of channels2
Speed (max) (Gbps)8
Supply voltage (V)2.5, 3.3
RatingCatalog
Operating temperature range (°C)-40 to 85
WQFN (RTW)2416 mm² 4 x 4
产品购买
  • 商品型号
  • 封装
  • 工作温度
  • 包装
  • 价格
  • 现货库存
  • 操作
10s
温馨提示:
订单商品问题请移至我的售后服务提交售后申请,其他需投诉问题可移至我的投诉提交,我们将在第一时间给您答复
返回顶部