h1_key

TI(德州仪器) DS125MB203
德州仪器 (TI) 全系列产品在线购买
  • TI(德州仪器) DS125MB203
  • TI(德州仪器) DS125MB203
  • TI(德州仪器) DS125MB203
  • TI(德州仪器) DS125MB203
  • TI(德州仪器) DS125MB203
  • TI(德州仪器) DS125MB203
立即查看
您当前的位置: 首页 > 接口 > 以太网 IC > 以太网重定时器、转接驱动器和多路复用器缓冲器 > DS125MB203
DS125MB203

DS125MB203

正在供货

12.5Gbps 双端口多路复用器和扇出缓冲器

产品详情
  • 说明
  • 特性
  • 参数
  • 封装 | 引脚 | 尺寸

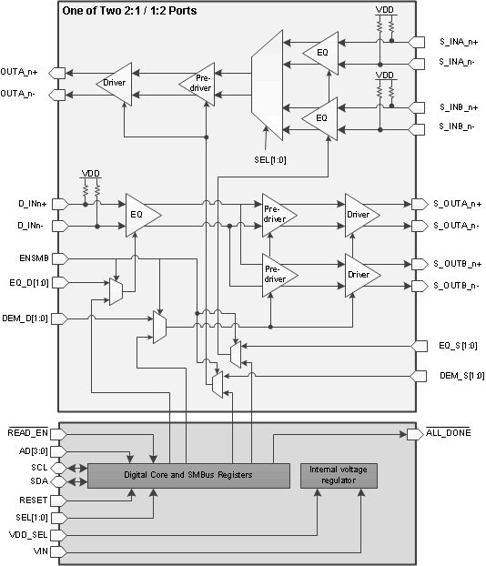
DS125MB203 器件是一款具有信号调节功能的双端口 2:1 复用器和 1:2 开关或扇出缓冲器,适用于数据传输速率最高可达 12.5Gbps 的 10GE、10G-KR (802.3ap)、光纤通道、PCIe、无线带宽、SATA3/SAS2 和 其他高速总线 应用。接收器的连续时间线性均衡器 (CTLE) 可提供必要的升压性能,从而在 12.5Gbps 的速率下对长达 30 英寸的 FR-4 或 8M 电缆 (AWG-24) 进行补偿。该片上特性免除了对外部信号调节器的需求。发送器 具有 可编程幅值电压等级,可在 600 mVp-p 至 1300 mVp-p 范围内进行选择,同时实现高达 12dB 的去加重。

DS125MB203 可配置为支持 PCIe、SAS/SATA、10G-KR 或其他信号传输协议。在 10G-KR 和 PCIe 3 代模式下运行时,DS125MB203 以透明方式允许主机控制器和端点优化完整链路并协商发送均衡器系数。这种链路协商协议的无缝管理可确保系统级互操作性并最大限度地降低延迟。

这种可编程设置可通过引脚设置、SMBus (I2C) 协议进行应用,或者直接从外部 EEPROM 载入。当运行在 EEPROM 模式下时,配置信息在加电时自动载入,这样就免除了对于外部微控制器或软件驱动程序的需要。

  • 12.5Gbps 双通道 2:1 复用器,1:2 开关或扇出
  • 低至 390mW 的总功耗(典型值)
  • 高级信号调节 功能:
    • 频率为 6.25GHz 时,最高可支持 30dB 的接收均衡功能
    • 发送去加重功能高达 –12dB
    • 发送输出电压控制:600mV 至 1300mV
  • 可通过引脚选择、电可擦可编程只读存储器 (EEPROM) 或 SMBus 接口进行编程
  • 2.5V 或 3.3V 可选电源电压
  • 运行温度范围:–40°C 至 +85°C

应用

  • 10GE,10G-KR
  • PCIe 1 代/2 代/3 代
  • SAS2/SATA3(最高可达 6Gbps)
  • XAUI,RXAUI

All trademarks are the property of their respective owners. All trademarks are the property of their respective owners.

TypeMux Buffer
Number of channels4
Input compatibilityAC-coupling
Speed (max) (Gbps)12.5
ProtocolsCPRI, Fibre Channel, General purpose, Infiniband, Interlaken, OBSAI, PCIe1, PCIe2, PCIe3, SAS/SATA, sRIO
Operating temperature range (°C)-40 to 85
WQFN (NJY)5455 mm² 10 x 5.5
产品购买
  • 商品型号
  • 封装
  • 工作温度
  • 包装
  • 价格
  • 现货库存
  • 操作
10s
温馨提示:
订单商品问题请移至我的售后服务提交售后申请,其他需投诉问题可移至我的投诉提交,我们将在第一时间给您答复
返回顶部