h1_key

TI(德州仪器) TPD1E6B06
德州仪器 (TI) 全系列产品在线购买
  • TI(德州仪器) TPD1E6B06
  • TI(德州仪器) TPD1E6B06
  • TI(德州仪器) TPD1E6B06
  • TI(德州仪器) TPD1E6B06
  • TI(德州仪器) TPD1E6B06
  • TI(德州仪器) TPD1E6B06
立即查看
您当前的位置: 首页 > 接口 > 二极管 > ESD 保护二极管 > TPD1E6B06
TPD1E6B06

TPD1E6B06

正在供货

采用 0201 封装的单通道 6pF、±5.5V、±15kV ESD 保护二极管

产品详情
  • 说明
  • 特性
  • 参数
  • 封装 | 引脚 | 尺寸

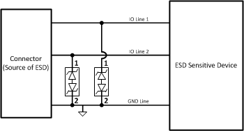
TPD1E6B06 器件是一款用于静电放电 (ESD) 保护的单通道瞬态电压抑制器 (TVS) 二极管,采用小型 0201 封装。TPD1E6B06 的额定 ESD 冲击消散值高于 IEC 61000-4-2 4 级国际标准中规定的最高水平,并且具有 ±15kV 接触放电和 ±15kV 气隙 ESD 保护。该器件提供背靠背 TVS 二极管配置以支持双极或双向信号。6pF 线路电容适合为多种应用提供瞬态电压抑制电路 保护,支持的数据速率高达
800Mbps。

TPD1E6B06 的典型应用接口包括音频线路(麦克风、耳机和扬声器)、SD 接口、键盘或其他按钮以及 USB 端口的 VBUS 和 ID 引脚。TPD1E6B06 采用行业标准 0201 封装,因此体积超小,非常适合手机、平板电脑和可穿戴设备等空间受限类终端设备。

  • IEC 61000-4-2 4 级静电放电 (ESD) 保护
    • ±15kV 接触放电
    • ±15kV 气隙放电
  • IEC 61000-4-5 浪涌:3.8A (8/20µs)
  • I/O 电容:6pF(典型值)
  • RDYN:0.55Ω(典型值)
  • 直流击穿电压:±6V(最小值)
  • 低泄漏电流 10nA(典型值)
  • 低 ESD 钳位电压
  • 工业温度范围:-40°C 至 125°C
  • 节省空间的 0201 封装
    (0.6mm × 0.3mm × 0.3mm)

应用

  • 终端设备
    • 移动电话
    • 平板电脑
    • 可穿戴产品
    • 远程控制器
    • 电子销售点 (EPOS)
  • 接口
    • 音频线路
    • 通用输入/输出 (GPIO)
    • 按钮

All trademarks are the property of their respective owners.

Package nameDFN-0603 (X2SON)
Vrwm (V)5
Bi-/uni-directionalBi-directional
Number of channels1
IO capacitance (typ) (pF)6
Clamping voltage (V)10
Breakdown voltage (min) (V)6
X2SON (DPL)20.18 mm² 0.6 x 0.3
产品购买
  • 商品型号
  • 封装
  • 工作温度
  • 包装
  • 价格
  • 现货库存
  • 操作
10s
温馨提示:
订单商品问题请移至我的售后服务提交售后申请,其他需投诉问题可移至我的投诉提交,我们将在第一时间给您答复
返回顶部