h1_key

TI(德州仪器) DS64BR111
德州仪器 (TI) 全系列产品在线购买
  • TI(德州仪器) DS64BR111
  • TI(德州仪器) DS64BR111
  • TI(德州仪器) DS64BR111
  • TI(德州仪器) DS64BR111
  • TI(德州仪器) DS64BR111
  • TI(德州仪器) DS64BR111
立即查看
您当前的位置: 首页 > 接口 > 以太网 IC > 以太网重定时器、转接驱动器和多路复用器缓冲器 > DS64BR111
DS64BR111

DS64BR111

正在供货

具有输入均衡和输出去加重功能的 6.4Gbps 超低功耗 2 通道转接驱动器

产品详情
  • 说明
  • 特性
  • 参数
  • 封装 | 引脚 | 尺寸

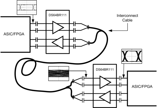
The DS64BR111 is an extremely low power, high performance dual-channel repeater for serial links with data rates up to 6.4 Gbps. The DS64BR111 pinout is configured as one bidirectional lane (one transmit, one receive channel).

The DS64BR111 features a powerful 4-stage continuous time linear equalizer (CTLE) to provide a boost of up to +25 dB at 3.2 GHz and open an input eye that is completely closed due to inter-symbol interference (ISI) induced by the interconnect mediums such as an FR-4 backplane or AWG-30 cables. The transmitter features a programmable output de-emphasis driver with up to -12 dB and allows amplitude voltage levels to be selected from 700 mVp-p to 1200 mVp-p to suit multiple application scenarios.

The programmable settings can be applied via pin settings, SMBus (I2C) protocol or an external EEPROM. When operating in the EEPROM mode, the configuration information is automatically loaded on power up – This eliminates the need for an external microprocessor or software driver.

Part of TI's PowerWise family of energy efficient devices, the DS64BR111 consumes just 65 mW/channel (typical), and allow the option to turn-off unused channels. This ultra low power consumption eliminates the need for external heat sinks and simplifies thermal management in active cable applications.

  • Two Channel Repeater for up to 6.4 Gbps
    • DS64BR111 : 1x Bidirectional Lane
  • Low 65mW/Channel (Typical) Power Consumption, with Option to Power Down Unused Channels
  • Advanced Signal Conditioning Features
    • Receive Equalization up to +25 dB
    • Transmit De-Emphasis up to -12 dB
    • Transmit VOD Control: 700 to 1200 mVp-p
    • < 0.2 UI of Residual DJ at 6.4 Gbps
  • Programmable via Pin Selection, EEPROM or SMBus Interface
  • Single Supply Operation Selectable: 2.5V or 3.3v
  • Flow-Thru Pinout in 4mmx4mm 24-Pin Leadless WQFN Package
  • >5kV HBM ESD Rating
  • Industrial -40 to 85°C Operating Temperature Range

All trademarks are the property of their respective owners.

TypeRedriver
Number of channels2
Input compatibilityAC-coupling, CML
Speed (max) (Gbps)6.4
ProtocolsCPRI, Fibre Channel, General purpose, Infiniband, SAS/SATA, sRIO
Operating temperature range (°C)-40 to 85
WQFN (RTW)2416 mm² 4 x 4
产品购买
  • 商品型号
  • 封装
  • 工作温度
  • 包装
  • 价格
  • 现货库存
  • 操作
10s
温馨提示:
订单商品问题请移至我的售后服务提交售后申请,其他需投诉问题可移至我的投诉提交,我们将在第一时间给您答复
返回顶部