h1_key

TI(德州仪器) SN65LVDS050-Q1
德州仪器 (TI) 全系列产品在线购买
  • TI(德州仪器) SN65LVDS050-Q1
  • TI(德州仪器) SN65LVDS050-Q1
  • TI(德州仪器) SN65LVDS050-Q1
  • TI(德州仪器) SN65LVDS050-Q1
  • TI(德州仪器) SN65LVDS050-Q1
  • TI(德州仪器) SN65LVDS050-Q1
立即查看
您当前的位置: 首页 > 接口 > LVDS、M-LVDS 和 PECL IC > SN65LVDS050-Q1
SN65LVDS050-Q1

SN65LVDS050-Q1

正在供货

汽车类高速差动线路驱动器和接收器

产品详情
  • 说明
  • 特性
  • 参数
  • 封装 | 引脚 | 尺寸

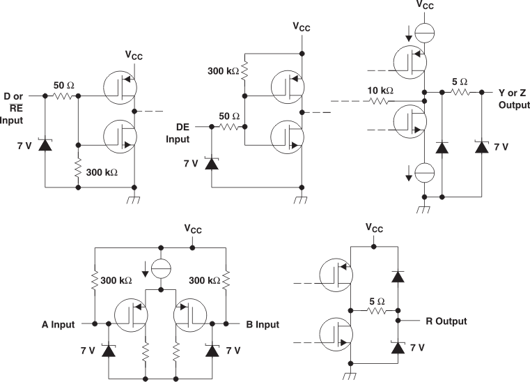
The SN65LVDS180, SN65LVDS050, and SN65LVDS051 are differential line drivers and receivers that use low-voltage differential signaling (LVDS) to achieve signaling rates as high as 400 Mbps. The TIA/EIA-644 standard compliant electrical interface provides a minimum differential output voltage magnitude of 247 mV into a 100-Ω load and receipt of 50-mV signals with up to 1 V of ground potential difference between a transmitter and receiver.

The intended application of this device and signaling technique is for point-to-point baseband data transmission over controlled impedance media of approximately 100-Ω characteristic impedance. The transmission media may be printed-circuit board traces, backplanes, or cables. (Note: The ultimate rate and distance of data transfer is dependent upon the attenuation characteristics of the media, the noise coupling to the environment, and other application specific characteristics).

The devices offer various driver, receiver, and enabling combinations in industry standard footprints. Since these devices are intended for use in simplex or distributed simplex bus structures, the driver enable function does not put the differential outputs into a high-impedance state but rather disconnects the input and reduces the quiescent power used by the device. (For these functions with a high-impedance driver output, see the SN65LVDM series of devices.) All devices are characterized for operation from −40°C to 85°C.

  • Qualified for Automotive Applications
  • ESD Protection Exceeds 2000 V Per MIL-STD-883, Method 3015;
    Exceeds 200 V Using Machine Model (C = 200 pF, R = 0)
  • Meets or Exceeds the Requirements of ANSI TIA/EIA-644-1995 Standard
  • Signaling Rates up to 400 Mbps
  • Bus-Terminal ESD Exceeds 12 kV
  • Operates From a Single 3.3-V Supply
  • Low-Voltage Differential Signaling With Typical Output Voltages of 350 mV and a
    100-Ω Load
  • Propagation Delay Times
    • Driver: 1.7 ns Typ
    • Receiver: 3.7 ns Typ
  • Power Dissipation at 200 MHz
    • Driver: 25 mW Typical
    • Receiver: 60 mW Typical
  • LVTTL Input Levels Are 5-V Tolerant
  • Receiver Maintains High Input Impedance With VCC < 1.5 V
  • Receiver Has Open-Circuit Fail Safe

FunctionTransceiver
ProtocolsLVDS
Number of transmitters2
Number of receivers2
Supply voltage (V)3.3
Signaling rate (MBits)100, 400
Input signalLVDS, LVTTL
Output signalLVDS, LVTTL
RatingAutomotive
Operating temperature range (°C)-40 to 85
TSSOP (PW)1632 mm² 5 x 6.4
产品购买
  • 商品型号
  • 封装
  • 工作温度
  • 包装
  • 价格
  • 现货库存
  • 操作
10s
温馨提示:
订单商品问题请移至我的售后服务提交售后申请,其他需投诉问题可移至我的投诉提交,我们将在第一时间给您答复
返回顶部