h1_key

TI(德州仪器) LP8727
德州仪器 (TI) 全系列产品在线购买
  • TI(德州仪器) LP8727
  • TI(德州仪器) LP8727
  • TI(德州仪器) LP8727
  • TI(德州仪器) LP8727
  • TI(德州仪器) LP8727
  • TI(德州仪器) LP8727
立即查看
您当前的位置: 首页 > 接口 > USB IC > USB 转接驱动器和多路复用器 > LP8727
LP8727

LP8727

正在供货

具有集成 28V 线性充电器的微型到迷你 USB 接口

产品详情
  • 说明
  • 特性
  • 参数
  • 封装 | 引脚 | 尺寸

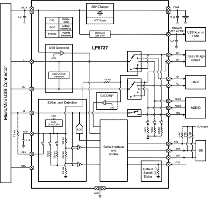
The LP8727 is designed to provide automatic multiplexing switches between Micro/Mini USB connector and USB, UART and Audio paths in cellular phone applications. It also contains a single-input Li-Ion battery charger and an overvoltage-protected LDO. Programming is handled via an I2C-compatible Serial Interface allowing control of charger, multiplexing switches, and reading status information of the device.

The multiplexing switches on USB and UART support high-speed USB, and Audio inputs can be driven to negative voltage rail. The LP8727 is compatible with USB charging specifications rev 1.1 from USB IF.

The Li-Ion charger requires few external components and integrates the power FET. Charging is thermally regulated to obtain the most efficient charging rate for a given ambient temperature. It has Overvoltage Protection (OVP) circuit at the charger input protects the PMU from input voltages up to +28V, eliminating the need for any external protection circuitry.

An overvoltage-protected LDO which can supply up to 50 mA is designed for powering up a low-voltage USB transceiver or waking up a PMU (Power Management Unit) when an external power source (either USB VBUS or wall adapter) is connected to the USB connector.

The LP8727 PMU is available in 25-bump 0.4 mm pitch thin DSBGA package (2.015 mm x 2.015 mm).

  • USB Multiplexing Switches
    • High-Speed USB on USB and UART Inputs
    • Negative Voltage Rail on Audio Inputs
    • Internal LDO for ID Detection and MIC Bias
    • Compatible with USB Charging Specification Rev. 1.1
    • DSS Input for Default Switch Connection
    • Low-Power MIC Standby Mode
  • Linear Charge with Single Input
    • 28 OVP on VBUS Input
    • High-Current Mode for Production Test
    • Thermal Regulation
  • Over-Voltage Protected LDO for USB Transceivers and PMU Wakeup
  • UVLO (Undervoltage Lock Out)
  • Interrupt Request to Reduce SW Polling
    • USB / ID Detection
    • SEND / END Button Detection
    • Mic Removal
    • OVLO / UVLO on VBUS
    • Charger Status
  • Thermal Shutdown Protection
  • I2C-compatible Serial Interface
  • 25-Bump 0.4 mm Pitch Thin DSBGA Package

All trademarks are the property of their respective owners.

USB speed (MBits)480
Number of channels2
Supply voltage (max) (V)7
Supply voltage (min) (V)2.5
Ron (typ) (mΩ)2500
Input/output voltage (min) (V)-2
Input/output voltage (max) (V)7
Configuration3
FeaturesAudio Switch (Negative Rail Capability), BCv1.1 Charger Detection, I2C interface, Integrated LDO, Over-Voltage Tolerance (OVT), Standby Mode, Thermal Regulation and Shutdown, UART, USB 2.0, Undervoltage Lock Out (UVLO)
RatingCatalog
Operating temperature range (°C)-40 to 85
Supply current (max) (µA)400
ESD HBM (typ) (kV)2
Bandwidth (MHz)480
DSBGA (YFQ)254.84 mm² 2.2 x 2.2
产品购买
  • 商品型号
  • 封装
  • 工作温度
  • 包装
  • 价格
  • 现货库存
  • 操作
10s
温馨提示:
订单商品问题请移至我的售后服务提交售后申请,其他需投诉问题可移至我的投诉提交,我们将在第一时间给您答复
返回顶部