h1_key

TI(德州仪器) SN75DP130
德州仪器 (TI) 全系列产品在线购买
  • TI(德州仪器) SN75DP130
  • TI(德州仪器) SN75DP130
  • TI(德州仪器) SN75DP130
  • TI(德州仪器) SN75DP130
  • TI(德州仪器) SN75DP130
  • TI(德州仪器) SN75DP130
立即查看
您当前的位置: 首页 > 接口 > HDMI、DisplayPort 和 MIPI IC > SN75DP130
SN75DP130

SN75DP130

正在供货

5.4Gbps DP 1.2 受限转接驱动器

产品详情
  • 说明
  • 特性
  • 参数
  • 封装 | 引脚 | 尺寸

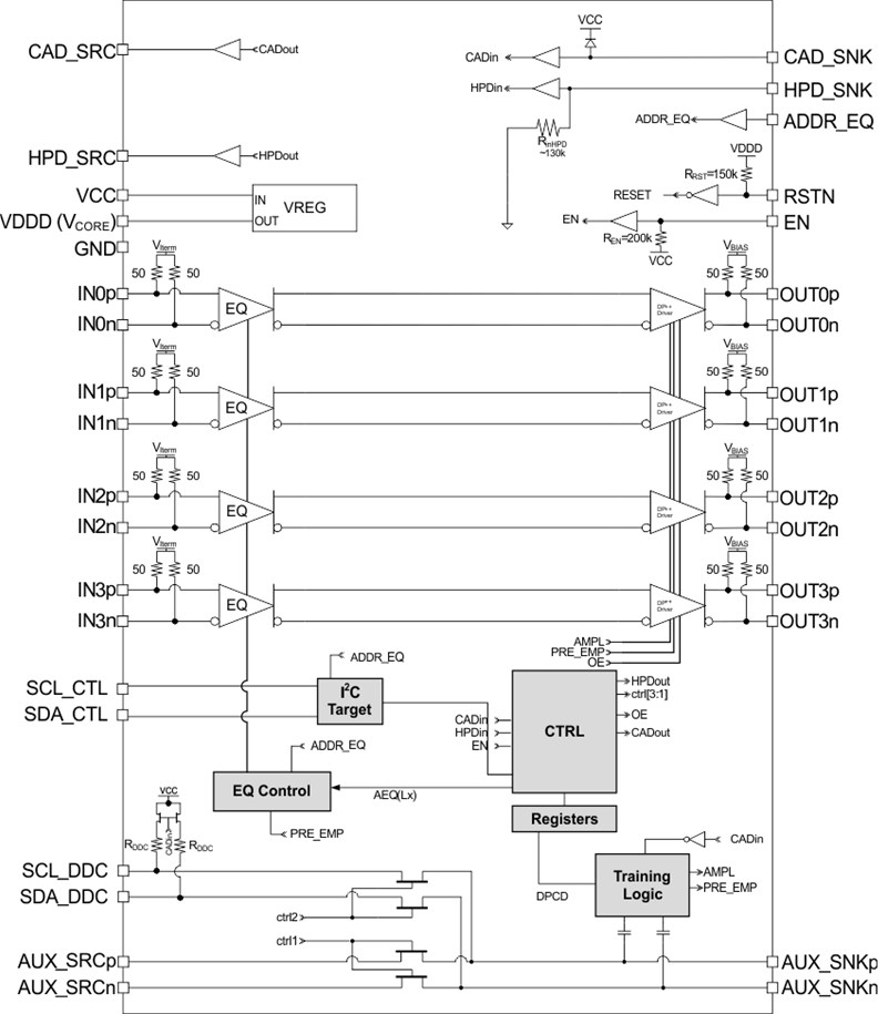
SN75DP130 器件是一款单通道 DisplayPort (DP) 转接驱动器,可重新生成 DP 高速数字链路。 该器件符合 VESA DisplayPort 标准版本 1.2,支持 4 通道主链路接口,允许每个通道以 5.4Gbps 的 HBR2 速率发送信号。 该器件还支持 DP++ 双模,可提供 DVI 和全尺寸 HDMI 版本 1.4a 的 TMDS 信令。

器件会补偿 PCB 相关频率损耗和开关相关损耗,以在源设备和接收设备之间提供最佳 DP 电气性能。 主链路信号输入具有可配置均衡器和可选升压设置。 主链路输出提供四种初级差分输出电压摆幅 (VOD) 和四种初级预加强设置。 通过 I2C 编程可进行二级升压调整,从而对主链接输出进行微调。 该器件可监视 AUX 通道并根据链路协商命令自动调整输出信号电平和输入均衡器。 此外,SN75DP130 输出信号调节和 EQ 参数完全可通过 I2C 接口进行编程。

SN75DP130 针对移动应用进行了优化,在主链路输入端配有一个活动检测电路,当不存在有效输入信号时会切换至低功耗输出禁用模式。 该器件还支持待机模式等其他低功耗模式。在待机模式下,如果未连接视频接收设备(例如,监视器),功耗典型值仅为 2mW 左右。

此器件特有一个介于 0°C 和 85°C 之间的扩展运行温度范围。

SN75DP130 提供有用于连接 AUX 接收设备通道的独立 AUX 和 DDC 源设备接口。 这样在与包含独立 DDC 和 AUX 接口的图形处理器 (GPU) 一起使用时,可最大限度减少元件数。 对于具有组合 DDC/AUX 的 GPU,该器件可在连接到 TMDS 接收设备时作为 FET 开关将 AUX 通道交流耦合电容短路。 热插拔检测 (HPD) 等其他边带电路已经过优化,旨在减少外部元件并实现与 Intel、AMD 和 NVIDIA 图形处理器的无缝连接。

  • 支持 DP v1.1a 和 DP v1.2 信令,包括高达 5.4Gbps 的 HBR2 数据速率
  • 支持 TMDS 时钟频率高达 340MHz 的 HDMI 1.4b
  • 具有可实现与 AMD、Intel 和 NVIDIA 图形处理器无缝连接的接口
  • 通过链路协商实现自动配置
  • 通过可调电压摆幅和预加强增益实现输出信号调节
  • 高度可配置的输入可变均衡器
  • 两个器件选项,包括可实现最低功率的双电源配置
  • 2kV 静电放电 (ESD) 人体模型 (HBM) 保护
  • 温度范围:0°C 至 85°C
  • 48 引脚 7mm × 7mm 超薄型四方扁平无引线 (VQFN) 封装

应用范围

  • 笔记本电脑
  • 台式计算机
  • 计算机扩展坞
  • 计算机独立显卡

All trademarks are the property of their respective owners.

TypeRedriver
ProtocolsDisplayPort
RatingCatalog
Speed (max) (Gbps)5.4
Number of channels1
Supply voltage (V)3.3
Operating temperature range (°C)0 to 85
VQFN (RGZ)4849 mm² 7 x 7
产品购买
  • 商品型号
  • 封装
  • 工作温度
  • 包装
  • 价格
  • 现货库存
  • 操作
10s
温馨提示:
订单商品问题请移至我的售后服务提交售后申请,其他需投诉问题可移至我的投诉提交,我们将在第一时间给您答复
返回顶部