h1_key

TI(德州仪器) TLV2172
德州仪器 (TI) 全系列产品在线购买
  • TI(德州仪器) TLV2172
  • TI(德州仪器) TLV2172
  • TI(德州仪器) TLV2172
  • TI(德州仪器) TLV2172
  • TI(德州仪器) TLV2172
  • TI(德州仪器) TLV2172
立即查看
您当前的位置: 首页 > 放大器 > 运算放大器 (op amps) > 通用运算放大器 > TLV2172
TLV2172

TLV2172

正在供货

适用于成本敏感型应用的双路、36V、10MHz、低功耗运算放大器

产品详情
  • 说明
  • 特性
  • 参数
  • 封装 | 引脚 | 尺寸

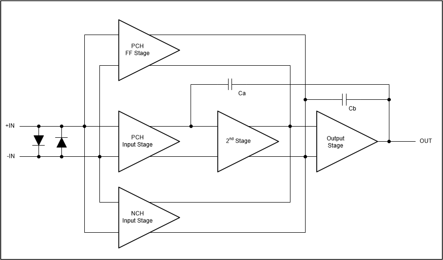
TLVx172 系列 36V 单电源、低噪声抗电磁干扰 (EMI) 运算放大器在 1kHz 频率下 具有 0.0002% 的 THD+N,能够在 4.5V (±2.25V) 至 36V (±18V) 的电源电压范围内正常工作。这些 特性和低噪声、高 PSRR 特性,使TLVx172能够 在 HEV 和 EV 汽车及动力传动系统、医疗仪器等应用中放大毫伏级信号。TLVx172 器件具有良好的失调电压和温漂、10MHz 高带宽和 10V/µs 压摆率,且在工作温度范围内的静态电流仅有 2.3mA(最大值)

大多数运算放大器仅有一个额定电源电压,而 TLVx172器件的额定电压范围为 4.5V 至 36V。超过电源轨的输入信号不会导致相位反转。TLVx172器件可在容性负载高达 300pF 时保持稳定。输入可在负电源轨以下 100mV 以及正电源轨 2V 之内正常运行。请注意,此系列器件可在超出正电源轨 100mV 的完整轨至轨输入范围内运行,但是在正电源轨 2V 之内运行时,性能会受到影响。

TLVx172运算放大器的额定工作温度范围为 –40°C 至 +125°C。

  • 电源电压范围:4.5V 至 36V,±2.25V 至 ±18V
  • 低噪声:9 nV/√Hz
  • 低温漂:±1µV/°C(典型值)
  • 抗电磁干扰 (EMI)
  • 输入范围包括负电源
  • 轨到轨输出
  • 增益带宽:10MHz
  • 转换速率:10V/µs
  • 低静态电流:每个放大器 1.6mA
  • 高共模抑制:116dB(典型值)
  • 低输入偏压电流:10pA
Number of channels2
Total supply voltage (+5 V = 5, ±5 V = 10) (max) (V)36
Total supply voltage (+5 V = 5, ±5 V = 10) (min) (V)4.5
Rail-to-railIn to V-, Out
GBW (typ) (MHz)10
Slew rate (typ) (V/µs)10
Vos (offset voltage at 25°C) (max) (mV)1.7
Iq per channel (typ) (mA)1.6
Vn at 1 kHz (typ) (nV√Hz)9
RatingCatalog
Operating temperature range (°C)-40 to 125
Offset drift (typ) (µV/°C)1
FeaturesCost Optimized, EMI Hardened
CMRR (typ) (dB)116
Iout (typ) (A)0.075
ArchitectureCMOS
Input common mode headroom (to negative supply) (typ) (V)-0.1
Input common mode headroom (to positive supply) (typ) (V)-2
Output swing headroom (to negative supply) (typ) (V)0.07
Output swing headroom (to positive supply) (typ) (V)-0.07
SOIC (D)829.4 mm² 4.9 x 6
VSSOP (DGK)814.7 mm² 3 x 4.9
产品购买
  • 商品型号
  • 封装
  • 工作温度
  • 包装
  • 价格
  • 现货库存
  • 操作
10s
温馨提示:
订单商品问题请移至我的售后服务提交售后申请,其他需投诉问题可移至我的投诉提交,我们将在第一时间给您答复
返回顶部