h1_key

TI(德州仪器) DS64MB201
德州仪器 (TI) 全系列产品在线购买
  • TI(德州仪器) DS64MB201
  • TI(德州仪器) DS64MB201
  • TI(德州仪器) DS64MB201
  • TI(德州仪器) DS64MB201
  • TI(德州仪器) DS64MB201
  • TI(德州仪器) DS64MB201
立即查看
您当前的位置: 首页 > 接口 > LVDS、M-LVDS 和 PECL IC > DS64MB201
DS64MB201

DS64MB201

正在供货

具有均衡和去加重功能的双端口 2:1/1:2 多路复用器/缓冲器

产品详情
  • 说明
  • 特性
  • 参数
  • 封装 | 引脚 | 尺寸

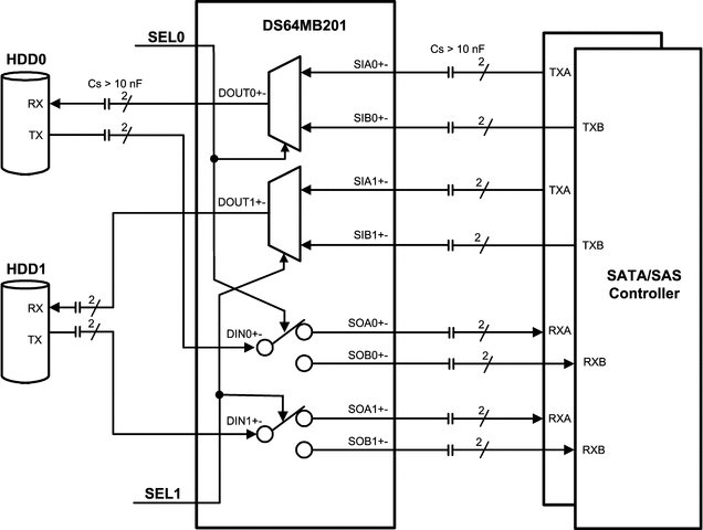
The DS64MB201 is a dual lane 2:1 multiplexer and 1:2 switch or fan-out buffer with signal conditioning suitable for SATA/SAS and other high-speed bus applications up to 6.4 Gbps. The device performs both receive equalization and transmit de-emphasis, allowing maximum flexibility of physical placement within a system. The receiver's continuous time linear equalizer (CTLE) provides a boost of up to +33 dB at 3 GHz and is capable of opening an input eye that is completely closed due to inter-symbol interference (ISI) induced by the interconnect medium. The transmitter features a programmable output de-emphasis driver and allows amplitude voltage levels to be selected from 600 mVp-p to 1200 mVp-p to suit multiple application scenarios. The signal conditioning settings are programmable via control pin settings or SMBus interface.

To enable seamless upgrade from SAS/SATA 3.0 Gbps to 6.0 Gbps data rates without compromising physical reach, DS64MB201 automatically detects the incoming data rate and selects the optimal de-emphasis pulse width. The device detects the out-of-band (OOB) idle and active signals of the SAS/SATA specification and passes through with minimum signal distortion.

  • Up to 6.4 Gbps dual lane 2:1 mux, 1:2 switch or fan-out
  • Adjustable receive equalization up to +33 dB gain
  • Adjustable transmit de-emphasis up to –12 dB
  • Adjustable transmit VOD
  • <0.25 UI of residual DJ at 6.4 Gbps with 40” FR4 trace
  • SATA/SAS: OOB signal pass-through
  • Adjustable electrical IDLE detect threshold
  • Low power
  • Signal conditioning programmable via pin selection
    or SMBus interface
  • Single 2.5V supply operation
  • >6 kV HBM ESD Rating
  • 3.3V tolerant SMBus interface
  • High speed signal flow-thru pinout package: 54-pin WQFN
    (10 mm × 5.5 mm)
FunctionEqualizer, Mux buffer
ProtocolsCML
Number of transmitters2, 4
Number of receivers2, 4
Supply voltage (V)2.5
Signaling rate (MBits)6400
Input signalCML
Output signalCML
RatingCatalog
Operating temperature range (°C)-40 to 85
WQFN (NJY)5455 mm² 10 x 5.5
产品购买
  • 商品型号
  • 封装
  • 工作温度
  • 包装
  • 价格
  • 现货库存
  • 操作
10s
温馨提示:
订单商品问题请移至我的售后服务提交售后申请,其他需投诉问题可移至我的投诉提交,我们将在第一时间给您答复
返回顶部