h1_key

TI(德州仪器) TCA9406
德州仪器 (TI) 全系列产品在线购买
  • TI(德州仪器) TCA9406
  • TI(德州仪器) TCA9406
  • TI(德州仪器) TCA9406
  • TI(德州仪器) TCA9406
  • TI(德州仪器) TCA9406
  • TI(德州仪器) TCA9406
立即查看
您当前的位置: 首页 > 接口 > I2C IC > I2C 电平转换器、缓冲器和集线器 > TCA9406
TCA9406

TCA9406

正在供货

具有内部上拉电阻器的 2 位双向 1MHz I2C/SMBus 电压电平转换器

产品详情
  • 说明
  • 特性
  • 参数
  • 封装 | 引脚 | 尺寸

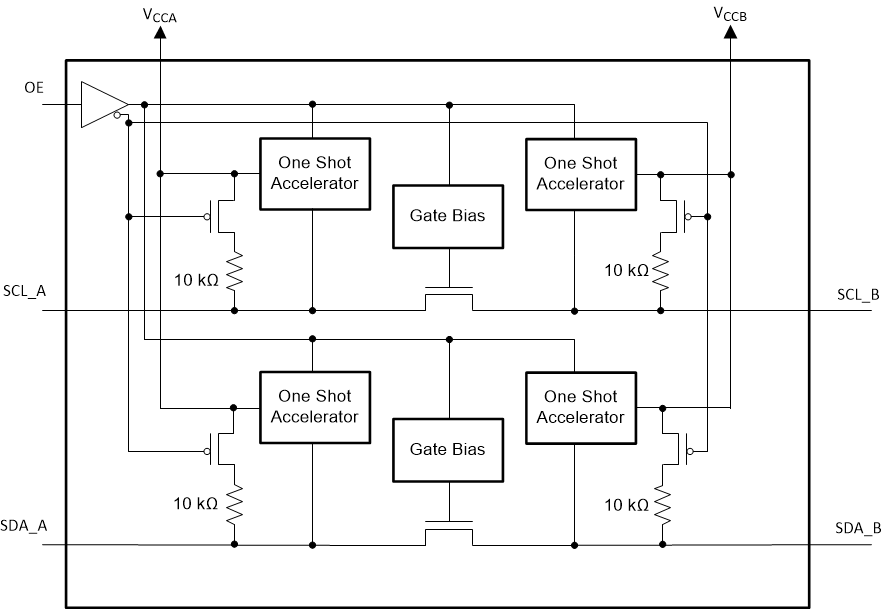
TCA9406 是一款具有输出使能 (OE) 输入的 2 位双向 I2C 和 SMBus 电压电平转换器。它在 A 侧的运行电压范围为 1.65V 至 3.6V,基准为 VCCA,在 B 侧的运行电压范围为 2.3V 至 5.5V,基准为 VCCB。因此,该器件能够在典型的 1.8V、2.5V、3.3V 和 5V 电源轨之间,进行任何高低逻辑信号电平切换。

OE 输入引脚的基准为 VCCA,可以直接连接至 VCCA,但也可以承受 5.5V 的电压。用户还可以对 OE 引脚进行控制,将其设置为低电平,使所有 SCL 和 SDA 引脚均处于高阻抗状态,从而显著减少静态电流消耗。

在正常 I2C 和 SMBus 运行配置或其他漏极开路配置下,TCA9406 可以支持最高 2Mbps 的速度,因此,它可以达到标准 I2C 速度要求,即 SCL 频率为 100kHz(标准模式)、400kHz(快速模式)或 1MHz(快速模式升级版)。该器件还可用作通用电平转换器,而且当 A 侧和 B 侧端口均是通过推挽式器件驱动时,TCA9406 可支持最高 24Mbps 的速度。

TCA9406 在 SCL_A、SDA_A、SCL_B 和 SDA_B 上 具有 内部 10kΩ 上拉电阻器。您还可以向总线添加额外的上拉电阻器,从而减小总上拉电阻并加快上升沿的上升速度。

  • 适用于 I2C 应用中的 SDA 和 SCL 线路的 2 位双向转换器 转换器
  • 用无方向引脚提供双向电压转换
  • 高阻抗输出 SCL_A、SDA_A、SCL_B、SDA_B 引脚(当 OE = 低电平或 VCC = 0V 时)
  • 所有 SDA 和 SCL 引脚上都配有内部 10kΩ 上拉电阻器
  • A 端口上 1.65V 至 3.6V,B 端口上 2.3V 至 5.5V (VCCA ≤ VCCB)
  • VCC 隔离特性:如果任何一个 VCC 输入接地 (GND),则两个端口均处于高阻抗状态
  • 无需电源定序:VCCA 或 VCCB 均可优先斜升
  • 当 VCCA 或 VCCB = 0V 时,可实现低至 2µA 的 Ioff
  • OE 输入可直接连接至 VCCA,也可通过 GPIO 进行控制
  • 闩锁性能超出 JESD 78 II 类规范要求的 100mA
  • 静电放电 (ESD) 保护性能超过 JESD 22 规范的要求
    • A 端口
      • 2500V 人体放电模型 (A114-B)
      • 250V 机器放电模式 (A115-A)
      • 1500V 充电器件模型 (C101)
    • B 端口
      • 8kV 人体放电模型 (A114-B)
      • 250V 机器放电模式 (A115-A)
      • 1500V 充电器件模型 (C101)
FeaturesEnable pin
ProtocolsI2C
Frequency (max) (MHz)1
VCCA (min) (V)1.65
VCCA (max) (V)3.6
VCCB (min) (V)2.3
VCCB (max) (V)5.5
Supply restrictionsVCCA <= VCCB
RatingCatalog
Operating temperature range (°C)-40 to 85
DSBGA (YZP)82.8125 mm² 2.25 x 1.25
SSOP (DCT)811.8 mm² 2.95 x 4
VSSOP (DCU)86.2 mm² 2 x 3.1
产品购买
  • 商品型号
  • 封装
  • 工作温度
  • 包装
  • 价格
  • 现货库存
  • 操作
10s
温馨提示:
订单商品问题请移至我的售后服务提交售后申请,其他需投诉问题可移至我的投诉提交,我们将在第一时间给您答复
返回顶部