h1_key

TI(德州仪器) DS99R124Q-Q1
德州仪器 (TI) 全系列产品在线购买
  • TI(德州仪器) DS99R124Q-Q1
  • TI(德州仪器) DS99R124Q-Q1
  • TI(德州仪器) DS99R124Q-Q1
  • TI(德州仪器) DS99R124Q-Q1
  • TI(德州仪器) DS99R124Q-Q1
  • TI(德州仪器) DS99R124Q-Q1
立即查看
您当前的位置: 首页 > 接口 > 高速串行器/解串器 > FPD-Link 串行器/解串器 > DS99R124Q-Q1
DS99R124Q-Q1

DS99R124Q-Q1

正在供货

5MHz 至 43MHz 18 位彩色 FPD-Link II 至 FPD-Link 转换器

产品详情
  • 说明
  • 特性
  • 参数
  • 封装 | 引脚 | 尺寸

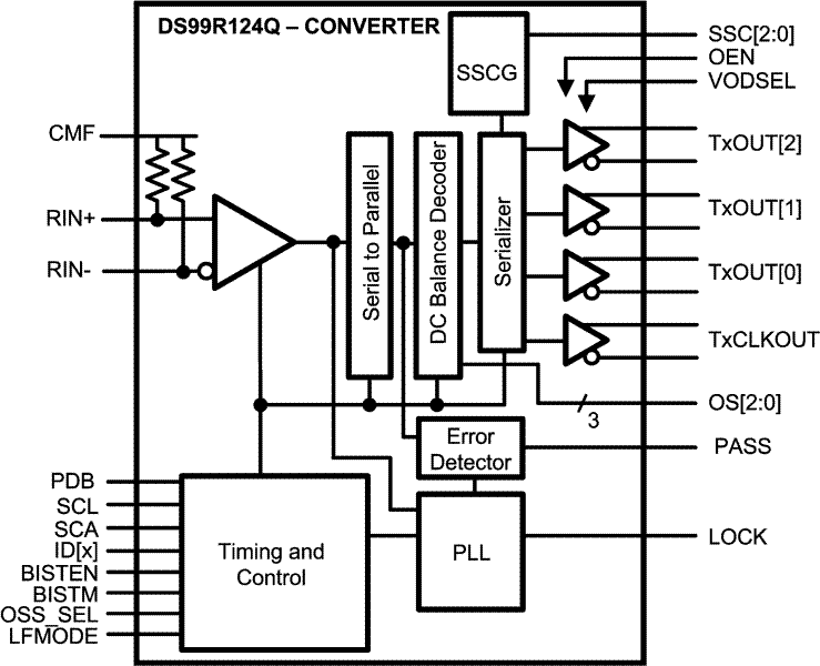
The DS99R124Q converts FPD-Link II to FPD-Link. It translates a high-speed serialized interface with an embedded clock over a single pair (FPD-Link II) to three LVDS data/control streams and one LVDS clock pair (FPD-Link). This serial bus scheme greatly eases system design by eliminating skew problems between clock and data, reduces the number of connector pins, reduces the interconnect size, weight, and cost, and overall eases PCB layout. In addition, internal DC balanced decoding is used to support AC-coupled interconnects.

The DS99R124Q converter recovers the data (RGB) and control signals and extracts the clock from a serial stream (FPD-Link II). It is able to lock to the incoming data stream without the use of a training sequence or special SYNC patterns and does not require a reference clock. A link status (LOCK) output signal is provided.

Adjustable input equalization of the serial input stream provides compensation for transmission medium losses of the cable and reduces the medium-induced deterministic jitter. EMI is minimized by the use of low voltage differential signaling, output state select feature, and additional output spread spectrum generation.

With fewer wires to the physical interface of the display, FPD-Link output with LVDS technology is ideal for high speed, low power and low EMI data transfer.

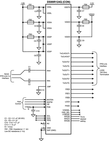
The DS99R124Q is offered in a 48-pin WQFN package and is specified over the automotive AEC-Q100 Grade 2 temperature range of -40˚C to +105˚C.

  • 5 – 43 MHz Support (140 Mbps to 1.2 Gbps Serial Link)
  • 4-Channel (3 data + 1 Clock) FPD-Link LVDS Outputs
  • 3 Low-Speed Over-Sampled LVCMOS Outputs
  • AC Coupled STP Interconnect up to 10 Meters in Length
  • Integrated Input Termination
  • @ Speed Link BIST Mode and Reporting Pin
  • Optional I2C Compatible Serial Control Bus
  • RGB666 + VS, HS, DE Converted from 1 Pair
  • Power Down Mode Minimizes Power Dissipation
  • FAST Random Data Lock; no Reference Clock Required
  • Adjustable Input Receive Equalization
  • LOCK (Real Time Link Status) Reporting Pin
  • Low EMI FPD-Link Output
  • SSCG Option for Lower EMI
  • 1.8V or 3.3V Compatible I/O Interface
  • Automotive Grade Product: AEC-Q100 Grade 2 Qualified
  • >8 kV HBM and ISO 10605 ESD Rating

All trademarks are the property of their respective owners.

FunctionDeserializer
Color depth (bps)18
Input compatibilityFPD-Link LVDS
Output compatibilityFPD-Link LVDS
FeaturesI2C Config
DiagnosticsBIST
RatingAutomotive
Operating temperature range (°C)-40 to 105
WQFN (RHS)4849 mm² 7 x 7
产品购买
  • 商品型号
  • 封装
  • 工作温度
  • 包装
  • 价格
  • 现货库存
  • 操作
10s
温馨提示:
订单商品问题请移至我的售后服务提交售后申请,其他需投诉问题可移至我的投诉提交,我们将在第一时间给您答复
返回顶部