h1_key

TI(德州仪器) SN65HVD1792
德州仪器 (TI) 全系列产品在线购买
  • TI(德州仪器) SN65HVD1792
  • TI(德州仪器) SN65HVD1792
  • TI(德州仪器) SN65HVD1792
  • TI(德州仪器) SN65HVD1792
  • TI(德州仪器) SN65HVD1792
  • TI(德州仪器) SN65HVD1792
立即查看
您当前的位置: 首页 > 接口 > RS-485 和 RS-422 收发器 > SN65HVD1792
SN65HVD1792

SN65HVD1792

正在供货

具有故障保护功能的 70V RS-485 全双工收发器,共模范围从 -20 至 +25

产品详情
  • 说明
  • 特性
  • 参数
  • 封装 | 引脚 | 尺寸

这些器件可在遇到过压故障(例如电源直接短路、误接线故障、连接器故障、电缆挤压以及工具误用)时免受损坏。它们还具有高级的人体放电模型保护规格,在静电放电 (ESD) 事件发生时依然可保持稳定。

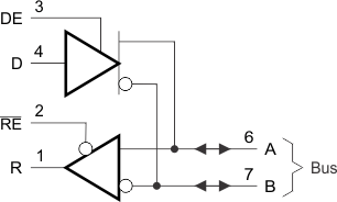
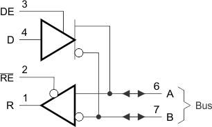
这些器件将一个差分驱动器和一个差分接收器组合在一起,这两个器件由一个单电源供电。在 ’HVD1785、’HVD1786 和 ’HVD1787 中,驱动器差分输出和接收器差分输入被内部连接以形成一个适用于半双工(两线制总线)通信的总线端口。在 ’HVD1793 中,驱动器差分输出和接收器差分输入为独立的引脚,这样形成了一个适用于全双工(四线制总线)通信的总线端口。这些端口都具有宽共模电压范围,使器件适用于长线缆上的多点应用。这些器件的额定运行温度范围为 -40°C 至 105°C。

有关 3.3V 电源供电的类似功能,请参阅 SN65HVD1781 (SLLS877)。

  • 总线引脚故障保护
    • > ±70V(’HVD1785、86、91、92)
    • > ±30V(’HVD1787、93)
  • 共模电压范围(-20V 至 25V),此范围超过 TIA/EIA 485 要求的两倍
  • 总线 I/O 保护
    • ±16kV JEDEC 人体放电模式 (HBM) 保护
  • 减少了高达 256 个节点的单位负载
  • 针对开路、短路和空闲总线情况下的故障安全接收器
  • 低功耗
    • 低待机电源电流:1µA(典型值)
    • 运行期间 I CC静态电流为 5mA
  • 加电、断电无毛刺脉冲运行
Number of receivers1
Number of transmitters1
DuplexFull
Supply voltage (nom) (V)5
Signaling rate (max) (MBits)1
Fault protection (V)-70 to 70
Common-mode range (V)-20 to 25
Number of nodes256
FeaturesFault protection
IsolatedNo
Supply current (max) (µA)6000
RatingCatalog
Operating temperature range (°C)-40 to 105
SOIC (D)1451.9 mm² 8.65 x 6
产品购买
  • 商品型号
  • 封装
  • 工作温度
  • 包装
  • 价格
  • 现货库存
  • 操作
10s
温馨提示:
订单商品问题请移至我的售后服务提交售后申请,其他需投诉问题可移至我的投诉提交,我们将在第一时间给您答复
返回顶部