h1_key

TI(德州仪器) LMH0041
德州仪器 (TI) 全系列产品在线购买
  • TI(德州仪器) LMH0041
  • TI(德州仪器) LMH0041
  • TI(德州仪器) LMH0041
  • TI(德州仪器) LMH0041
  • TI(德州仪器) LMH0041
  • TI(德州仪器) LMH0041
立即查看
您当前的位置: 首页 > 接口 > 串行数字接口 (SDI) IC > LMH0041
LMH0041

LMH0041

正在供货

具有环路输出和 LVDS 接口的 HD、SD、DVB-ASI SDI 解串器

产品详情
  • 说明
  • 特性
  • 参数
  • 封装 | 引脚 | 尺寸

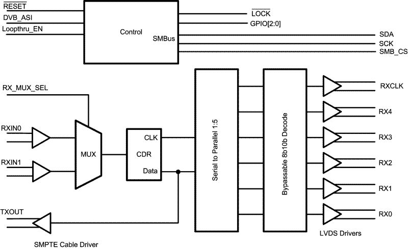
The LMH0341/0041/0071/0051 SDI Deserializers are part of TI’s family of FPGA-Attach SER/DES products supporting 5-bit LVDS interfaces with FPGAs. When paired with a host FPGA the LMH0341 automatically detects the incoming data rate and decodes the raw 5-bit data words compliant to any of the following standards: DVB-ASI, SMPTE 259M, SMPTE 292M, or SMPTE 424M. See for details on which Standards are supported per device.

The interface between the LMH0341 and the host FPGA consists of a 5-bit wide LVDS bus, an LVDS clock and an SMBus interface. No external VCOs or clocks are required. The LMH0341 CDR detects the frequency from the incoming data stream, generates a clean clock and transmits both clock and data to the host FPGA. The LMH0341, LMH0041 and LMH0071 include a serial reclocked loopthrough with integrated SMPTE compliant cable driver. Refer to for a complete listing of single channel deserializers offered in this family.

The FPGA-Attach SER/DES product family is supported by a suite of IP which allows the design engineer to quickly develop video applications using the SER/DES products. The product is packaged in a physically small 48 pin WQFN package.

  • 5-Bit LVDS Interface
  • No External VCO or Clock Required
  • Reclocked Serial Loopthrough With Cable Driver
  • Powerdown Mode
  • 3.3V SMBus Configuration Interface
  • Small 48-Pin WQFN Package
  • Industrial Temperature range: -40°C to +85°C

Key Specifications

  • Output compliant with SMPTE 259M-C, SMPTE 292M, SMPTE 424M and DVB-ASI
  • Typical power dissipation: 590 mW (loopthrough disabled, 3G datarate)
  • 0.6 UI Minimum Input Jitter Tolerance

All trademarks are the property of their respective owners. TRI-STATE is a trademark of Texas Instruments.

FunctionDeserializer
Supply voltage (V)2.5, 3.3
Power consumption (mW)480
Data rate (max) (Mbps)1485
Control interfacePin/SMBus
Operating temperature range (°C)-40 to 85
WQFN (RHS)4849 mm² 7 x 7
产品购买
  • 商品型号
  • 封装
  • 工作温度
  • 包装
  • 价格
  • 现货库存
  • 操作
10s
温馨提示:
订单商品问题请移至我的售后服务提交售后申请,其他需投诉问题可移至我的投诉提交,我们将在第一时间给您答复
返回顶部