h1_key

TI(德州仪器) SN65HVD61
德州仪器 (TI) 全系列产品在线购买
  • TI(德州仪器) SN65HVD61
  • TI(德州仪器) SN65HVD61
  • TI(德州仪器) SN65HVD61
  • TI(德州仪器) SN65HVD61
  • TI(德州仪器) SN65HVD61
  • TI(德州仪器) SN65HVD61
立即查看
您当前的位置: 首页 > 接口 > 其他接口 > SN65HVD61
SN65HVD61

SN65HVD61

正在供货

ControlNet™ 收发器

产品详情
  • 说明
  • 特性
  • 参数
  • 封装 | 引脚 | 尺寸

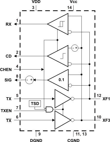
The SN65HVD61 is designed to meet the requirements for the driver and receiver circuitry of the ControlNet coaxial-based physical layer.

These devices are single-channel circuits with one transceiver for single node operation or distributed stand-alone applications.

The pull-or-pull transmitter circuit is designed to sink current from a center-tapped transformer, providing galvanic isolation from the shared bus.

These devices incorporate a differential receiver (RX) with the 120 mV sensitivity needed by ControlNet industrial applications.

A secondary receiver (CD) detects the presence of a valid positive differential signal.

The third signal receiver function (SIG) provides a scaled analog output which is proportional to the differential voltage between XF1 and XF3. This output can be used for diagnostic purposes.

  • Compatible With the ControlNet Standard
  • I/O Operates From 2.5-V to 5-V Supply
  • Receiver thresholds within –120mV to 120mV
  • Receiver hysteresis >50mV
  • Low Power Standby Mode
  • Thermal Shutdown Protection
  • Power-Up/Down Glitch-free Bus Inputs and Outputs
  • Short-Circuit Protection on Outputs
  • RoHS Compliant
  • ControlNet Vendor ID 806
  • APPLICATIONS
    • Industrial Networks
    • Programmable Controllers
    • Industrial Drives

ProtocolsControlNet
RatingCatalog
Operating temperature range (°C)-40 to 100
SOIC (D)1451.9 mm² 8.65 x 6
产品购买
  • 商品型号
  • 封装
  • 工作温度
  • 包装
  • 价格
  • 现货库存
  • 操作
10s
温馨提示:
订单商品问题请移至我的售后服务提交售后申请,其他需投诉问题可移至我的投诉提交,我们将在第一时间给您答复
返回顶部