h1_key

TI(德州仪器) DS42MB100
德州仪器 (TI) 全系列产品在线购买
  • TI(德州仪器) DS42MB100
  • TI(德州仪器) DS42MB100
  • TI(德州仪器) DS42MB100
  • TI(德州仪器) DS42MB100
  • TI(德州仪器) DS42MB100
  • TI(德州仪器) DS42MB100
立即查看
您当前的位置: 首页 > 接口 > LVDS、M-LVDS 和 PECL IC > DS42MB100
DS42MB100

DS42MB100

正在供货

具有发送预加重和接收均衡功能的 4.25Gbps 2:1/1:2 CML 多路复用器/缓冲器

产品详情
  • 说明
  • 特性
  • 参数
  • 封装 | 引脚 | 尺寸

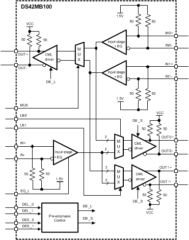
The DS42MB100 device is a signal conditioning 2:1 multiplexer and 1:2 fan-out buffer designed for use in backplane-redundancy or cable driving applications. Signal conditioning features include continuous time linear equalization (CTLE) and programmable output pre-emphasis that enable data communication in FR4 backplane up to 4.25 Gbps. Each input stage has a fixed equalizer to reduce ISI distortion from board traces.

All output drivers have four selectable levels of pre-emphasis to compensate for transmission losses from long FR4 backplane or cable attenuation reducing deterministic jitter. The pre-emphasis levels can be independently controlled for the line-side and switch-side drivers. The internal loopback paths from switch-side input to switch-side output enable at-speed system testing. All receiver inputs are internally terminated with 100-Ω differential terminating resistors. All driver outputs are internally terminated with 50-Ω terminating resistors to VCC.

  • 2:1 Multiplexer and 1:2 Buffer
  • 0.25-Gbps to 4.25-Gbps Fully Differential Data Paths
  • Fixed Input Equalization
  • Programmable Output Pre-Emphasis
  • Independent Pre-Emphasis Controls
  • Programmable Loopback Modes
  • On-Chip Terminations
  • ESD Rating of 6-kV HBM
  • 3.3-V Supply
  • Lead-Less WQFN-36 Package
  • –40°C to +85°C Operating Temperature Range
FunctionEqualizer, Mux buffer
ProtocolsCML, LVDS, LVPECL
Number of transmitters1, 2
Number of receivers1, 2
Supply voltage (V)3.3
Signaling rate (MBits)4250
Input signalCML
Output signalCML
RatingCatalog
Operating temperature range (°C)-40 to 85
WQFN (NJK)3636 mm² 6 x 6
产品购买
  • 商品型号
  • 封装
  • 工作温度
  • 包装
  • 价格
  • 现货库存
  • 操作
10s
温馨提示:
订单商品问题请移至我的售后服务提交售后申请,其他需投诉问题可移至我的投诉提交,我们将在第一时间给您答复
返回顶部