h1_key

TI(德州仪器) PCA9534A
德州仪器 (TI) 全系列产品在线购买
  • TI(德州仪器) PCA9534A
  • TI(德州仪器) PCA9534A
  • TI(德州仪器) PCA9534A
  • TI(德州仪器) PCA9534A
  • TI(德州仪器) PCA9534A
  • TI(德州仪器) PCA9534A
立即查看
您当前的位置: 首页 > 接口 > I2C IC > I2C 通用 I/O (GPIO) > PCA9534A
PCA9534A

PCA9534A

正在供货

具有中断和配置寄存器的 8 位 2.3V 至 5.5V I2C/SMBus I/O 扩展器

产品详情
  • 说明
  • 特性
  • 参数
  • 封装 | 引脚 | 尺寸

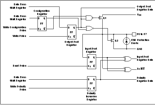
The PCA9534A and PCA9534 are identical, except for their fixed I2C address. This allows for up to 16 of these devices (8 of each) on the same I2C bus.

INT can be connected to the interrupt input of a microcontroller. By sending an interrupt signal on this line, the remote I/O can inform the microcontroller if there is incoming data on its ports without having to communicate via the I2C bus. Thus, the PCA9534A can remain a simple slave device.

The device’s outputs (latched) have high-current drive capability for directly driving LEDs. It has low current consumption.

Three hardware pins (A0, A1, and A2) are used to program and vary the fixed I2C address and allow up to eight devices to share the same I2C bus or SMBus.

The PCA9534A is pin-to-pin and I2C address compatible with the PCF8574A. However, software changes are required due to the enhancements in the PCA9534A over the PCF8574A.

The PCA9534A is a low-power version of the PCA9554A. The only difference between the PCA9534A and PCA9554A is that the PCA9534A eliminates an internal I/O pullup resistor, which dramatically reduces power consumption in the standby mode when the I/Os are held low.

  • 1µA 低待机电流消耗(最大值)
  • I2C 至并行端口扩展器
  • 开漏电路低电平有效中断输出
  • 工作电源电压范围为 2.3V 至 5.5V
  • 可耐受 5V 电压的 I/O 端口
  • 400kHz 快速 I2C 总线
  • 三个硬件地址引脚允许在 I2C/SMBus 上使用多达八个器件
  • 与 PCA9534 结合使用时,允许在 I2C/SMBus 上使用多达 16 个器件 请参阅,Section 5了解 I2C 扩展器产品
  • 输入和输出配置寄存器
  • 极性反转寄存器
  • 内部上电复位
  • 加电时所有通道均被配置为输入
  • 加电时无干扰
  • SCL 和 SDA 输入端装有噪声滤波器
  • 具有最大高电流驱动能力的锁存输出,适用于直接驱动 LED
  • 闩锁性能超过 100mA,符合 JESD 78 II 类规范的要求
  • ESD 保护性能超过 JESD 22 规范要求
    • 2000V 人体放电模型 (A114-A)
    • 200V 机器放电模型 (A115-A)
    • 1000V 带电器件模型 (C101)
Number of I/Os8
FeaturesConfiguration registers, Interrupt pin
Supply voltage (min) (V)2.3
Supply voltage (max) (V)5.5
Addresses8
RatingCatalog
Frequency (max) (MHz)0.4
Operating temperature range (°C)-40 to 85
SOIC (DW)16106.09 mm² 10.3 x 10.3
SSOP (DB)1648.36 mm² 6.2 x 7.8
TSSOP (PW)1632 mm² 5 x 6.4
TVSOP (DGV)1623.04 mm² 3.6 x 6.4
VQFN (RGT)169 mm² 3 x 3
产品购买
  • 商品型号
  • 封装
  • 工作温度
  • 包装
  • 价格
  • 现货库存
  • 操作
10s
温馨提示:
订单商品问题请移至我的售后服务提交售后申请,其他需投诉问题可移至我的投诉提交,我们将在第一时间给您答复
返回顶部