h1_key

TI(德州仪器) PCA9554
德州仪器 (TI) 全系列产品在线购买
  • TI(德州仪器) PCA9554
  • TI(德州仪器) PCA9554
  • TI(德州仪器) PCA9554
  • TI(德州仪器) PCA9554
  • TI(德州仪器) PCA9554
  • TI(德州仪器) PCA9554
立即查看
您当前的位置: 首页 > 接口 > I2C IC > I2C 通用 I/O (GPIO) > PCA9554
PCA9554

PCA9554

正在供货

具有中断、弱上拉和配置寄存器的 8 位 2.3V 至 5.5V I2C/SMBus I/O 扩展器

产品详情
  • 说明
  • 特性
  • 参数
  • 封装 | 引脚 | 尺寸

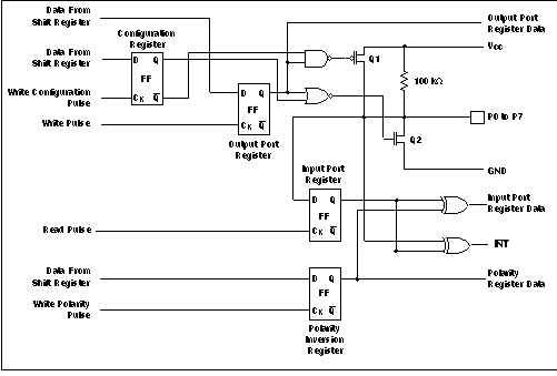
INT can be connected to the interrupt input of a microcontroller. By sending an interrupt signal on this line, the remote I/O can inform the microcontroller if there is incoming data on its ports without having to communicate via the I2C bus. Thus, the PCA9554 can remain a simple slave device.

The device’s outputs (latched) have high-current drive capability for directly driving LEDs and low current consumption.

Three hardware pins (A0, A1, and A2) are used to program and vary the fixed I2C address and allow up to eight devices to share the same I2C bus or SMBus.

The PCA9554 is pin-to-pin and I2C address compatible with the PCF8574. However, software changes are required, due to the enhancements in the PCA9554 over the PCF8574.

The PCA9554 and PCA9554A are identical except for their fixed I2C address. This allows for up to 16 of these devices (eight of each) on the same I2C/SMBus.

  • I2C 至并行端口扩展器
  • 开漏电路低电平有效中断输出
  • 2.3 V 至 5.5V 的工作电源电压范围
  • 耐受 5V 电压的 I/O
  • 400kHz 快速 I2C 总线
  • 3 个硬件地址引脚可在 I2C/SMBus 上支持最多 8 个器件
  • 输入/输出配置寄存器
  • 极性反转寄存器
  • 内部加电复位
  • 所用通道在加电时被配置为输入
  • 在加电时无毛刺脉冲
  • 针对直接驱动 LED 的具有高电流驱动最大能力的锁存输出
  • 锁断性能超过 100mA,符合 JESD 78 II 类规范的要求)
  • ESD 保护性能超过 JESD 22 规范要求
    • 2000V 人体放电模型 (A114-A)
    • 200V 机器放电模型 (A115-A)
    • 1000V 带电器件模型 (C101)
Number of I/Os8
FeaturesConfiguration registers, Interrupt pin
Supply voltage (min) (V)2.3
Supply voltage (max) (V)5.5
Addresses8
RatingCatalog
Frequency (max) (MHz)0.4
Operating temperature range (°C)-40 to 85
SOIC (DW)16106.09 mm² 10.3 x 10.3
SSOP (DB)1648.36 mm² 6.2 x 7.8
TSSOP (PW)1632 mm² 5 x 6.4
TVSOP (DGV)1623.04 mm² 3.6 x 6.4
产品购买
  • 商品型号
  • 封装
  • 工作温度
  • 包装
  • 价格
  • 现货库存
  • 操作
10s
温馨提示:
订单商品问题请移至我的售后服务提交售后申请,其他需投诉问题可移至我的投诉提交,我们将在第一时间给您答复
返回顶部