h1_key

TI(德州仪器) TRSF3222E
德州仪器 (TI) 全系列产品在线购买
  • TI(德州仪器) TRSF3222E
  • TI(德州仪器) TRSF3222E
  • TI(德州仪器) TRSF3222E
  • TI(德州仪器) TRSF3222E
  • TI(德州仪器) TRSF3222E
  • TI(德州仪器) TRSF3222E
立即查看
您当前的位置: 首页 > 接口 > RS-232 收发器 > TRSF3222E
TRSF3222E

TRSF3222E

正在供货

具有 +/-15kV IEC-ESD 保护的 3V 至 5.5V 双通道 1Mbps RS-232 线路驱动器/接收器

产品详情
  • 说明
  • 特性
  • 参数
  • 封装 | 引脚 | 尺寸

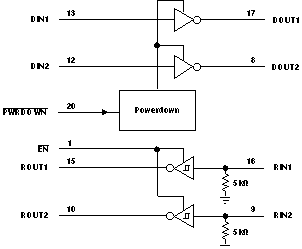
TRSF3222E 由两个线路驱动器、两个线路接收器和一个双电荷泵电路组成,具有引脚对引脚(串行端口连接引脚,包括 GND)±15kV ESD 保护。

TRSF3222E 符合 TIA/EIA-232-F 的要求并在异步通信控制器与串行端口连接器之间提供电气接口。电荷泵和四个小型外部电容器支持由 3V 至 5.5V 单电源供电。TRSF3222E 以高达 1000kbit/s 的典型数据信号传输速率运行, 是业界流行的 3222 两驱动器、两接收器功能的经改进直接替代产品。

通过设置关断 (PWRDOWN) 输入低电平(仅从电源消耗 1µA 电流),可以将 TRSF3222E 置于关断模式。当器件关断时,接收器保持活动状态,而驱动器置于高阻抗状态。此外,在关断期间,将会禁用板载电荷泵;V+ 降低至 VCC,V– 升高至 GND。通过将启用 (EN) 设置为高电平,接收器输出也可以置于高阻抗状态。

  • 为 RS-232 总线引脚提供 ESD 保护
    • ±15kV 人体放电模型 (HBM)
    • ±8kV IEC 61000-4-2 接触放电
    • ±15kV IEC 61000-4-2 气隙放电
  • 符合或超出 TIA/EIA-232-F 和 ITU v.28 标准的要求
  • 由 3V 至 5.5V VCC 电源供电
  • 速率高达 1000kbit/s
  • 两个驱动器和两个接收器
  • 低待机电流。..1µA(典型值)
  • 外部电容器 ...4 × 0.1µF
  • 接受 5V 逻辑输入及 3.3V 电源
Drivers per package2
Receivers per package2
Logic voltage (min) (V)3.3
Data rate (max) (Mbps)1
Main supply voltage (nom) (V)3.3, 5
FeaturesPowerdown
ESD HBM (kV)15
RatingCatalog
Operating temperature range (°C)-40 to 85
Vout (typ) (V)5.4
SOIC (DW)20131.84 mm² 12.8 x 10.3
SSOP (DB)2056.16 mm² 7.2 x 7.8
TSSOP (PW)2041.6 mm² 6.5 x 6.4
产品购买
  • 商品型号
  • 封装
  • 工作温度
  • 包装
  • 价格
  • 现货库存
  • 操作
10s
温馨提示:
订单商品问题请移至我的售后服务提交售后申请,其他需投诉问题可移至我的投诉提交,我们将在第一时间给您答复
返回顶部