h1_key

TI(德州仪器) DS42MB200
德州仪器 (TI) 全系列产品在线购买
  • TI(德州仪器) DS42MB200
  • TI(德州仪器) DS42MB200
  • TI(德州仪器) DS42MB200
  • TI(德州仪器) DS42MB200
  • TI(德州仪器) DS42MB200
  • TI(德州仪器) DS42MB200
立即查看
您当前的位置: 首页 > 接口 > LVDS、M-LVDS 和 PECL IC > DS42MB200
DS42MB200

DS42MB200

正在供货

具有 TX 预加重和 RX 均衡功能的双通道 4.25Gbps 2:1/1:2 CML 多路复用器/缓冲器

产品详情
  • 说明
  • 特性
  • 参数
  • 封装 | 引脚 | 尺寸

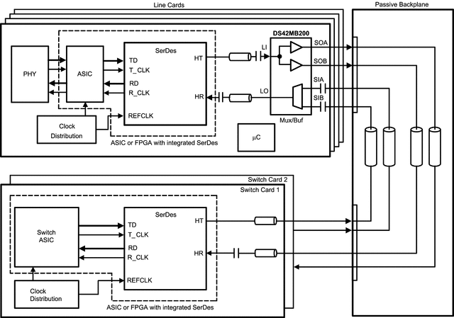
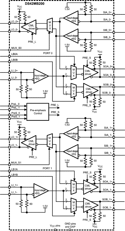
The DS42MB200 is a dual signal conditioning 2:1 multiplexer and 1:2 fan-out buffer designed for use in backplane redundancy applications. Signal conditioning features include input equalization and programmable output pre-emphasis that enable data communication in FR4 backplanes up to 4.25 Gbps. Each input stage has a fixed equalizer to reduce ISI distortion from board traces.

All output drivers have 4 selectable steps of pre-emphasis to compensate for transmission losses from long FR4 backplanes and reduce deterministic jitter. The pre-emphasis levels can be independently controlled for the line-side and switch-side drivers. The internal loopback paths from switch-side input to switch-side output enable at-speed system testing. All receiver inputs are internally terminated with 100Ω differential terminating resistors. All driver outputs are internally terminated with 50Ω to VCC.

  • 1– 4.25 Gbps Fully Differential Data Paths
  • Fixed Input Equalization
  • Programmable Output Pre-emphasis
  • Independent Switch and Line Side Pre-emphasis Controls
  • Programmable Switch-side Loopback Mode
  • On-chip Terminations
  • +3.3V Dupply
  • ESD Rating HBM 6 kV
  • Lead-less WQFN-48 Package (7mmx7mmx0.8mm, 0.5mm Pitch)
  • –40°C to +85°C Operating Temperature Range

All trademarks are the property of their respective owners.

FunctionEqualizer, Mux buffer
ProtocolsCML, LVDS, LVPECL
Number of transmitters2, 4
Number of receivers2, 4
Supply voltage (V)3.3
Signaling rate (MBits)4250
Input signalCML
Output signalCML
RatingCatalog
Operating temperature range (°C)-40 to 85
WQFN (NJU)4849 mm² 7 x 7
产品购买
  • 商品型号
  • 封装
  • 工作温度
  • 包装
  • 价格
  • 现货库存
  • 操作
10s
温馨提示:
订单商品问题请移至我的售后服务提交售后申请,其他需投诉问题可移至我的投诉提交,我们将在第一时间给您答复
返回顶部