h1_key

TI(德州仪器) PCA9539
德州仪器 (TI) 全系列产品在线购买
  • TI(德州仪器) PCA9539
  • TI(德州仪器) PCA9539
  • TI(德州仪器) PCA9539
  • TI(德州仪器) PCA9539
  • TI(德州仪器) PCA9539
  • TI(德州仪器) PCA9539
立即查看
您当前的位置: 首页 > 接口 > I2C IC > I2C 通用 I/O (GPIO) > PCA9539
PCA9539

PCA9539

正在供货

具有中断输出、复位和配置寄存器的 16 位 2.3V 至 5.5V I2C/SMBus I/O 扩展器

产品详情
  • 说明
  • 特性
  • 参数
  • 封装 | 引脚 | 尺寸

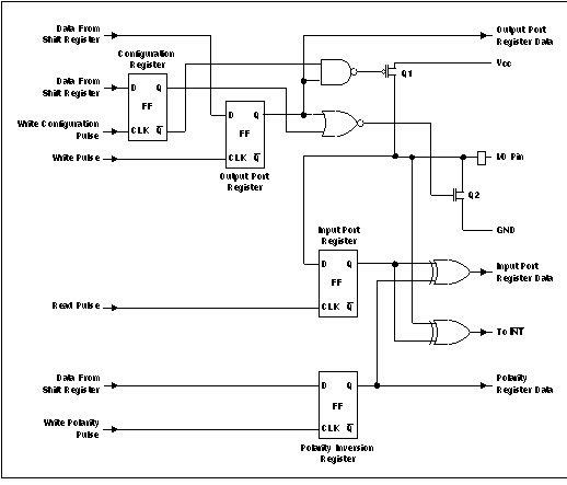
The system master can reset the PCA9539 in the event of a time-out or other improper operation by asserting a low in the RESET input. The power-on reset puts the registers in their default state and initializes the I2C/SMBus state machine. Asserting RESET causes the same reset/initialization to occur without de-powering the part.

The PCA9539 open-drain interrupt ( INT) output is activated when any input state differs from its corresponding Input Port register state and is used to indicate to the system master that an input state has changed.

INT can be connected to the interrupt input of a microcontroller. By sending an interrupt signal on this line, the remote I/O can inform the microcontroller if there is incoming data on its ports without having to communicate via the I2C bus. Thus, the PCA9539 can remain a simple slave device.

The device outputs (latched) have high-current drive capability for directly driving LEDs. The device has low current consumption.

The PCA9539 is identical to the PCA9555, except for the removal of the internal I/O pullup resistor, which greatly reduces power consumption when the I/Os are held low, replacement of A2 with RESET, and a different address range.

Two hardware pins (A0 and A1) are used to program and vary the fixed I2C address and allow up to four devices to share the same I2C bus or SMBus.

  • 1µA 低待机电流消耗(最大值)
  • I2C 至并行端口扩展器
  • 开漏电路低电平有效中断输出
  • 低电平有效复位输入
  • 可耐受 5V 电压的 I/O 端口
  • 兼容大多数微控制器
  • 400kHz 快速 I2C 总线
  • 极性反转寄存器
  • 通过两个硬件地址引脚寻址,以便使用多达 4 个器件
  • 具有高电流驱动能力的锁存输出,用于直接驱动 LED
  • 闩锁性能超过 100mA,符合 JESD 78 II 类规范的要求
  • ESD 保护性能超过 JESD 22 规范要求
    • 2000V 人体放电模型 (A114-A)
    • 1000V 带电器件模型 (C101)
Number of I/Os16
FeaturesConfiguration registers, Interrupt pin, Reset pin
Supply voltage (min) (V)2.3
Supply voltage (max) (V)5.5
Addresses4
RatingCatalog
Frequency (max) (MHz)0.4
Operating temperature range (°C)-40 to 85
SOIC (DW)24159.65 mm² 15.5 x 10.3
SSOP (DB)2463.96 mm² 8.2 x 7.8
SSOP (DBQ)2451.9 mm² 8.65 x 6
TSSOP (PW)2449.92 mm² 7.8 x 6.4
TVSOP (DGV)2432 mm² 5 x 6.4
VQFN (RGE)2416 mm² 4 x 4
产品购买
  • 商品型号
  • 封装
  • 工作温度
  • 包装
  • 价格
  • 现货库存
  • 操作
10s
温馨提示:
订单商品问题请移至我的售后服务提交售后申请,其他需投诉问题可移至我的投诉提交,我们将在第一时间给您答复
返回顶部