h1_key

TI(德州仪器) TL16C2550
德州仪器 (TI) 全系列产品在线购买
  • TI(德州仪器) TL16C2550
  • TI(德州仪器) TL16C2550
  • TI(德州仪器) TL16C2550
  • TI(德州仪器) TL16C2550
  • TI(德州仪器) TL16C2550
  • TI(德州仪器) TL16C2550
立即查看
您当前的位置: 首页 > 接口 > UART > TL16C2550
TL16C2550

TL16C2550

正在供货

具有 16 字节 FIFO 的 1.8V 至 5V 双路 UART

产品详情
  • 说明
  • 特性
  • 参数
  • 封装 | 引脚 | 尺寸

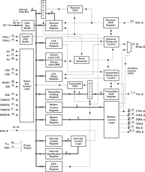
The TL16C2550 is a dual universal asynchronous receiver and transmitter (UART). It incorporates the functionality of two TL16C550D UARTs, each UART having its own register set and FIFOs. The two UARTs share only the data bus interface and clock source, otherwise they operate independently. Another name for the uart function is Asynchronous Communications Element (ACE), and these terms will be used interchangeably. The bulk of this document describes the behavior of each ACE, with the understanding that two such devices are incorporated into the TL16C2550.

Each ACE is a speed and voltage range upgrade of the TL16C550C, which in turn is a functional upgrade of the TL16C450. Functionally equivalent to the TL16C450 on power up or reset (single character or TL16C450 mode), each ACE can be placed in an alternate FIFO mode. This relieves the CPU of excessive software overhead by buffering received and to be transmitted characters. Each receiver and transmitter store up to 16 bytes in their respective FIFOs, with the receive FIFO including three additional bits per byte for error status. In the FIFO mode, a selectable autoflow control feature can significantly reduce software overload and increase system efficiency by automatically controlling serial data flow using handshakes between the RTS output and CTS input, thus eliminating overruns in the receive FIFO.

Each ACE performs serial-to-parallel conversions on data received from a peripheral device or modem and stores the parallel data in its receive buffer or FIFO, and each ACE performs parallel-to-serial conversions on data sent from its CPU after storing the parallel data in its transmit buffer or FIFO. The CPU can read the status of either ACE at any time. Each ACE includes complete modem control capability and a processor interrupt system that can be tailored to the application.

Each ACE includes a programmable baud rate generator capable of dividing a reference clock with divisors from 1 to 65535, thus producing a 16× internal reference clock for the transmitter and receiver logic. Each ACE accommodates up to a 1.5-Mbaud serial data rate (24-MHz input clock). As a reference point, that speed would generate a 667-ns bit time and a 6.7-µs character time (for 8,N,1 serial data), with the internal clock running at 24 MHz.

Each ACE has a TXRDY and RXRDY output that can be used to interface to a DMA controller.

  • Programmable Auto-RTS and Auto-CTS
  • In Auto-CTS Mode, CTS Controls Transmitter
  • In Auto-RTS Mode, RCV FIFO Contents, and Threshold Control RTS
  • Serial and Modem Control Outputs Drive a RJ11 Cable Directly When Equipment Is on
    the Same Power Drop
  • Capable of Running With All Existing TL16C450 Software
  • After Reset, All Registers Are Identical to the TL16C450 Register Set
  • Up to 24-MHz Clock Rate for up to 1.5-Mbaud Operation With VCC = 5 V
  • Up to 20-MHz Clock Rate for up to 1.25-Mbaud Operation With VCC = 3.3 V
  • Up to 16-MHz Clock Rate for up to 1-Mbaud Operation With VCC = 2.5 V
  • Up to 10-MHz Clock Rate for up to 625-kbaud Operation With VCC = 1.8 V
  • In the TL16C450 Mode, Hold and Shift Registers Eliminate the Need for Precise
    Synchronization Between the CPU and Serial Data
  • Programmable Baud Rate Generator Allows Division of Any Input Reference Clock by 1
    to (2 16 -1) and Generates an Internal 16 × Clock
  • Standard Asynchronous Communication Bits (Start, Stop, and Parity) Added to or
    Deleted From the Serial Data Stream
  • 5-V, 3.3-V, 2.5-V, and 1.8-V Operation
  • Independent Receiver Clock Input
  • Transmit, Receive, Line Status, and Data Set Interrupts Independently Controlled
  • Fully Programmable Serial Interface Characteristics:
    • 5-, 6-, 7-, or 8-Bit Characters
    • Even-, Odd-, or No-Parity Bit Generation and Detection
    • 1-, 1 1/2-, or 2-Stop Bit Generation
    • Baud Generation (DC to 1 Mbit/s)
  • False-Start Bit Detection
  • Complete Status Reporting Capabilities
  • 3-State Output TTL Drive Capabilities for Bidirectional Data Bus and Control Bus
  • Line Break Generation and Detection Internal Diagnostic Capabilities:
    • Loopback Controls for Communications Link Fault Isolation
    • Break, Parity, Overrun, and Framing Error Simulation
  • Fully Prioritized Interrupt System Controls
  • Modem Control Functions (CTS, RTS, DSR, DTR, RI, and DCD)
  • Available in 48-Pin TQFP (PFB) Package, 32-Pin QFN (RHB), or 44-Pin PLCC (FN) Package
  • Pin Compatible with TL16C752B (48-Pin Package PFB)
Number of channels2
FIFO (Byte)16
Rx FIFO trigger levels (#)4
Programmable FIFO trigger levelsNo
CPU interfaceX86
Baud rate at Vcc = 2.5 V & with 16x sampling (max) (MBps)1
Baud rate at Vcc = 1.8 V & with 16x sampling (max) (MBps)0.625
Baud rate at Vcc = 3.3 V & with 16x sampling (max) (MBps)1.25
Baud rate at Vcc = 5 V & with 16x sampling (max) (MBps)1.5
Operating voltage (V)1.8, 2.5, 3.3, 5
Auto RTS/CTSYes
RatingCatalog
Operating temperature range (°C)-40 to 85
TQFP (PFB)4881 mm² 9 x 9
VQFN (RHB)3225 mm² 5 x 5
产品购买
  • 商品型号
  • 封装
  • 工作温度
  • 包装
  • 价格
  • 现货库存
  • 操作
10s
温馨提示:
订单商品问题请移至我的售后服务提交售后申请,其他需投诉问题可移至我的投诉提交,我们将在第一时间给您答复
返回顶部