h1_key

TI(德州仪器) DS90LV049H
德州仪器 (TI) 全系列产品在线购买
  • TI(德州仪器) DS90LV049H
  • TI(德州仪器) DS90LV049H
  • TI(德州仪器) DS90LV049H
  • TI(德州仪器) DS90LV049H
  • TI(德州仪器) DS90LV049H
  • TI(德州仪器) DS90LV049H
立即查看
您当前的位置: 首页 > 接口 > LVDS、M-LVDS 和 PECL IC > DS90LV049H
DS90LV049H

DS90LV049H

正在供货

高温 3V LVDS 双路线路驱动器和接收器组合

产品详情
  • 说明
  • 特性
  • 参数
  • 封装 | 引脚 | 尺寸

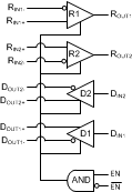
DS90LV049H 器件是一款双路 CMOS 差动线路驱动器-接收器对,专为需要超低功耗、 出色的抗噪能力 以及高数据吞吐量的应用而设计。该器件旨在利用低电压差动信号 (LVDS) 技术支持超过 400Mbps 的数据速率。DS90LV049H TSSOP 封装采用了直通式布线,可简化 PCB 布局。

DS90LV049H 驱动器接受 LVTTL/LVCMOS 信号,并且可将其转换为 LVDS 信号。接收器接受 LVTTL 信号,并且可将其转换为 3V CMOS 信号。LVDS 输入缓冲器具有内部失效防护偏置,可为浮点接收器输入将输出置于已知的 H(高)状态。另外,DS90LV049H 支持 TRI-STATE 功能,以达到当器件未使用时处于低空闲功耗状态。

EN 和 EN 输入将接受 AND 运算并控制 TRI-STATE 输出。这些使能端由四个门共用。

  • +125°C 的高温工作范围
  • 转换速率高达 400Mbps
  • 直通引脚排列可简化 PCB 布局
  • 50ps 典型驱动器通道到通道偏斜
  • 50ps 典型接收器通道到通道偏斜
  • 3.3V 单电源设计
  • TRI-STATE 输出控制
  • 《接收器输入的内部失效防护偏置》
  • 低功耗(3.3V 静态条件下为 70mW)
  • 在断电模式下,LVDS 输出端具有高阻抗
  • 符合 TIA/EIA-644-A LVDS 标准
  • 采用薄型 16 引脚 TSSOP 封装
FunctionTransceiver
ProtocolsLVDS
Number of transmitters2
Number of receivers2
Supply voltage (V)3.3
Signaling rate (MBits)400
Input signalLVCMOS, LVDS, LVTTL
Output signalLVCMOS, LVDS
RatingCatalog
Operating temperature range (°C)-40 to 125
TSSOP (PW)1632 mm² 5 x 6.4
产品购买
  • 商品型号
  • 封装
  • 工作温度
  • 包装
  • 价格
  • 现货库存
  • 操作
10s
温馨提示:
订单商品问题请移至我的售后服务提交售后申请,其他需投诉问题可移至我的投诉提交,我们将在第一时间给您答复
返回顶部