h1_key

TI(德州仪器) LMH1251
德州仪器 (TI) 全系列产品在线购买
  • TI(德州仪器) LMH1251
  • TI(德州仪器) LMH1251
  • TI(德州仪器) LMH1251
  • TI(德州仪器) LMH1251
  • TI(德州仪器) LMH1251
  • TI(德州仪器) LMH1251
立即查看
您当前的位置: 首页 > 接口 > 其他接口 > LMH1251
LMH1251

LMH1251

正在供货

YPbPr 至 RGBHV 转换器和 2:1 视频开关

产品详情
  • 说明
  • 特性
  • 参数
  • 封装 | 引脚 | 尺寸

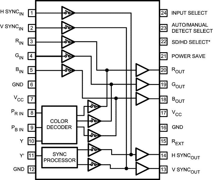
The LMH1251 is a wideband 2:1 analog video switch with an integrated YPBPR to RGBHV converter. The device accepts one set of YPBPR inputs and one set of RGB/HSYNC/VSYNC inputs. Based on the input selected, the output will be either a decoded TV or buffered PC video signal.

The LMH1251 has a SYNC separator and processor that is capable of extracting sync timing information from both Standard Definition Television (SDTV) and High Definition Television (HDTV) inputs. It provides bi-level sync, and tri-level sync separation.

The color space conversion from YPBPR to RGB in the LMH1251 is realized with a very high precision fully analog dematrixer which provides superior chroma accuracy that is less than 2.5% of amplitude and 1.5° of phase error on a vectorscope. It is equipped with a smart video detection circuit which automatically senses SDTV and HDTV video formats and applies the appropriate color space conversion.

The LMH1251 is capable of handling SDTV, HDTV, XGA, SXGA, and UXGA video formats, which makes it an ideal solution for enhancing value in applications ranging from LCD monitors, to set-top boxes, to projectors. The LMH1251 is part of the LMH high speed amplifier family, and is offered in a 24-pin TSSOP package.

  • YPBPR to RGBHV Conversion
  • YPBPR Path: 70 MHz, −3 dB, 700 mVPP Bandwidth
  • RGB Path: 400 MHz, −3 dB, 700 mVPP Bandwidth
  • Supports PC Video Display Resolutions up to UXGA (1600 x 1200 @ 75 Hz)
  • Supports 480i, 480p, 576i, 576p, 720p, 1080i, and 1080p
  • Smart Video Format Detection for SD and HD
  • Power Save Mode

All trademarks are the property of their respective owners.

ProtocolsCatalog
RatingCatalog
Operating temperature range (°C)0 to 70
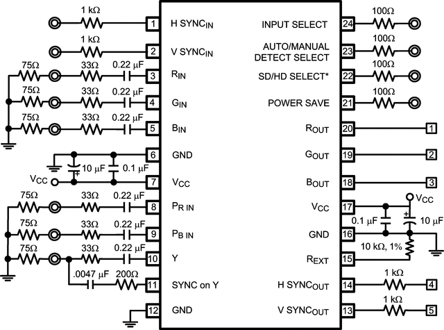
TSSOP (PW)2449.92 mm² 7.8 x 6.4
产品购买
  • 商品型号
  • 封装
  • 工作温度
  • 包装
  • 价格
  • 现货库存
  • 操作
10s
温馨提示:
订单商品问题请移至我的售后服务提交售后申请,其他需投诉问题可移至我的投诉提交,我们将在第一时间给您答复
返回顶部