h1_key

TI(德州仪器) SCAN15MB200
德州仪器 (TI) 全系列产品在线购买
  • TI(德州仪器) SCAN15MB200
  • TI(德州仪器) SCAN15MB200
  • TI(德州仪器) SCAN15MB200
  • TI(德州仪器) SCAN15MB200
  • TI(德州仪器) SCAN15MB200
  • TI(德州仪器) SCAN15MB200
立即查看
您当前的位置: 首页 > 接口 > LVDS、M-LVDS 和 PECL IC > SCAN15MB200
SCAN15MB200

SCAN15MB200

正在供货

具有预加重功能和 IEEE 1149.6 的双路 1.5Gbps 2:1/1:2 LVDS 多路复用器/缓冲器

产品详情
  • 说明
  • 特性
  • 参数
  • 封装 | 引脚 | 尺寸

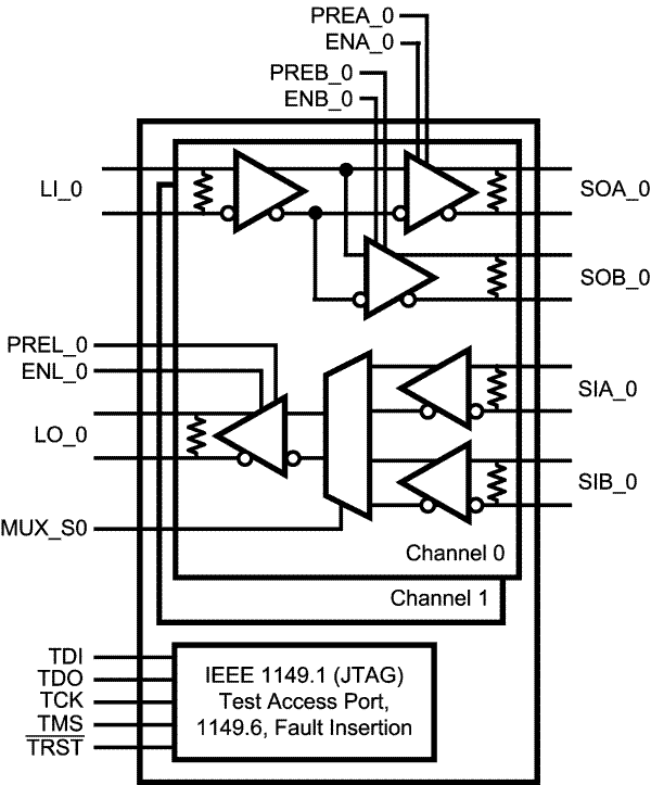
The SCAN15MB200 is a dual-port 2 to 1 multiplexer and 1 to 2 repeater/buffer. High-speed data paths and flow-through pinout minimize internal device jitter and simplify board layout, while pre-emphasis overcomes ISI jitter effects from lossy backplanes and cables. The differential inputs and outputs interface to LVDS or Bus LVDS signals such as those on TI's 10-, 16-, and 18- bit Bus LVDS SerDes, or to CML or LVPECL signals.

Integrated IEEE 1149.1 (JTAG) and 1149.6 circuitry supports testability of both single-ended LVTTL/CMOS and high-speed differential PCB interconnects. The 3.3V supply, CMOS process, and robust I/O ensure high performance at low power over the entire industrial -40 to +85°C temperature range.

  • 1.5 Gbps Data Rate Per Channel
  • Configurable Off/On Pre-emphasis Drives Lossy Backplanes and Cables
  • LVDS/BLVDS/CML/LVPECL Compatible Inputs, LVDS Compatible Outputs
  • Low Output Skew and Jitter
  • On-chip 100Ω Input and Output Termination
  • IEEE 1149.1 and 1149.6 Compliant
  • 15 kV ESD Protection on LVDS Inputs/Outputs
  • Hot Plug Protection
  • Single 3.3V Supply
  • Industrial -40 to +85°C Temperature Range
  • 48-Pin WQFN Package

All trademarks are the property of their respective owners.

FunctionMux buffer
ProtocolsBLVDS, CML, LVDS, LVPECL
Number of transmitters2, 4
Number of receivers2, 4
Supply voltage (V)3.3
Signaling rate (MBits)1500
Input signalBLVDS, CML, LVDS, LVPECL
Output signalLVCMOS, LVDS
RatingCatalog
Operating temperature range (°C)-40 to 85
WQFN (RHS)4849 mm² 7 x 7
产品购买
  • 商品型号
  • 封装
  • 工作温度
  • 包装
  • 价格
  • 现货库存
  • 操作
10s
温馨提示:
订单商品问题请移至我的售后服务提交售后申请,其他需投诉问题可移至我的投诉提交,我们将在第一时间给您答复
返回顶部