h1_key

TI(德州仪器) DS90CF363B
德州仪器 (TI) 全系列产品在线购买
  • TI(德州仪器) DS90CF363B
  • TI(德州仪器) DS90CF363B
  • TI(德州仪器) DS90CF363B
  • TI(德州仪器) DS90CF363B
  • TI(德州仪器) DS90CF363B
  • TI(德州仪器) DS90CF363B
立即查看
您当前的位置: 首页 > 接口 > 高速串行器/解串器 > FPD-Link 串行器/解串器 > DS90CF363B
DS90CF363B

DS90CF363B

正在供货

+3.3V 下降沿 LVDS 发送器 18 位平板显示器 (FPD) 链路 - 65MHz

产品详情
  • 说明
  • 特性
  • 参数
  • 封装 | 引脚 | 尺寸

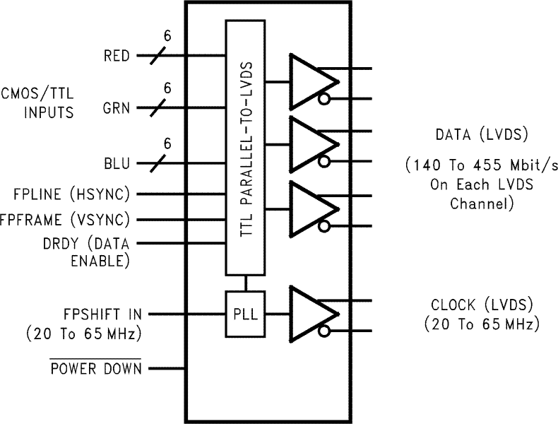
The DS90CF363B transmitter converts 21 bits of CMOS/TTL data into three LVDS (Low Voltage Differential Signaling) data streams. A phase-locked transmit clock is transmitted in parallel with the data streams over a fourth LVDS link. Every cycle of the transmit clock 21 bits of input data are sampled and transmitted. At a transmit clock frequency of 65 MHz, 18 bits of RGB data and 3 bits of LCD timing and control data (FPLINE, FPFRAME, DRDY) are transmitted at a rate of 455 Mbps per LVDS data channel. Using a 65 MHz clock, the data throughput is 170 Mbytes/sec. The DS90CF363B is fixed as a Falling edge strobe transmitter and will interoperate with a Falling edge strobe Receiver (DS90CF366) without any translation logic.

This chipset is an ideal means to solve EMI and cable size problems associated with wide, high speed TTL interfaces.

  • No Special Start-up Sequence Required between Clock/Data and /PD Pins. Input Signal (Clock and Data) can be Applied Either Before or After the Device is Powered.
  • Support Spread Spectrum Clocking up to 100KHz Frequency Modulation & Deviations of ±2.5% Center Spread or −5% Down Spread.
  • "Input Clock Detection" Feature will Pull all LVDS Pairs to Logic Low when Input Clock is Missing and when /PD Pin is Logic High.
  • 18 to 68 MHz Shift Clock Support
  • Best–in–Class Set & Hold Times on TxINPUTs
  • Tx Power Consumption < 130 mW (typ) @65MHz Grayscale
  • 40% Less Power Dissipation than BiCMOS Alternatives
  • Tx Power-Down Mode < 37μW (typ)
  • Supports VGA, SVGA, XGA and Dual Pixel SXGA.
  • Narrow Bus Reduces Cable Size and Cost
  • Up to 1.3 Gbps Throughput
  • Up to 170 Megabytes/sec Bandwidth
  • 345 mV (typ) Swing LVDS Devices for Low EMI
  • PLL Requires no External Components
  • Compatible with TIA/EIA-644 LVDS Standard
  • Low Profile 48-lead TSSOP Package
  • Improved Replacement for:
    • SN75LVDS84, DS90CF363A

All trademarks are the property of their respective owners.

FunctionSerializer
Color depth (bps)18
Input compatibilityLVCMOS
Output compatibilityFPD-Link LVDS
FeaturesLow-EMI Point-to-Point Communication
RatingCatalog
Operating temperature range (°C)-10 to 70
TSSOP (DGG)48101.25 mm² 12.5 x 8.1
产品购买
  • 商品型号
  • 封装
  • 工作温度
  • 包装
  • 价格
  • 现货库存
  • 操作
10s
温馨提示:
订单商品问题请移至我的售后服务提交售后申请,其他需投诉问题可移至我的投诉提交,我们将在第一时间给您答复
返回顶部