h1_key

TI(德州仪器) THS8200
德州仪器 (TI) 全系列产品在线购买
  • TI(德州仪器) THS8200
  • TI(德州仪器) THS8200
  • TI(德州仪器) THS8200
  • TI(德州仪器) THS8200
  • TI(德州仪器) THS8200
  • TI(德州仪器) THS8200
立即查看
您当前的位置: 首页 > 接口 > HDMI、DisplayPort 和 MIPI IC > THS8200
THS8200

THS8200

正在供货

三通道 10 位全格式视频 DAC

产品详情
  • 说明
  • 特性
  • 参数
  • 封装 | 引脚 | 尺寸

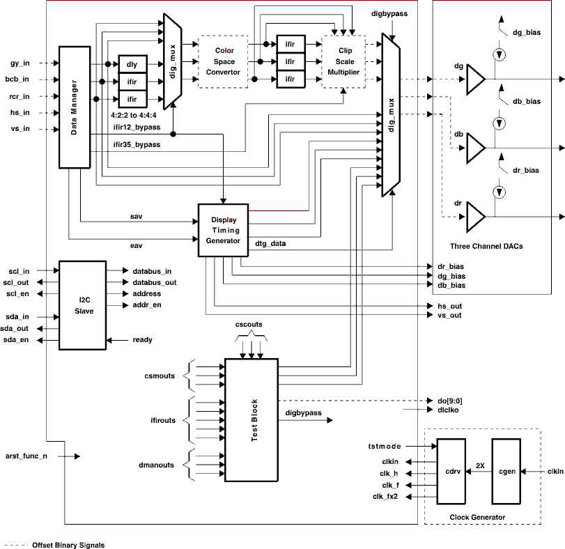
The THS8200 device is a complete video back-end D/A solution for DVD players, personal video recorders and set-top boxes, or any system requiring the conversion of digital component video signals into the analog domain.

The THS8200 device can accept a variety of digital input formats, in 4:4:4 and 4:2:2 formats, over an interface of three, two, or one 10‑bit ports. The device synchronizes to incoming video data either through dedicated Hsync and Vsync inputs or through extraction of the sync information from embedded sync (SAV and EAV) codes inside the video stream. Alternatively, when the THS8200 is configured for generating PC graphics output, the device also provides a master timing mode in which it requests video data from an external (memory) source.

The THS8200 device contains a display timing generator that is completely programmable for all standard and nonstandard video formats up to the maximum supported pixel clock of 205 MSPS. Therefore, the device supports all component video and PC graphics (VESA) formats. A fully programmable 3x3 matrixing operation is included for color space conversion. All video formats, up to the HDTV 1080I and 720P formats, can also be internally 2x oversampled. Oversampling relaxes the need for sharp external analog reconstruction filters behind the DAC and improves the video frequency characteristic.

The output compliance range can be set through external adjustment resistors, and there is a choice of two settings to accommodate both component video or PC graphics (700-mV) and composite video (1.3‑V) outputs without hardware changes. An internal programmable clip/shift/multiply function on the video data assures standards-compliant video output ranges for either full 10-bit or reduced ITU-R.BT601 style video input. To avoid nonlinearities after scaling of the video range, the DACs have 11-bit resolution internally. Furthermore, a bi-level or tri-level sync with programmable amplitude (to support both 700-mV:300-mV and 714-mV:286-mV video:sync ratios) can be inserted either on the green/luma channel only or on all three output channels. This sync insertion is generated from additional current sources in the DACs such that the full DAC resolution remains available for the video range and preserves 100% of the 11-bit dynamic range of the DAC for video data.

The THS8200 optionally supports the pass-through of ancillary data embedded in the input video stream or can insert ancillary data into the 525P analog component output according to the CGMS data specification.

  • Overall
    • Three 11-Bit 205-MSPS Digital-to-Analog Converters (DACs) With Integrated Bi-Level or Tri-Level Sync Insertion
    • Support for All ATSC Video Formats (Including 1080P) and PC Graphics Formats (up to UXGA at 75 Hz)
  • Input
    • Flexible 10-, 15-, 16-, 20-, 24-, or 30-Bit Digital Video Input Interface With Support for YCbCr or RGB Data, Either 4:4:4 or 4:2:2 Sampled
    • Video Synchronization by Hsync or Vsync Dedicated Inputs or by Extraction of Embedded SAV and EAV Codes According to ITU-R.BT601 (SDTV) or SMPTE 274M and SMPTE 296M (HDTV)
    • Glueless Interface to TI DVI 1.0 (With HDCP) Receivers. Can Receive Video-Over-DVI Formats According to the EIA-861 Specification and Convert to YPbPr or RGB Component Formats With Separate Syncs or Embedded Composite Sync.
  • Video Processing
    • Programmable Clip/Shift/Multiply Function for Operation With Full-Range or ITU-R.BT601 Video Range Input Data
    • Programmable Digital Fine-Gain Controller on Each Analog Output Channel, for Accurate Channel Matching and Programmable White-Balance Control
    • Built-In 4:2:2 to 4:4:4 Video Interpolation Filter
    • Built-In 2x Oversampling SDTV and HDTV Interpolation Filter for Improved Video Frequency Characteristic
    • Fully Programmable Digital Color Space Conversion Circuit
    • Fully Programmable Display Timing Generator to Supply All SDTV and HDTV Composite Sync Timing Formats, Progressive and Interlaced
    • Fully Programmable Hsync and Vsync Outputs
    • Vertical Blanking Interval (VBI) Override or Data Pass-Through for VBI Data Transparency
    • Programmable CGMS Data Generation and Insertion
  • Output
    • Digital
      • ITU-R BT.656 Digital Video Output Port
    • Analog
      • Analog Component Output from Software-Switchable 700-mV or 1.3-V Compliant Output DACs at 37.5-Ω Load
      • Programmable Video/Sync Ratio (7:3 or 10:4)
      • Programmable Video Pedestal
  • General
    • Built-In Video Color Bar Test Pattern Generator
    • Fast Mode I2C Control Interface
    • Configurable Master or Slave Timing Mode
      • Configuration Modes Allow the Device to Act as a Master Timing Source for Requesting Data From, for Example, the Video Frame Buffer (Master Mode Only Available for PC Graphics Output Modes).
      • Alternatively, the Device Can Slave to an External Timing Master.
    • DAC and Chip Power-Down Modes
    • Low-Power 1.8-V and 3.3-V Operation
    • 80-Pin PowerPAD Plastic Quad Flatpack Package With Efficient Heat Dissipation and Small Physical Size
RatingCatalog
Operating temperature range (°C)0 to 70
HTQFP (PFP)80196 mm² 14 x 14
产品购买
  • 商品型号
  • 封装
  • 工作温度
  • 包装
  • 价格
  • 现货库存
  • 操作
10s
温馨提示:
订单商品问题请移至我的售后服务提交售后申请,其他需投诉问题可移至我的投诉提交,我们将在第一时间给您答复
返回顶部