h1_key

TI(德州仪器) DS90C383B
德州仪器 (TI) 全系列产品在线购买
  • TI(德州仪器) DS90C383B
  • TI(德州仪器) DS90C383B
  • TI(德州仪器) DS90C383B
  • TI(德州仪器) DS90C383B
  • TI(德州仪器) DS90C383B
  • TI(德州仪器) DS90C383B
立即查看
您当前的位置: 首页 > 接口 > 高速串行器/解串器 > FPD-Link 串行器/解串器 > DS90C383B
DS90C383B

DS90C383B

正在供货

+3.3V 可编程 LVDS 发送器 24 位平板显示 (FPD) 链接 - 65MHz

产品详情
  • 说明
  • 特性
  • 参数
  • 封装 | 引脚 | 尺寸

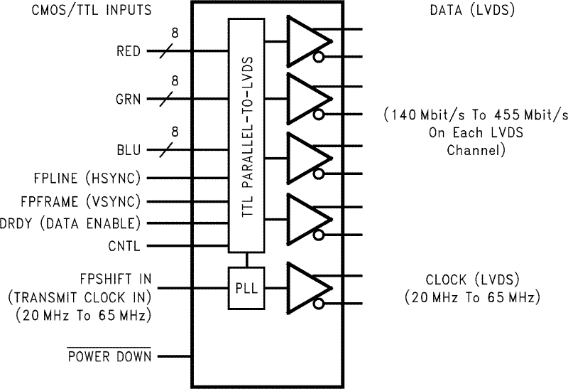
The DS90C383B transmitter converts 28 bits of CMOS/TTL data into four LVDS (Low Voltage Differential Signaling) data streams. A phase-locked transmit clock is transmitted in parallel with the data streams over a fifth LVDS link. Every cycle of the transmit clock 28 bits of input data are sampled and transmitted. At a transmit clock frequency of 65 MHz, 24 bits of RGB data and 3 bits of LCD timing and control data (FPLINE, FPFRAME, DRDY) are transmitted at a rate of 455 Mbps per LVDS data channel. Using a 65 MHz clock, the data throughput is 227 Mbytes/sec. The DS90C383B transmitter can be programmed for Rising edge strobe or Falling edge strobe through a dedicated pin. A Rising edge or Falling edge strobe transmitter will interoperate with a Falling edge strobe Receiver (DS90CF386) without any translation logic.

This chipset is an ideal means to solve EMI and cable size problems associated with wide, high speed TTL interfaces.

  • No special start-up sequence required between clock/data and /PD pins. Input signal (clock and data) can be applied either before or after the device is powered
  • Support Spread Spectrum Clocking up to 100kHz frequency modulation and deviations of ±2.5% center spread or -5% down spread
  • "Input Clock Detection" feature will pull all LVDS pairs to logic low when input clock is missing and when /PD pin is logic high
  • 18 to 68 MHz shift clock support
  • Best-in-Class Setup and Hold Times on TxINPUTs
  • Tx power consumption < 130 mW (typ) at 65MHz Grayscale
  • 40% Less Power Dissipation than BiCMOS Alternatives
  • Tx Power-down mode < 60μW (typ)
  • Supports VGA, SVGA, XGA and Dual Pixel SXGA.
  • Narrow bus reduces cable size and cost
  • Up to 1.8 Gbps throughput
  • Up to 227 Megabytes/sec bandwidth
  • 345 mV (typ) swing LVDS devices for low EMI
  • PLL requires no external components
  • Compatible with TIA/EIA-644 LVDS standard
  • Low profile 56-lead TSSOP package
  • Improved replacement for:
    • SN75LVDS83, DS90C383A

All trademarks are the property of their respective owners. TRI-STATE is a trademark of Texas Instruments. TRI-STATE is a trademark of Texas Instruments.

FunctionSerializer
Color depth (bps)24
Input compatibilityLVCMOS
Output compatibilityFPD-Link LVDS
FeaturesLow-EMI Point-to-Point Communication
RatingCatalog
Operating temperature range (°C)-10 to 70
TSSOP (DGG)56113.4 mm² 14 x 8.1
产品购买
  • 商品型号
  • 封装
  • 工作温度
  • 包装
  • 价格
  • 现货库存
  • 操作
10s
温馨提示:
订单商品问题请移至我的售后服务提交售后申请,其他需投诉问题可移至我的投诉提交,我们将在第一时间给您答复
返回顶部