h1_key

TI(德州仪器) DS90C385A
德州仪器 (TI) 全系列产品在线购买
  • TI(德州仪器) DS90C385A
  • TI(德州仪器) DS90C385A
  • TI(德州仪器) DS90C385A
  • TI(德州仪器) DS90C385A
  • TI(德州仪器) DS90C385A
  • TI(德州仪器) DS90C385A
立即查看
您当前的位置: 首页 > 接口 > 其他接口 > DS90C385A
DS90C385A

DS90C385A

正在供货

LVDS 发送器平板显示器 (85MHz)

产品详情
  • 说明
  • 特性
  • 参数
  • 封装 | 引脚 | 尺寸

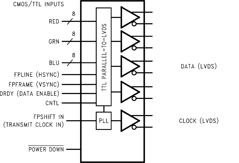
The DS90C385A is a pin to pin compatible replacement for DS90C383, DS90C383A and DS90C385. The DS90C385A has additional features and improvements making it an ideal replacement for DS90C383, DS90C383A and DS90C385. family of LVDS Transmitters.

The DS90C385A transmitter converts 28 bits of LVCMOS/LVTTL data into four LVDS (Low Voltage Differential Signaling) data streams. A phase-locked transmit clock is transmitted in parallel with the data streams over the fifth LVDS link. Every cycle of the transmit clock 28 bits of input data are sampled and transmitted. At a transmit clock frequency of 87.5 MHz, 24 bits of RGB data and 3 bits of LCD timing and control data (FPLINE, FPFRAME, DRDY) are transmitted at a rate of 612.5Mbps per LVDS data channel. Using a 87.5 MHz clock, the data throughput is 306.25Mbytes/sec. This transmitter can be programmed for Rising edge strobe or Falling edge strobe through a dedicated pin. A Rising edge or Falling edge strobe transmitter will interoperate with a Falling edge strobe FPDLink Receiver without any translation logic.

This chipset is an ideal means to solve EMI and cable size problems associated with wide, high-speed TTL interfaces with added Spread Spectrum Clocking support.

  • Pin-to-Pin Compatible to DS90C383, DS90C383A and DS90C385
  • No Special Start-Up Sequence Required between Clock/Data and /PD Pins. Input Signals (Clock and Data) can be Applied Either Before or After the Device is Powered.
  • Support Spread Spectrum Clocking up to 100kHz Frequency Modulation and Deviations of ±2.5% Center Spread or -5% Down Spread
  • “Input Clock Detection" Feature Will Pull All LVDS Pairs to Logic Low When Input Clock is Missing and When /PD Pin is Logic High
  • 18 to 87.5 MHz Shift Clock Support
  • Tx Power Consumption < 147 mW (typ) at 87.5MHz Grayscale
  • Tx Power-Down Mode < 60 μW (typ)
  • Supports VGA, SVGA, XGA, SXGA(Dual Pixel), SXGA+(Dual Pixel), UXGA(Dual Pixel).
  • Narrow Bus Reduces Cable Size and Cost
  • Up to 2.45 Gbps Throughput
  • Up to 306.25Megabyte/sec Bandwidth
  • 345 mV (typ) Swing LVDS Devices for Low EMI
  • PLL Requires No External Components
  • Compliant to TIA/EIA-644 LVDS standard
  • Low Profile 56-lead TSSOP Package

All trademarks are the property of their respective owners.

ProtocolsCatalog
RatingCatalog
Operating temperature range (°C)-10 to 70
TSSOP (DGG)56113.4 mm² 14 x 8.1
产品购买
  • 商品型号
  • 封装
  • 工作温度
  • 包装
  • 价格
  • 现货库存
  • 操作
10s
温馨提示:
订单商品问题请移至我的售后服务提交售后申请,其他需投诉问题可移至我的投诉提交,我们将在第一时间给您答复
返回顶部