h1_key

TI(德州仪器) SCAN90CP02
德州仪器 (TI) 全系列产品在线购买
  • TI(德州仪器) SCAN90CP02
  • TI(德州仪器) SCAN90CP02
  • TI(德州仪器) SCAN90CP02
  • TI(德州仪器) SCAN90CP02
  • TI(德州仪器) SCAN90CP02
  • TI(德州仪器) SCAN90CP02
立即查看
您当前的位置: 首页 > 接口 > LVDS、M-LVDS 和 PECL IC > SCAN90CP02
SCAN90CP02

SCAN90CP02

正在供货

具有预加重功能和 IEEE 1149.6 的 1.5Gbps 2x2 LVDS 交叉点开关

产品详情
  • 说明
  • 特性
  • 参数
  • 封装 | 引脚 | 尺寸

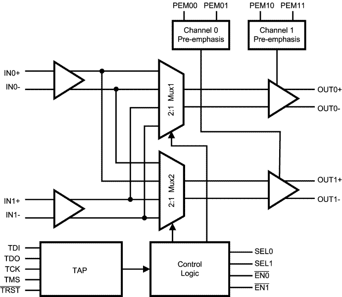
The SCAN90CP02 is a 1.5 Gbps 2 x 2 LVDS crosspoint switch. High speed data paths and flow-through pinout minimize internal device jitter, while configurable 0/25/50/100% pre-emphasis overcomes external ISI jitter effects of lossy backplanes and cables. The differential inputs interface to LVDS and Bus LVDS signals such as those on TI's 10-, 16-, and 18- bit Bus LVDS SerDes, as well as CML and LVPECL. The SCAN90CP02 can also be used with ASICs and FPGAs. The non-blocking crosspoint architecture is pin-configurable as a 1:2 clock or data splitter, 2:1 redundancy mux, crossover function, or dual buffer for signal booster and stub hider applications.

Integrated IEEE 1149.1 (JTAG) and 1149.6 circuitry supports testability of both single-ended LVTTL/CMOS and differential LVDS PCB interconnect. The 3.3V supply, CMOS process, and LVDS I/O ensure high performance at low power over the entire industrial -40 to +85°C temperature range.

  • 1.5 Gbps per Channel
  • Low Power: 70 mA in Dual Repeater Mode @1.5 Gbps
  • Low Output Jitter
  • Configurable 0/25/50/100% Pre-Emphasis Drives Lossy Backplanes and Cables
  • Non-Blocking Architecture Allows 1:2 Splitter, 2:1 Mux, Crossover, and Dual Buffer Configurations
  • Flow-Through Pinout
  • LVDS/BLVDS/CML/LVPECL Inputs, LVDS Outputs
  • IEEE 1149.1 and 1149.6 Compliant
  • Single 3.3V Supply
  • Separate Control of Inputs and Outputs Allows for Power Savings
  • Industrial -40 to +85°C Temperature Range
  • 28-Lead UQFN Package, or 32-Lead LQFP Package

All trademarks are the property of their respective owners.

FunctionCrosspoint
ProtocolsBLVDS, CML, LVDS, LVPECL
Number of transmitters2
Number of receivers2
Supply voltage (V)3.3
Signaling rate (MBits)1500
Input signalCML, LVDS, LVPECL
Output signalLVDS
RatingCatalog
Operating temperature range (°C)-40 to 85
LQFP (NEY)3281 mm² 9 x 9
UQFN (NJD)2825 mm² 5 x 5
产品购买
  • 商品型号
  • 封装
  • 工作温度
  • 包装
  • 价格
  • 现货库存
  • 操作
10s
温馨提示:
订单商品问题请移至我的售后服务提交售后申请,其他需投诉问题可移至我的投诉提交,我们将在第一时间给您答复
返回顶部