h1_key

TI(德州仪器) SCAN928028
德州仪器 (TI) 全系列产品在线购买
  • TI(德州仪器) SCAN928028
  • TI(德州仪器) SCAN928028
  • TI(德州仪器) SCAN928028
  • TI(德州仪器) SCAN928028
  • TI(德州仪器) SCAN928028
  • TI(德州仪器) SCAN928028
立即查看
您当前的位置: 首页 > 接口 > 其他接口 > SCAN928028
SCAN928028

SCAN928028

正在供货

具有 IEEE 1149.1 和全速度 BIST 的 8 通道 10:1 串行器

产品详情
  • 说明
  • 特性
  • 参数
  • 封装 | 引脚 | 尺寸

The SCAN928028 integrates eight serializer devices into a single chip. The SCAN928028 can simultaneously serialize up to eight 10-bit data streams. The 10-bit parallel inputs are LVTTL signal levels. The serialized outputs are LVDS signals with extra drive current for point-to-point and lightly loaded multidrop applications. Each serializer block in the SCAN928028 operates independently by using strobes from a single shared PLL.

The SCAN928028 uses a single +3.3V power supply with a typical power dissipation of 740mW (3.3V / PRBS / 66 MHz). Each serializer channel has a unique power down control to further conserve power consumption.

For high-speed LVDS serial data transmission, line quality is essential, thus the SCAN928028 includes an @SPEED TEST function. Each Serializer channel has the ability to internally generate a PRBS data pattern. This pattern is received by specific deserializers (SCAN921224) which have the complement PRBS verification circuit. The deserializer checks the data pattern for bit errors and reports any errors on the test verification pins on the deserializer.

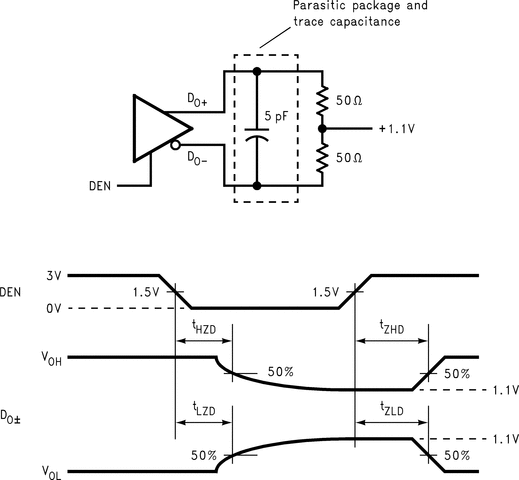
For additional information - please see the Application Information section in this datasheet.

  • IEEE 1149.1 (JTAG) Compliant and At-Speed BIST Test Mode.
  • All 8 Channels Synchronous to One Parallel Clock Rate, from 18 to 66 MHz
  • Duplicates Function of Multiple DS92LV1021 and '1023 10-Bit Serializer Devices
  • Serializes from One to Eight 10-Bit Parallel Inputs into Data Streams with Embedded Clock
  • Eight 5 mA Modified Bus LVDS Outputs that are Capable to Drive Double Terminations
  • @Speed Test - PRBS Generation to Check LVDS Transmission Path to SCAN921224, SCAN921226, SCAN921260, or SCAN926260
  • On Chip Filtering for PLL
  • 740mW Typ Power Dissipation (Loaded, PRBS, 66MHz, 3.3V)
  • High Impedance Inputs and Outputs on Power off
  • Single Power Supply at +3.3V (+/-10%)
  • 196-pin NFBGA Package
  • Industrial Temperature Range Operation: -40 to +85°C

All trademarks are the property of their respective owners.

ProtocolsCatalog
RatingCatalog
Operating temperature range (°C)-40 to 85
NFBGA (NZH)196225 mm² 15 x 15
产品购买
  • 商品型号
  • 封装
  • 工作温度
  • 包装
  • 价格
  • 现货库存
  • 操作
10s
温馨提示:
订单商品问题请移至我的售后服务提交售后申请,其他需投诉问题可移至我的投诉提交,我们将在第一时间给您答复
返回顶部